86-021-54422420 13818829143
86-021-54422402 17701898099



鏈輪:帶嵌齒式扣鏈齒的輪子,用以與節鏈環或纜索上節距準確的塊體相嚙合一種實心或帶輻條的齒輪,與(滾子)鏈嚙合以傳遞運動。
鏈輪的特性:可適合長時間大扭力下工作,傳遞性能穩定。易安裝,好維護和方便潤滑。
鏈輪的應用:被廣泛應用于化工、紡織機械、食品加工、儀表儀器、石油等行業的機械傳動等。
| 美標140系列鏈輪 | 美標160系列鏈輪 | |||||||||||||||
| 節距(Pitch)=44.45(mm) | 節距(Pitch)=50.8(mm) | |||||||||||||||
| 齒數Teeth | 外徑O.D | 節徑P.D | B型凸臺Hub | 最大孔徑 | 重量 W.t | 齒數Teeth | 外徑O.D | 節徑P.D | B型凸臺Hub | 最大孔徑 | 重量 W.t | |||||
| 轂徑H | 輪厚L | Bore Max | B型. Kg | A型. Kg | 轂徑H | 輪厚L | Bore Max | B型. Kg | A型. Kg | |||||||
| 10 | 163 | 143.84 | 98 | 56 | 66 | 4.90 | 2.90 | 10 | 186 | 164.39 | 105 | 63 | 70 | 6.80 | 4.85 | |
| 11 | 178 | 157.78 | 106 | 56 | 70 | 5.50 | 3.60 | 11 | 204 | 180.31 | 117 | 63 | 80 | 8.30 | 5.85 | |
| 12 | 193 | 171.74 | 117 | 56 | 80 | 6.60 | 4.20 | 12 | 220 | 196.28 | 127 | 63 | 89 | 9.90 | 6.90 | |
| 13 | 207 | 185.74 | 117 | 63 | 80 | 7.90 | 4.90 | 13 | 237 | 212.27 | 137 | 71 | 95 | 12.50 | 8.10 | |
| 14 | 221 | 199.76 | 127 | 63 | 89 | 9.30 | 5.70 | 14 | 253 | 228.3 | 137 | 71 | 95 | 13.80 | 9.40 | |
| 15 | 236 | 213.79 | 127 | 63 | 89 | 10.10 | 6.60 | 15 | 269 | 244.33 | 137 | 71 | 95 | 15.20 | 10.80 | |
| 16 | 250 | 227.84 | 127 | 63 | 89 | 11.00 | 7.50 | 16 | 286 | 260.39 | 147 | 71 | 103 | 17.40 | 12.25 | |
| 17 | 264 | 241.91 | 127 | 63 | 89 | 12.00 | 8.40 | 17 | 302 | 276.46 | 147 | 71 | 103 | 18.90 | 13.80 | |
| 18 | 279 | 255.98 | 127 | 63 | 89 | 13.00 | 9.40 | 18 | 319 | 292.55 | 147 | 71 | 103 | 20.60 | 15.50 | |
| 19 | 293 | 270.06 | 137 | 71 | 95 | 15.60 | 10.50 | 19 | 335 | 308.64 | 147 | 71 | 103 | 22.30 | 17.20 | |
| 20 | 307 | 284.15 | 137 | 71 | 95 | 16.70 | 11.60 | 20 | 351 | 324.74 | 147 | 71 | 103 | 24.20 | 19.00 | |
| 21 | 322 | 298.24 | 137 | 71 | 95 | 17.90 | 12.80 | 21 | 368 | 340.84 | 147 | 71 | 103 | 26.10 | 21.00 | |
| 22 | 336 | 312.34 | 137 | 71 | 95 | 18.40 | 14.10 | 22 | 384 | 356.96 | 167 | 80 | 118 | 30.20 | 23.00 | |
| 23 | 350 | 326.44 | 137 | 71 | 95 | 20.10 | 15.30 | 23 | 400 | 373.07 | 167 | 80 | 118 | 32.50 | 25.10 | |
| 24 | 364 | 340.54 | 137 | 71 | 95 | 20.90 | 16.70 | 24 | 416 | 389.19 | 167 | 80 | 118 | 34.40 | 27.40 | |
| 25 | 379 | 354.65 | 137 | 71 | 95 | 24.10 | 18.10 | 25 | 433 | 405.32 | 167 | 80 | 118 | 36.60 | 29.70 | |
| 26 | 393 | 368.77 | 147 | 80 | 103 | 25.50 | 19.60 | 26 | 449 | 421.45 | 167 | 80 | 118 | 38.90 | 32.10 | |
| 27 | 407 | 382.88 | 147 | 80 | 103 | 28.20 | 21.60 | 28 | 481 | 453.72 | 167 | 80 | 118 | 45.50 | 47.30 | |
| 28 | 421 | 397 | 147 | 80 | 103 | 30.10 | 23.00 | 30 | 514 | 485.99 | 167 | 80 | 118 | 52.30 | 42.70 | |
| 30 | 450 | 425.24 | 147 | 80 | 103 | 31.50 | 26.00 | 32 | 546 | 518.28 | 167 | 80 | 118 | 59.00 | 48.70 | |
| 32 | 478 | 453.49 | 147 | 80 | 103 | 36.00 | 29.70 | 35 | 595 | 566.71 | 167 | 80 | 118 | 66.90 | 58.10 | |
| 35 | 521 | 495.88 | 157 | 90 | 110 | 42.90 | 35.60 | 38 | 644 | 615.17 | 167 | 80 | 118 | 76.40 | 68.50 | |
| 36 | 535 | 510.01 | 157 | 90 | 110 | 47.40 | 37.60 | 40 | 676 | 647.47 | 167 | 80 | 118 | 88.00 | 75.10 | |
| 38 | 563 | 538.27 | 157 | 90 | 110 | 51.00 | 41.90 | 42 | 708 | 679.78 | 167 | 80 | 118 | 91.20 | 83.60 | |
| 40 | 591 | 566.54 | 157 | 90 | 110 | 53.10 | 46.40 | 45 | 757 | 728.25 | 187 | 125 | 132 | 93.00 | 96.00 | |
| 42 | 620 | 594.81 | 157 | 90 | 110 | 60.00 | 51.10 | 48 | 806 | 776.72 | 187 | 125 | 132 | 101.00 | 109.00 | |
| 45 | 662 | 637.22 | 167 | 100 | 118 | 68.00 | 58.80 | 50 | 838 | 809.04 | 187 | 125 | 132 | 138.70 | 118.50 | |
| 48 | 705 | 679.63 | 167 | 100 | 118 | 75.00 | 66.90 | 54 | 903 | 873.68 | 187 | 125 | 132 | 158.40 | 138.20 | |
| 50 | 733 | 707.91 | 167 | 100 | 118 | 85.30 | 72.50 | 60 | 1000 | 970.65 | 187 | 125 | 132 | 190.80 | 170.00 | |
| 54 | 790 | 764.47 | 167 | 100 | 118 | 97.40 | 84.60 | |||||||||
| 60 | 875 | 849.32 | 167 | 112 | 118 | 119.30 | 104.00 | |||||||||


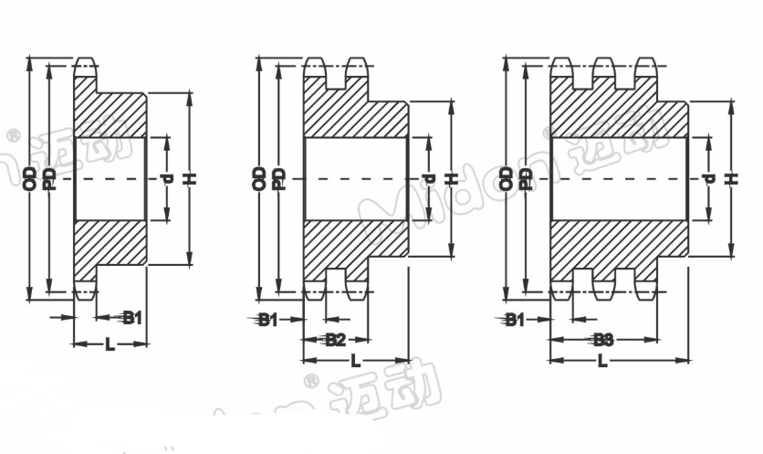
| 鏈輪排齒參數(美標、歐標) | |||||||||||||||
| 美標 | |||||||||||||||
| 鏈輪號 | 節距 | 滾子直徑 | 齒節高 | 倒角高 | 倒角寬 | 弧半徑 | 齒厚(1~4排) | 齒幅(2~3排) | 齒幅(4排) | 排距 | |||||
| SPROCKET NO: | pitch | Roller Dia | h | A | C | R | T1 | T2/T3 | T4 | B2 | B3 | B2 | B3 | B4 | Pt |
| 25 | 6.35 | 3.30 | 4.0 | 3.2 | 0.8 | 6.8 | 2.8 | 2.7 | 2.4 | 9.1 | 15.3 | 8.8 | 15.2 | 21.6 | 6.4 |
| 35 | 9.525 | 5.80 | 5.0 | 4.8 | 1.2 | 10.2 | 4.3 | 4.1 | 3.8 | 14.2 | 24.4 | 13.9 | 24 | 34.1 | 10.1 |
| 41 | 12.70 | 7.77 | 7.0 | 7.0 | 1.1 | 19.2 | 2.8 | 一 | 一 | 一 | 一 | 一 | 一 | 一 | 一 |
| 40 | 12.70 | 7.92 | 7.0 | 6.4 | 1.6 | 13.5 | 7.2 | 7.0 | 6.5 | 21.4 | 35.8 | 20.9 | 35.3 | 49.7 | 14.4 |
| 50 | 15.875 | 10.16 | 10.3 | 7.9 | 2.0 | 16.9 | 8.7 | 8.4 | 7.9 | 26.5 | 44.6 | 26 | 44.1 | 62.2 | 18.1 |
| 60 | 19.05 | 11.91 | 11.8 | 9.5 | 2.4 | 20.3 | 11.7 | 11.3 | 10.6 | 34.1 | 56.9 | 33.4 | 56.2 | 79.0 | 7.0 |
| 80 | 25.40 | 15.88 | 15.5 | 12.7 | 3.2 | 27.0 | 14.5 | 14.1 | 13.1 | 43.4 | 72.7 | 42.6 | 71.9 | 101.2 | 29.3 |
| 100 | 31.75 | 19.05 | 19.2 | 15.9 | 4.0 | 33.8 | 17.5 | 17.0 | 16.0 | 52.8 | 88.6 | 51.8 | 87.6 | 123.4 | 35.8 |
| 120 | 38.10 | 22.22 | 23.0 | 19.1 | 4.8 | 40.5 | 23.5 | 22.7 | 21.5 | 68.1 | 113.5 | 66.9 | 112.3 | 157.7 | 45.4 |
| 140 | 44.45 | 25.40 | 27.0 | 22.2 | 5.6 | 47.2 | 23.5 | 22.7 | 21.5 | 71.6 | 120.5 | 70.4 | 119.3 | 168.3 | 48.9 |
| 160 | 50.80 | 28.58 | 31.6 | 25.4 | 6.4 | 54.0 | 29.3 | 28.4 | 27.0 | 86.9 | 145.4 | 85.5 | 144 | 202.5 | 58.5 |
| 180 | 57.15 | 35.71 | 36.8 | 28.5 | 7.2 | 61.0 | 33.1 | 32.0 | 30.4 | 97.8 | 163.6 | 96.2 | 162 | 227.8 | 65.8 |
| 200 | 63.50 | 39.67 | 39.6 | 31.8 | 7.9 | 67.5 | 35.5 | 34.1 | 32.5 | 105.7 | 177.3 | 104.1 | 175.7 | 247.3 | 71.6 |
| 240 | 76.20 | 47.62 | 48.5 | 38.1 | 9.5 | 81.0 | 44.1 | 42.7 | 40.7 | 130.5 | 218.3 | 128.5 | 216.3 | 304.1 | 87.8 |
| 歐標(A、B系列鏈輪主要參數) | |||||||||||||||
| 鏈輪號 | 節距 | 滾子直徑 | 齒節高 | 倒角高 | 倒角寬 | 弧半徑 | 齒厚(1~4排) | 齒幅(2~4排) | 排距 | ||||||
| SPROCKET NO: | pitch | Roller Dia | h | A | C | R | T1 | T2/T3 | T4 | B2 | B3 | B4 | Pt | ||
| 4B | 6 | 4 | 4.1 | 3 | 0.6 | 6 | 2.6 | 2.5 | 2.4 | 一 | 一 | 一 | 一 | ||
| 5B | 8 | 5 | 5.3 | 4 | 0.8 | 8 | 2.8 | 2.7 | 2.6 | 8.3 | 13.9 | 19.4 | 5.6 | ||
| 6B | 9.525 | 6.35 | 6.2 | 4.8 | 1 | 10 | 5.3 | 5.2 | 5.0 | 15.4 | 25.6 | 35.6 | 10.2 | ||
| 8B | 12.70 | 8.51 | 8.4 | 6.4 | 1.3 | 13 | 7.2 | 7.0 | 6.8 | 21.0 | 34.9 | 48.5 | 13.9 | ||
| 10B | 15.88 | 10.16 | 10.2 | 7.9 | 1.6 | 16 | 9.1 | 9.0 | 9.0 | 25.6 | 42.2 | 58.8 | 16.6 | ||
| 12B | 19.05 | 12.07 | 11.2 | 9.5 | 2 | 19 | 11.1 | 10.8 | 10.9 | 30.4 | 49.9 | 69.4 | 19.5 | ||
| 16B | 25.40 | 15.88 | 14.6 | 12.7 | 2.5 | 26 | 16.2 | 15.8 | 15.8 | 47.7 | 79.6 | 111.5 | 30.9 | ||
| 20B | 31.75 | 19.05 | 18.0 | 15.9 | 3.5 | 32 | 18.5 | 18.2 | 18.2 | 54.6 | 91.0 | 127.5 | 36.5 | ||
| 24B | 38.10 | 25.40 | 22.4 | 19.1 | 4 | 38 | 24.1 | 23.6 | 23.6 | 72.0 | 120.3 | 168.7 | 48.4 | ||
| 28B | 44.45 | 27.94 | 24.9 | 22.2 | 5 | 44 | 29.4 | 28.8 | 28.8 | 88.4 | 148.0 | 207.6 | 59.6 | ||
| 32B | 50.80 | 29.21 | 28.2 | 25.4 | 6 | 51 | 29.4 | 28.8 | 28.8 | 87.4 | 146.0 | 204.6 | 58.6 | ||
| 40B | 63.50 | 39.37 | 34.9 | 31.8 | 8 | 64 | 36.2 | 35.4 | 35.4 | 107.7 | 180.0 | 252.3 | 72.3 | ||
| 48B | 76.20 | 48.26 | 41.8 | 38.1 | 9 | 76 | 43.3 | 42.5 | 42.5 | 133.7 | 224.9 | 316.1 | 91.2 | ||
| 56B | 88.90 | 53.98 | 50.2 | 44.5 | 11 | 89 | 50.7 | 49.6 | 49.6 | 156.2 | 262.8 | 369.4 | 106.6 | ||
| 64B | 101.60 | 63.50 | 57.8 | 50.8 | 13 | 102 | 57.9 | 56.7 | 56.7 | 176.6 | 296.5 | 416.4 | 119.9 | ||
| 72B | 114.30 | 72.39 | 66.0 | 57.2 | 15 | 114 | 65.2 | 63.8 | 63.8 | 200.1 | 336.4 | 472.7 | 136.3 | ||
鏈輪的安裝要求:
1、根據規范精確選用傳動鏈輪類型。
2、按精確方法將主、從動鏈輪設備到位,且擰緊緊固件使其到達規矩力矩懇求。
3、裝上傳動鏈條并調整好松緊度后,檢查鏈條與鏈輪配合是不是順利、共面,且與鏈罩無干與。
4、檢查設備傳動鏈輪的方位(變速器輸出副軸、輪轂等)情況是不是杰出,否則須維修或更換有關件。
鏈輪使用過程中的注意事項:
1、從動鏈輪應有防松方法與措施。
2、鏈輪和鏈條最好一起更換,若只更換其中之一,會加劇兩頭的磨損。
3、要守時地清洗及光滑傳動鏈條、傳動鏈輪,以前進其運用壽命。
4、從動鏈輪裝車后,應使用調節器和后搖架刻線將后輪軸調正,這么既可避免后輪跑偏,也能避免鏈輪與鏈條的早期磨損。
公司名稱:上海邁動機電設備有限公司
公司地址:上海青浦工業區崧海路98號
郵政編碼:201703
公司電話:021-54422420
公司傳真:021-54422420-801
郵箱:shmidon@126.com
戶名:上海邁動機電設備有限公司
稅號:310112660703692
開戶行:工行上海莘莊支行
賬號:1001140209007024765
電話:021-54422420 54422402
傳真:021-54422420-801
地址:上海莘莊工業園區申富路128號(開票)
地址:上海青浦工業園區崧海路98號(收貨地址)
上海邁動機電設備有限公司提供17%的增值稅發票;
品質100%保證,讓你更放心使用。