86-021-54422420 13818829143
86-021-54422402 17701898099
All products
聯軸器 Coupling
傳動輪 Pulley
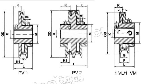
脹套 Lock
絲桿導軌 ScrewGuide
離合制動器 Clutch
傳動器 Actuators
皮帶 Belt
電機 Motor
軸承 Bearing



可調式皮帶輪可以調節轉速快慢、調節載功率大小,廣泛應用于:風機、空調、鋼鐵、汽車、冶金、造船、石化、電力、水利、紡織、電子、食品、制藥等行業。
使用優勢:
1、安裝/拆卸只需1支英制內六角扳手,無需其它任何專用工具,方便快捷(只需約1分鐘便可完成)。
2、皮帶輪和錐套的分離,使得軸孔的改變只需改變錐套的孔徑,增加了產品通用性,大大降低了產品的庫存種類和成本。
3、其傳動的可靠性,在全球,特別是國外發達國家的普遍使用中得到充分證明。
4、允許較寬的軸徑公差:+0.05mm~-0.125mm(0.002”~-0.005”)。
5、輕/中輕程度負載允許無鍵傳動。
6、嚴格按照國際標準DIN2211生產,所有產品經平衡測試及表面防銹處理


公司名稱:上海邁動機電設備有限公司
公司地址:上海青浦工業區崧海路98號
郵政編碼:201703
公司電話:021-54422420
公司傳真:021-54422420-801
郵箱:shmidon@126.com
戶名:上海邁動機電設備有限公司
稅號:310112660703692
開戶行:工行上海莘莊支行
賬號:1001140209007024765
電話:021-54422420 54422402
傳真:021-54422420-801
地址:上海莘莊工業園區申富路128號(開票)
地址:上海青浦工業園區崧海路98號(收貨地址)
上海邁動機電設備有限公司提供17%的增值稅發票;
品質100%保證,讓你更放心使用。
ADD:上海邁動機電設備有限公司 備案號:滬ICP備15037005
TEL:86-021-54422420,021-544227902 ,021-54422402 MB:13818829143,17701898099