電磁離合制動器是一種組合式多功能產品,主要用于機械傳動系統中,可在主動部分運轉情況下,對負載實現起動和制動兩種功能,還可配上專用的電源控制裝置,對負載實現高精度起、停、控制,廣泛用于要求精度定位的各種機械、印刷機械、包裝機械及膠合板生產線等設備。" />
86-021-54422420 13818829143
86-021-54422402 17701898099
All products
聯軸器 Coupling
傳動輪 Pulley
脹套 Lock
絲桿導軌 ScrewGuide
離合制動器 Clutch
傳動器 Actuators
皮帶 Belt
電機 Motor
軸承 Bearing

DLZ6 電磁離合制動器
主要用途:電磁離合制動器是一種組合式多功能產品,主要用于機械傳動系統中,可在主動部分運轉情況下,對負載實現起動和制動兩種功能,還可配上專用的電源控制裝置,對負載實現高精度起、停、控制,廣泛用于要求精度定位的各種機械、印刷機械、包裝機械及膠合板生產線等設備。
㈡、離合制動器在下列條件下能可靠工作:
1、離合制動器安裝地點海拔不超過2000m.;
2、周圍環境溫度-5℃~+40℃;
3、周圍介質中無爆炸危險,且無足以腐蝕金屬和破壞絕緣的氣體及導電塵埃;
4、離合制動器線圈電壓波動不超過+5%和-15%額定電壓;
5、在干式條件下工作。
㈢、安裝:
1、離合制動器組合安裝前不需要調整;
2、安裝時應保證輸入、輸出同軸度不大于0.1mm;
3、底座應固定牢固。
主要性能參數
規格 | 額定動力矩N.m | 靜力矩N.m | 額定電壓D.C.V | 線圈消耗功率(20℃)W | 允許最高轉速r/min | |||
離合器 | 制動器 | 離合器 | 制動器 | 離合器 | 制動器 | |||
2 | 20 | 20 | 22 | 22 | 24 | 20 | 20 | 4000 |
4 | 40 | 40 | 45 | 45 | 25 | 25 | 4000 | |
8 | 80 | 80 | 90 | 90 | 36 | 38 | 4000 | |

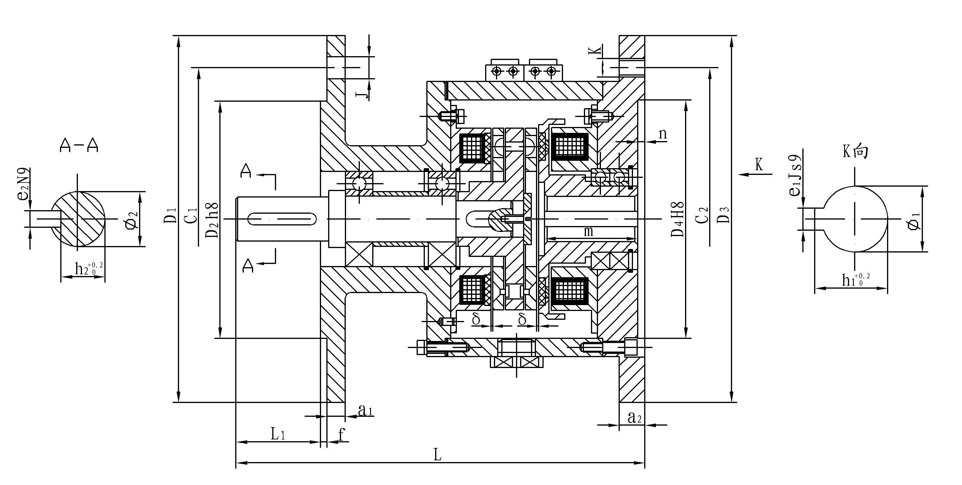
外形與安裝尺寸
規格 | D1 | D2 | D3 | D4 | C1 | C2 | J | K | L | L1 | f | a1 | a2 | m | n | φ1 | h1 | e1 | φ2 | h2 | e2 | δ |
1 | 200 | 130 | 200 | 130 | 165 | 165 | 4-φ12 | 4-M10 | 185 | 40 | 3.5 | 10 | 13 | 49 | 4 | 19 | 21.8 | 6 | 19 | 15.5 | 6 | 0.2 |
2 | 200 | 130 | 200 | 130 | 165 | 165 | 4-φ11 | 4-M10 | 217.5 | 50 | 3.5 | 10 | 14 | 52 | 4 | 24H7 | 27.3 | 8 | 24h6 | 20 | 8 | 0.2 |
4 | 250 | 180 | 250 | 180 | 215 | 215 | 4-φ15 | 4-M12 | 257 | 60 | 4 | 15 | 20 | 65 | 5 | 28H8 | 1.3 | 8 | 28h7 | 24 | 8 | 0.3 |
8 | 250 | 180 | 250 | 180 | 215 | 215 | 4-φ15 | 4-M12 | 292 | 60 | 4 | 20 | 25 | 59.5 | 5 | 28H8 | 31.3 | 8 | 28h7 | 24 | 8 | 0.4 |

公司名稱:上海邁動機電設備有限公司
公司地址:上海青浦工業區崧海路98號
郵政編碼:201703
公司電話:021-54422420
公司傳真:021-54422420-801
郵箱:shmidon@126.com
戶名:上海邁動機電設備有限公司
稅號:310112660703692
開戶行:工行上海莘莊支行
賬號:1001140209007024765
電話:021-54422420 54422402
傳真:021-54422420-801
地址:上海莘莊工業園區申富路128號(開票)
地址:上海青浦工業園區崧海路98號(收貨地址)
上海邁動機電設備有限公司提供17%的增值稅發票;
品質100%保證,讓你更放心使用。
ADD:上海邁動機電設備有限公司 備案號:滬ICP備15037005
TEL:86-021-54422420,021-544227902 ,021-54422402 MB:13818829143,17701898099