過載能力:短時過載下仍能穩定工作,部分設計具備扭矩限制功能,防止機械系統損壞。
穩定性:采用高摩擦系數材料(如燒結金屬或陶瓷復合材料),確保高溫、油污等惡劣條件下仍能穩定傳遞扭矩。" />
86-021-54422420 13818829143
86-021-54422402 17701898099
All products
聯軸器 Coupling
傳動輪 Pulley
脹套 Lock
絲桿導軌 ScrewGuide
離合制動器 Clutch
傳動器 Actuators
皮帶 Belt
電機 Motor
軸承 Bearing

DLM2-D 大扭力磨擦式電磁離合器,DLM2-D大扭力多片式電磁離合器
DLM2大扭力電磁離合器作為高扭矩傳遞的核心部件,其特性可系統歸納如下:
1. 高扭矩容量,大扭矩輸出:專為重載場景設計,扭矩范圍通常在數百至數千牛米(具體數值需參考廠商數據),適用于工程機械、重型車輛等高負載設備。
過載能力:短時過載下仍能穩定工作,部分設計具備扭矩限制功能,防止機械系統損壞。
穩定性:采用高摩擦系數材料(如燒結金屬或陶瓷復合材料),確保高溫、油污等惡劣條件下仍能穩定傳遞扭矩。
2. 快速響應與控制精度,毫秒級響應:優化電磁線圈設計(如低電感繞組),接合/分離時間可控制在數十毫秒內,提升設備動態性能。
精準控制:支持PWM或模擬信號輸入,可線性調節扭矩輸出,適配自動化控制系統需求。
低慣量設計:轉子結構輕量化,減少啟停時的能量損耗,提升響應速度。
3. 高效散熱與熱管理,冷卻系統:集成強制風冷、液冷通道或散熱鰭片,有效降低工作溫度(例如連續工作溫度上限可達120°C以上)。
耐高溫材料:電樞與摩擦片采用耐高溫合金或復合材料,避免熱衰退導致的扭矩衰減。
熱保護機制:可選配溫度傳感器,實時監控并觸發過熱保護,延長使用壽命。



| 規格 Size | 額定動力矩 Rated DynamicTorque N.m | 額定靜力矩 Rated Static Torque N.m | 接通時間 Engagement Time (≤)S | 斷開時間 Disengagement Time (≤)S | 額定電壓 Ratsd Voltage D.C.V | 線圈功率 Coil Consumption (20°C)W | 最高轉數 Max Revolutions r.p.m | 重量 weight kg |
| DLM2-63D | 630 | 700 | 0.4 | 0.12 | 24/96 | 70 | 1750 | 44 |
| DLM2-100D | 1000 | 1100 | 0.5 | 0.15 | 79 | 1600 | 63 | |
| DLM2-160D | 1600 | 1760 | 0.7 | 0.18 | 93 | 1350 | 88 | |
| DLM2-250D | 2500 | 2750 | 0.9 | 0.22 | 110 | 1200 | 124 | |
| DLM2-400D | 4000 | 4400 | 1.1 | 0.26 | 123 | 1000 | 184 | |
| DLM2-630D | 6300 | 6900 | 1.3 | 0.30 | 154 | 800 | 270 | |
| DLM2-1000D | 10000 | 11000 | 1.5 | 0.35 | 185 | 600 | 390 | |
| DLM2-1600D | 16000 | 17600 | 1.8 | 0.40 | 235 | 400 | 641 | |
| DLM2-2500D | 25000 | 27500 | 2.1 | 0.46 | 287 | 200 | 865 |
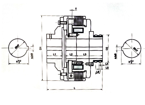
| 規格 Size | 徑向尺寸 Radial Demensions | 軸向尺寸 Axial Demensions | |||||||||||
| D1 | D2 | Φ | h | e | L | L1 | L2 | L3 | L4 | L5 | L6 | δ | |
| DLM2-63D | 235 | 100 | 70 | 74.9 | 20 | 226 | 85 | 25 | 102 | 12 | 10 | 24 | 0.6 |
| DLM2-100D | 270 | 120 | 70 | 74.9 | 20 | 242 | 90 | 28 | 110 | 12 | 10 | 24 | 0.7 |
| DLM2-160D | 310 | 145 | 75 | 81.1 | 20 | 290 | 100 | 30 | 132 | 12 | 10 | 24 | 0.8 |
| DLM2-250D | 360 | 160 | 100 | 106.4 | 28 | 298 | 110 | 37 | 135 | 16 | 12 | 32 | 0.9 |
| DLM2-400D | 420 | 170 | 120 | 127.4 | 28 | 350 | 140 | 40 | 154 | 16 | 12 | 32 | 1 |
| DLM2-630D | 485 | 180 | 120 | 127.4 | 32 | 410 | 170 | 45 | 175 | 16 | 12 | 32 | 1.1 |
| DLM2-1000D | 580 | 220 | 130 | 137.4 | 32 | 480 | 210 | 50 | 200 | 16 | 12 | 32 | 1.2 |
| DLM2-1600D | 690 | 250 | 140 | 148.4 | 36 | 540 | 240 | 60 | 220 | 16 | 12 | 32 | 1.3 |
| DLM2-2500D | 850 | 195 | 170 | 179.4 | 40 | 550 | 220 | 80 | 240 | 16 | 12 | 32 | 1.4 |
公司名稱:上海邁動機電設備有限公司
公司地址:上海青浦工業區崧海路98號
郵政編碼:201703
公司電話:021-54422420
公司傳真:021-54422420-801
郵箱:shmidon@126.com
戶名:上海邁動機電設備有限公司
稅號:310112660703692
開戶行:工行上海莘莊支行
賬號:1001140209007024765
電話:021-54422420 54422402
傳真:021-54422420-801
地址:上海莘莊工業園區申富路128號(開票)
地址:上海青浦工業園區崧海路98號(收貨地址)
上海邁動機電設備有限公司提供17%的增值稅發票;
品質100%保證,讓你更放心使用。
ADD:上海邁動機電設備有限公司 備案號:滬ICP備15037005
TEL:86-021-54422420,021-544227902 ,021-54422402 MB:13818829143,17701898099