86-021-54422420 13818829143
86-021-54422402 17701898099
All products
聯軸器 Coupling
傳動輪 Pulley
脹套 Lock
絲桿導軌 ScrewGuide
離合制動器 Clutch
傳動器 Actuators
皮帶 Belt
電機 Motor
軸承 Bearing

MSB永磁聯軸器,永磁同步輪聯軸器,永磁非接觸式密封聯軸器,非金屬隔離罩營造真空的永磁聯軸器,耐高溫聯軸器,圓筒式永磁聯軸器,
永磁聯軸器工作原理:它是一種利用永磁體南北極相互吸引或永磁體和電磁線圈之間的相互發生磁場引力作用,實現互相非接觸式隔空傳遞力矩的裝置。


永磁聯軸器工作詳解:
1. 永磁體產生磁場:永磁聯軸器內部強大的永磁體,通過自身產生的磁場,形成穩定的磁力相牽引力,相互作的主動和從動關系的工作環境。
2. 電線圈產生磁場:在永磁體附近安裝有一個電磁線圈,通上電流后,線圈會產生一個磁場。
3. 磁場交互作用:當電磁線圈產生的磁場與永磁體產生的磁場相互作用時,會發生磁場引力的相互作用。
通過調節電磁線圈的電流大小,來控制電磁場的強度,從而調節永磁聯軸器的引力的大小效果。這種原理具有可調節的扭矩輸出特性,叫可調永磁聯軸器,下不詳述,參看邁動工業其它永磁產品。 類:MINEX SC
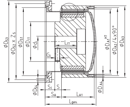
規格 TYPLE | 扭矩Nm | 內磁轉子 | 隔離套 | 外磁轉子 | 通用件 | 可選部件 | |||||||||||||||||||
| 孔徑d1 | D11 | L11 | S1 | G1 | DS1 | DS2 | DS3 | DS4 | ZS | DA1 | DA2 | DA3 | DA4 | LA1 | DS | DS6 | DA5 | L totel | LH | d3 | DK | ||||
| 最少 | 最大 | 最少 | 最大 | ||||||||||||||||||||||
| MSB75/10 | 10 | 12 | 28 | 45 | 39.5 | 4 | 46.5 | M6 | 75 | 100 | 118 | 9 | 8 | 90 | 100 | 110 | M6 | 41 | 12.5 | 74.6 | 76.2 | 102 | |||
| MSB75/20 | 24 | 58 | 26.5 | 61 | |||||||||||||||||||||
| MSB75/30 | 40 | 80 | 6 | 63.5 | 14.5 | ||||||||||||||||||||
| MSB110/16 | 25 | 14 | 55 | 72 | 45 | 4 | 51 | M8 | 110 | 133 | 153 | 9 | 12 | 126 | 135 | 145 | M6 | 41 | 19 | 111.5 | 112.8 | 115 | |||
| MSB110/26 | 60 | 65 | 31 | 61 | |||||||||||||||||||||
| MSB110/36 | 95 | 85 | 11 | 81 | |||||||||||||||||||||
| MSB135/20 | 100 | 20 | 70 | 90 | 65 | 4 | 46.5 | M10 | 135 | 158 | 178 | 9 | 16 | 150 | 160 | 170 | M6 | 70 | 18.5 | 136.5 | 138.2 | 139 | |||
| MSB135/40 | 145 | 85 | 26.5 | 90 | |||||||||||||||||||||
| MSB135/60 | 200 | 110 | 7 | 110 | 22 | ||||||||||||||||||||
| MSB165/24 | 210 | 24 | 90 | 110 | 85 | 6 | 66.5 | M12 | 163.5 | 192 | 218 | 11 | 12 | 180 | 188 | 198 | M6 | 90 | 18.5 | 167 | 168.5 | 170 | |||
| MSB165/44 | 285 | 110 | 41 | 110 | 21 | ||||||||||||||||||||
| MSB165/64 | 370 | 130 | 22 | 130 | |||||||||||||||||||||
| MSB200/30 | 430 | 38 | 90 | 130 | 135 | 6 | 18 | M16 | 200 | 252 | 278 | 11 | 12 | 212 | 222 | 232 | M6 | 130 | 26 | 198 | 199.5 | 180 | |||
| MSB200/60 | 550 | ||||||||||||||||||||||||
| MSB250/38 | 670 | 38 | 90 | 165 | 115 | / | 7 | M16 | 255 | 285 | 315 | 13.5 | 12 | 267 | 277 | 287 | M6 | 110 | 26 | 253 | 255 | 183 | |||
| MSB250/68 | 820 | 135 | 26 | 130 | |||||||||||||||||||||
| MSB250/98 | 1000 | 155 | 46 | 150 | |||||||||||||||||||||
應用場景:非接觸式-密閉容器,隔空傳力,---攪拌設備

實驗設備:真空密閉非接觸情況下傳遞動力:
可以變通軸左右,上下傳遞的方式,作為非觸密封永磁聯軸器,如下圖實驗室密封營造真空負壓的永磁聯軸器,白色圓錐用于錐塞瓶口,密閉和真空抽取作用。
1、非接觸密閉聯接:

2、上下垂直密封,非接觸聯接—常用于實驗室,化學工業生產,攪拌加工,動力傳遞。

破碎機永磁聯軸器上的應用:
原來應用通用彈性聯軸器,沒有安全扭力保護功能如圖:

現在改用永磁軸向聯軸器或永磁徑向聯軸器MBS都可滿足扭力傳遞和過載保護性能,免維護,減少因過載機耗損失。


公司名稱:上海邁動機電設備有限公司
公司地址:上海青浦工業區崧海路98號
郵政編碼:201703
公司電話:021-54422420
公司傳真:021-54422420-801
郵箱:shmidon@126.com
戶名:上海邁動機電設備有限公司
稅號:310112660703692
開戶行:工行上海莘莊支行
賬號:1001140209007024765
電話:021-54422420 54422402
傳真:021-54422420-801
地址:上海莘莊工業園區申富路128號(開票)
地址:上海青浦工業園區崧海路98號(收貨地址)
上海邁動機電設備有限公司提供17%的增值稅發票;
品質100%保證,讓你更放心使用。
ADD:上海邁動機電設備有限公司 備案號:滬ICP備15037005
TEL:86-021-54422420,021-544227902 ,021-54422402 MB:13818829143,17701898099