86-021-54422420 13818829143
86-021-54422402 17701898099



鏈輪:帶嵌齒式扣鏈齒的輪子,用以與節鏈環或纜索上節距準確的塊體相嚙合一種實心或帶輻條的齒輪,與(滾子)鏈嚙合以傳遞運動。
鏈輪的特性:可適合長時間大扭力下工作,傳遞性能穩定。易安裝,好維護和方便潤滑。
鏈輪的應用:被廣泛應用于化工、紡織機械、食品加工、儀表儀器、石油等行業的機械傳動等。
| 美標60系列鏈輪 | 美標80系列鏈輪 | |||||||||||||||
| 節距(Pitch)=19.05(mm) | 節距(Pitch)=25.4(mm) | |||||||||||||||
| 齒數Teeth | 外徑O.D | 節徑P.D | B型凸臺Hub | 最大孔徑 | 重量 W.t | 齒數Teeth | 外徑O.D | 節徑P.D | B型凸臺Hub | 最大孔徑 | 重量 W.t | |||||
| 轂徑H | 輪厚L | Bore Max | B型. Kg | A型. Kg | 轂徑H | 輪厚L | Bore Max | B型. Kg | A型. Kg | |||||||
| 8 | 57 | 49.78 | 26 | 32 | 14 | 0.23 | 0.22 | 9 | 85 | 74.27 | 58 | 40 | 35 | 0.87 | 0.51 | |
| 9 | 63 | 55.7 | 43 | 32 | 25 | 0.40 | 0.24 | 10 | 93 | 82.19 | 52 | 40 | 32 | 1.02 | 0.60 | |
| 10 | 70 | 61.65 | 49 | 32 | 30 | 0.49 | 0.27 | 11 | 102 | 90.15 | 60 | 40 | 38 | 1.25 | 0.73 | |
| 11 | 76 | 67.62 | 51 | 32 | 32 | 0.60 | 0.30 | 12 | 110 | 98.14 | 67 | 40 | 45 | 1.60 | 0.85 | |
| 12 | 83 | 73.6 | 51 | 32 | 35 | 0.69 | 0.38 | 13 | 118 | 106.14 | 77 | 40 | 51 | 1.90 | 1.00 | |
| 13 | 89 | 79.6 | 57 | 32 | 40 | 0.81 | 0.45 | 14 | 127 | 114.15 | 77 | 40 | 51 | 2.15 | 1.16 | |
| 14 | 95 | 85.61 | 62 | 32 | 45 | 0.96 | 0.50 | 15 | 135 | 122.17 | 93 | 40 | 63 | 2.30 | 1.30 | |
| 15 | 101 | 91.62 | 68 | 32 | 48 | 1.10 | 0.60 | 16 | 143 | 130.2 | 93 | 40 | 63 | 2.50 | 1.50 | |
| 16 | 107 | 97.65 | 73 | 32 | 48 | 1.30 | 0.65 | 17 | 151 | 138.23 | 93 | 40 | 63 | 2.95 | 1.70 | |
| 17 | 113 | 103.67 | 73 | 32 | 55 | 1.40 | 0.75 | 18 | 159 | 146.27 | 93 | 40 | 63 | 3.15 | 1.90 | |
| 18 | 119 | 109.71 | 83 | 40 | 55 | 2.00 | 0.84 | 19 | 167 | 154.32 | 93 | 40 | 63 | 3.40 | 2.10 | |
| 19 | 126 | 115.74 | 83 | 40 | 55 | 2.10 | 0.93 | 20 | 176 | 162.37 | 93 | 40 | 63 | 3.60 | 2.35 | |
| 20 | 132 | 121.78 | 83 | 40 | 55 | 2.20 | 1.05 | 21 | 184 | 170.42 | 93 | 40 | 63 | 3.85 | 2.57 | |
| 21 | 138 | 127.82 | 83 | 40 | 55 | 2.30 | 1.15 | 22 | 192 | 178.48 | 107 | 45 | 75 | 5.00 | 2.82 | |
| 22 | 144 | 133.86 | 83 | 40 | 55 | 2.50 | 1.25 | 23 | 200 | 186.54 | 107 | 45 | 75 | 5.23 | 3.10 | |
| 23 | 150 | 139.9 | 83 | 40 | 55 | 2.50 | 1.40 | 24 | 208 | 194.6 | 107 | 45 | 75 | 5.50 | 3.35 | |
| 24 | 156 | 145.95 | 83 | 40 | 55 | 2.60 | 1.50 | 25 | 216 | 202.66 | 107 | 45 | 75 | 5.80 | 3.65 | |
| 25 | 162 | 151.99 | 83 | 40 | 55 | 2.70 | 1.62 | 26 | 224 | 210.72 | 107 | 45 | 75 | 6.10 | 3.95 | |
| 26 | 168 | 158.04 | 83 | 40 | 55 | 2.90 | 1.78 | 27 | 233 | 218.79 | 107 | 45 | 75 | 6.40 | 4.25 | |
| 27 | 174 | 164.09 | 83 | 40 | 55 | 3.00 | 1.90 | 28 | 241 | 226.86 | 107 | 45 | 75 | 6.75 | 4.60 | |
| 28 | 180 | 170.14 | 83 | 40 | 55 | 3.10 | 2.05 | 29 | 249 | 234.93 | 107 | 45 | 75 | 7.10 | 4.93 | |
| 29 | 187 | 176.2 | 83 | 40 | 55 | 3.30 | 2.20 | 30 | 257 | 243 | 107 | 45 | 75 | 7.40 | 5.30 | |
| 30 | 193 | 182.25 | 83 | 40 | 55 | 3.40 | 2.35 | 31 | 265 | 251.07 | 107 | 45 | 75 | 7.80 | 5.63 | |
| 31 | 199 | 188.3 | 83 | 40 | 55 | 3.64 | 2.50 | 32 | 273 | 259.14 | 107 | 45 | 75 | 8.15 | 6.00 | |
| 32 | 205 | 194.35 | 83 | 40 | 55 | 3.80 | 2.68 | 33 | 281 | 267.21 | 107 | 45 | 75 | 8.50 | 6.40 | |
| 33 | 211 | 200.41 | 83 | 40 | 55 | 4.00 | 2.85 | 34 | 289 | 275.29 | 107 | 45 | 75 | 8.90 | 6.80 | |
| 34 | 217 | 206.46 | 83 | 40 | 55 | 4.15 | 3.02 | 35 | 297 | 283.36 | 107 | 45 | 75 | 9.30 | 7.20 | |
| 35 | 223 | 212.52 | 83 | 40 | 55 | 4.33 | 3.12 | 36 | 306 | 291.43 | 117 | 50 | 80 | 10.60 | 7.60 | |
| 36 | 229 | 218.57 | 83 | 40 | 55 | 4.52 | 3.40 | 37 | 314 | 299.51 | 117 | 50 | 80 | 11.00 | 8.00 | |
| 37 | 235 | 224.63 | 83 | 40 | 55 | 4.70 | 3.60 | 38 | 322 | 307.58 | 117 | 50 | 80 | 11.40 | 8.50 | |
| 38 | 241 | 230.69 | 83 | 40 | 55 | 4.90 | 3.80 | 39 | 330 | 315.66 | 117 | 50 | 80 | 11.90 | 8.90 | |
| 39 | 247 | 236.74 | 83 | 40 | 55 | 5.10 | 4.00 | 40 | 338 | 323.74 | 117 | 50 | 80 | 12.40 | 9.40 | |
| 40 | 253 | 242.8 | 83 | 40 | 55 | 5.30 | 4.20 | 41 | 346 | 331.81 | 117 | 50 | 80 | 12.80 | 9.90 | |
| 42 | 266 | 254.92 | 93 | 45 | 63 | 6.40 | 4.63 | 42 | 354 | 339.89 | 117 | 50 | 80 | 13.30 | 10.30 | |
| 43 | 272 | 260.98 | 93 | 45 | 63 | 6.60 | 4.85 | 43 | 362 | 347.97 | 117 | 50 | 80 | 13.80 | 10.80 | |
| 44 | 278 | 267.03 | 93 | 45 | 63 | 6.88 | 5.10 | 44 | 370 | 356.04 | 117 | 50 | 80 | 14.30 | 11.40 | |
| 45 | 284 | 273.09 | 93 | 45 | 63 | 7.10 | 5.30 | 45 | 378 | 364.12 | 117 | 50 | 80 | 14.90 | 11.90 | |
| 48 | 302 | 291.27 | 93 | 45 | 63 | 7.85 | 6.10 | 48 | 403 | 388.36 | 117 | 50 | 80 | 15.80 | 13.50 | |
| 60 | 375 | 363.99 | 93 | 45 | 63 | 11.30 | 9.50 | 49 | 411 | 396.44 | 117 | 50 | 80 | 17.60 | 14.08 | |
| 64 | 399 | 388.24 | 93 | 45 | 63 | 12.50 | 10.60 | 54 | 451 | 436.84 | 117 | 50 | 80 | 20.00 | 17.10 | |
| 65 | 405 | 394.3 | 107 | 45 | 75 | 13.50 | 11.20 | 60 | 500 | 485.33 | 117 | 50 | 80 | 23.10 | 21.10 | |
| 70 | 436 | 424.61 | 107 | 45 | 75 | 15.30 | 13.00 | 64 | 532 | 517.65 | 127 | 63 | 89 | 27.20 | 24.05 | |
| 72 | 448 | 436.73 | 107 | 45 | 75 | 16.40 | 13.70 | 65 | 540 | 525.73 | 127 | 63 | 89 | 29.40 | 24.80 | |
| 75 | 466 | 454.92 | 107 | 45 | 75 | 17.20 | 14.90 | 66 | 548 | 533.82 | 127 | 63 | 89 | 30.30 | 25.58 | |
| 80 | 496 | 485.23 | 117 | 50 | 75 | 20.00 | 16.90 | 70 | 581 | 566.15 | 127 | 63 | 89 | 32.10 | 28.80 | |
| 85 | 527 | 515.54 | 117 | 50 | 75 | 22.30 | 19.01 | 75 | 621 | 606.56 | 127 | 63 | 89 | 36.20 | 33.10 | |
| 90 | 557 | 545.85 | 117 | 50 | 75 | 24.60 | 21.40 | 80 | 662 | 646.97 | 137 | 71 | 95 | 42.90 | 37.60 | |
| 84 | 694 | 679.31 | 137 | 71 | 100 | 46.30 | 41.50 | |||||||||
| 90 | 743 | 727.8 | 137 | 71 | 100 | 53.40 | 47.60 | |||||||||


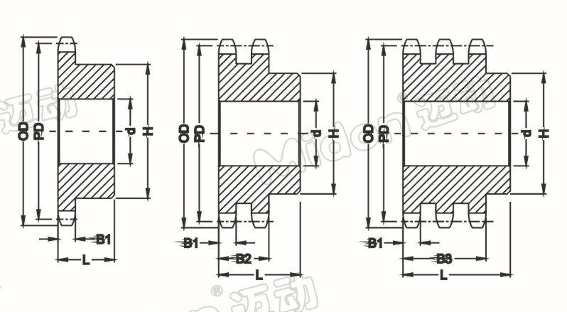
| 鏈輪排齒參數(美標、歐標) | |||||||||||||||
| 美標 | |||||||||||||||
| 鏈輪號 | 節距 | 滾子直徑 | 齒節高 | 倒角高 | 倒角寬 | 弧半徑 | 齒厚(1~4排) | 齒幅(2~3排) | 齒幅(4排) | 排距 | |||||
| SPROCKET NO: | pitch | Roller Dia | h | A | C | R | T1 | T2/T3 | T4 | B2 | B3 | B2 | B3 | B4 | Pt |
| 25 | 6.35 | 3.30 | 4.0 | 3.2 | 0.8 | 6.8 | 2.8 | 2.7 | 2.4 | 9.1 | 15.3 | 8.8 | 15.2 | 21.6 | 6.4 |
| 35 | 9.525 | 5.80 | 5.0 | 4.8 | 1.2 | 10.2 | 4.3 | 4.1 | 3.8 | 14.2 | 24.4 | 13.9 | 24 | 34.1 | 10.1 |
| 41 | 12.70 | 7.77 | 7.0 | 7.0 | 1.1 | 19.2 | 2.8 | 一 | 一 | 一 | 一 | 一 | 一 | 一 | 一 |
| 40 | 12.70 | 7.92 | 7.0 | 6.4 | 1.6 | 13.5 | 7.2 | 7.0 | 6.5 | 21.4 | 35.8 | 20.9 | 35.3 | 49.7 | 14.4 |
| 50 | 15.875 | 10.16 | 10.3 | 7.9 | 2.0 | 16.9 | 8.7 | 8.4 | 7.9 | 26.5 | 44.6 | 26 | 44.1 | 62.2 | 18.1 |
| 60 | 19.05 | 11.91 | 11.8 | 9.5 | 2.4 | 20.3 | 11.7 | 11.3 | 10.6 | 34.1 | 56.9 | 33.4 | 56.2 | 79.0 | 7.0 |
| 80 | 25.40 | 15.88 | 15.5 | 12.7 | 3.2 | 27.0 | 14.5 | 14.1 | 13.1 | 43.4 | 72.7 | 42.6 | 71.9 | 101.2 | 29.3 |
| 100 | 31.75 | 19.05 | 19.2 | 15.9 | 4.0 | 33.8 | 17.5 | 17.0 | 16.0 | 52.8 | 88.6 | 51.8 | 87.6 | 123.4 | 35.8 |
| 120 | 38.10 | 22.22 | 23.0 | 19.1 | 4.8 | 40.5 | 23.5 | 22.7 | 21.5 | 68.1 | 113.5 | 66.9 | 112.3 | 157.7 | 45.4 |
| 140 | 44.45 | 25.40 | 27.0 | 22.2 | 5.6 | 47.2 | 23.5 | 22.7 | 21.5 | 71.6 | 120.5 | 70.4 | 119.3 | 168.3 | 48.9 |
| 160 | 50.80 | 28.58 | 31.6 | 25.4 | 6.4 | 54.0 | 29.3 | 28.4 | 27.0 | 86.9 | 145.4 | 85.5 | 144 | 202.5 | 58.5 |
| 180 | 57.15 | 35.71 | 36.8 | 28.5 | 7.2 | 61.0 | 33.1 | 32.0 | 30.4 | 97.8 | 163.6 | 96.2 | 162 | 227.8 | 65.8 |
| 200 | 63.50 | 39.67 | 39.6 | 31.8 | 7.9 | 67.5 | 35.5 | 34.1 | 32.5 | 105.7 | 177.3 | 104.1 | 175.7 | 247.3 | 71.6 |
| 240 | 76.20 | 47.62 | 48.5 | 38.1 | 9.5 | 81.0 | 44.1 | 42.7 | 40.7 | 130.5 | 218.3 | 128.5 | 216.3 | 304.1 | 87.8 |
| 歐標(A、B系列鏈輪主要參數) | |||||||||||||||
| 鏈輪號 | 節距 | 滾子直徑 | 齒節高 | 倒角高 | 倒角寬 | 弧半徑 | 齒厚(1~4排) | 齒幅(2~4排) | 排距 | ||||||
| SPROCKET NO: | pitch | Roller Dia | h | A | C | R | T1 | T2/T3 | T4 | B2 | B3 | B4 | Pt | ||
| 4B | 6 | 4 | 4.1 | 3 | 0.6 | 6 | 2.6 | 2.5 | 2.4 | 一 | 一 | 一 | 一 | ||
| 5B | 8 | 5 | 5.3 | 4 | 0.8 | 8 | 2.8 | 2.7 | 2.6 | 8.3 | 13.9 | 19.4 | 5.6 | ||
| 6B | 9.525 | 6.35 | 6.2 | 4.8 | 1 | 10 | 5.3 | 5.2 | 5.0 | 15.4 | 25.6 | 35.6 | 10.2 | ||
| 8B | 12.70 | 8.51 | 8.4 | 6.4 | 1.3 | 13 | 7.2 | 7.0 | 6.8 | 21.0 | 34.9 | 48.5 | 13.9 | ||
| 10B | 15.88 | 10.16 | 10.2 | 7.9 | 1.6 | 16 | 9.1 | 9.0 | 9.0 | 25.6 | 42.2 | 58.8 | 16.6 | ||
| 12B | 19.05 | 12.07 | 11.2 | 9.5 | 2 | 19 | 11.1 | 10.8 | 10.9 | 30.4 | 49.9 | 69.4 | 19.5 | ||
| 16B | 25.40 | 15.88 | 14.6 | 12.7 | 2.5 | 26 | 16.2 | 15.8 | 15.8 | 47.7 | 79.6 | 111.5 | 30.9 | ||
| 20B | 31.75 | 19.05 | 18.0 | 15.9 | 3.5 | 32 | 18.5 | 18.2 | 18.2 | 54.6 | 91.0 | 127.5 | 36.5 | ||
| 24B | 38.10 | 25.40 | 22.4 | 19.1 | 4 | 38 | 24.1 | 23.6 | 23.6 | 72.0 | 120.3 | 168.7 | 48.4 | ||
| 28B | 44.45 | 27.94 | 24.9 | 22.2 | 5 | 44 | 29.4 | 28.8 | 28.8 | 88.4 | 148.0 | 207.6 | 59.6 | ||
| 32B | 50.80 | 29.21 | 28.2 | 25.4 | 6 | 51 | 29.4 | 28.8 | 28.8 | 87.4 | 146.0 | 204.6 | 58.6 | ||
| 40B | 63.50 | 39.37 | 34.9 | 31.8 | 8 | 64 | 36.2 | 35.4 | 35.4 | 107.7 | 180.0 | 252.3 | 72.3 | ||
| 48B | 76.20 | 48.26 | 41.8 | 38.1 | 9 | 76 | 43.3 | 42.5 | 42.5 | 133.7 | 224.9 | 316.1 | 91.2 | ||
| 56B | 88.90 | 53.98 | 50.2 | 44.5 | 11 | 89 | 50.7 | 49.6 | 49.6 | 156.2 | 262.8 | 369.4 | 106.6 | ||
| 64B | 101.60 | 63.50 | 57.8 | 50.8 | 13 | 102 | 57.9 | 56.7 | 56.7 | 176.6 | 296.5 | 416.4 | 119.9 | ||
| 72B | 114.30 | 72.39 | 66.0 | 57.2 | 15 | 114 | 65.2 | 63.8 | 63.8 | 200.1 | 336.4 | 472.7 | 136.3 | ||
鏈輪的安裝要求:
1、根據規范精確選用傳動鏈輪類型。
2、按精確方法將主、從動鏈輪設備到位,且擰緊緊固件使其到達規矩力矩懇求。
3、裝上傳動鏈條并調整好松緊度后,檢查鏈條與鏈輪配合是不是順利、共面,且與鏈罩無干與。
4、檢查設備傳動鏈輪的方位(變速器輸出副軸、輪轂等)情況是不是杰出,否則須維修或更換有關件。
鏈輪使用過程中的注意事項:
1、從動鏈輪應有防松方法與措施。
2、鏈輪和鏈條最好一起更換,若只更換其中之一,會加劇兩頭的磨損。
3、要守時地清洗及光滑傳動鏈條、傳動鏈輪,以前進其運用壽命。
4、從動鏈輪裝車后,應使用調節器和后搖架刻線將后輪軸調正,這么既可避免后輪跑偏,也能避免鏈輪與鏈條的早期磨損。
公司名稱:上海邁動機電設備有限公司
公司地址:上海青浦工業區崧海路98號
郵政編碼:201703
公司電話:021-54422420
公司傳真:021-54422420-801
郵箱:shmidon@126.com
戶名:上海邁動機電設備有限公司
稅號:310112660703692
開戶行:工行上海莘莊支行
賬號:1001140209007024765
電話:021-54422420 54422402
傳真:021-54422420-801
地址:上海莘莊工業園區申富路128號(開票)
地址:上海青浦工業園區崧海路98號(收貨地址)
上海邁動機電設備有限公司提供17%的增值稅發票;
品質100%保證,讓你更放心使用。