86-021-54422420 13818829143
86-021-54422402 17701898099
All products
聯軸器 Coupling
傳動輪 Pulley
脹套 Lock
絲桿導軌 ScrewGuide
離合制動器 Clutch
傳動器 Actuators
皮帶 Belt
電機 Motor
軸承 Bearing

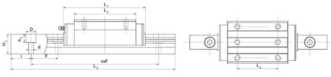
LK滾珠寬形法蘭形直線導軌,LZ滾珠窄形四方形直線導軌,GK滾柱重載寬形法蘭形直線導軌,GZ滾柱重載窄形四方形直線導軌--邁動工業匠工研造。



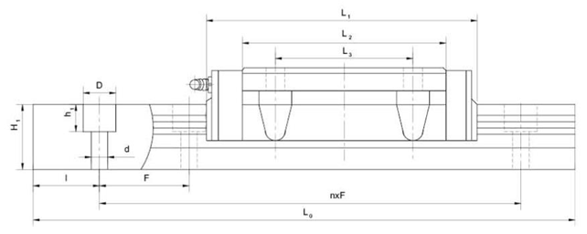
LK 邁動工業--滾珠寬形法蘭形直線導軌
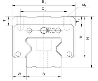
型號 Model | 裝配后 組合尺寸 Assembled dimension | 導軌尺寸 Gail dimension | 滑塊尺寸 Slode dimension | 額定載荷 Rated load | 額定靜力矩 Rated static torque(M.m) | |||||||||||||||||||
| H | W | B | H1 | l | F | Lomax | d×D×h1 | B1 | K | T | T1 | C1 | M1 | ¢ | C2 | L1 | L2 | L3 | C | CO | MA | MB | MC | |
| LK15 | 24 | 16 | 15 | 15 | 20 | 60 | 1500 | 4.5×7.5×5.3 | 47 | 19.4 | 7 | 11 | 4.5 | M5 | 4.5 | 38 | 57 | 38.8 | 30 | 8.71 | 14.5 | 70 | 70 | 112 |
| LK20 | 30 | 21.5 | 20 | 18 | 20 | 60 | 2000 | 6×9.5×8.5 | 63 | 25 | 10 | 10 | 5 | M6 | 6 | 53 | 74 | 50.8 | 40 | 13.6 | 22.7 | 112 | 112 | 186 |
| LK20C | 90 | 66.8 | 18.2 | 30.3 | 1635 | 1635 | 278 | |||||||||||||||||
| LK25 | 36 | 23.5 | 23 | 22 | 20 | 60 | 3000 | 7×11×9 | 70 | 29.5 | 12 | 16 | 6.5 | M8 | 6.7 | 57 | 90 | 59 | 45 | 19.6 | 32.6 | 170 | 170 | 280 |
| LK25C | 109 | 78 | 26.1 | 43.6 | 318 | 318 | 522 | |||||||||||||||||
| LK30 | 42 | 31 | 28 | 26 | 20 | 80 | 9×14×12 | 90 | 34 | 10 | 18 | 9 | M10 | 9 | 72 | 97 | 70 | 52 | 27.6 | 34.4 | 311.3 | 311.3 | 546 | |
| LK30C | 119 | 92 | 33.4 | 45.8 | 560 | 560 | 745.2 | |||||||||||||||||
| LK35 | 48 | 33 | 34 | 29 | 20 | 80 | 9×14×12 | 100 | 39 | 13 | 21 | 9 | M10 | 9 | 82 | 110 | 80.5 | 62 | 34.8 | 58 | 536 | 536 | 869 | |
| LK35C | 135 | 105.8 | 46.5 | 77.4 | 810 | 810 | 1300 | |||||||||||||||||
| LK45 | 62 | 37.5 | 45 | 38 | 25 | 100 | 14×20×17 | 120 | 51 | 15 | 25 | 10 | M12 | 11 | 100 | 139 | 102 | 80 | 54.4 | 90.7 | 1100 | 1100 | 1882 | |
| LK45C | 167 | 130 | 72.6 | 121 | 1560 | 1560 | 2665 | |||||||||||||||||
| LK55 | 70 | 43.5 | 53 | 44 | 30 | 120 | 16×23×20 | 140 | 57 | 20 | 29 | 12 | M14 | 14 | 116 | 161 | 118 | 95 | 78.4 | 131 | 1547 | 1547 | 2580 | |
| LK55C | 199 | 156 | 105.1 | 174 | 2649 | 2649 | 3950 | |||||||||||||||||
| LK65 | 90 | 53.5 | 63 | 53 | 35 | 150 | 18×26×22 | 170 | 76 | 23 | 37 | 14.0 | M16 | 16 | 142 | 195 | 147 | 110 | 128 | 213 | 3690 | 3690 | 5540 | |
| LK65C | 255 | 207 | 186 | 309 | 5460 | 5460 | 8788 | |||||||||||||||||



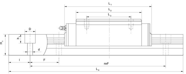
LZ 邁動工業--滾珠窄形四方形直線導軌 (四方向等載荷,安裝孔為螺孔)
| 型號 Model | 組合后尺寸 Assembled dimension | 導軌尺寸 Gail dimension | 滑塊尺寸 Slode dimension | 額定載荷 Rated load | 額定靜力矩 Rate static torque(M.m) | ||||||||||||||||||
| H | W | B | H1 | l | F | Lomax | d×D×h1 | B1 | K | T | C1 | M1 | h2 | C2 | L1 | L2 | L3 | C | CO | MA | MB | MC | |
| LZ15 | 28 | 9.5 | 15 | 15 | 20 | 60 | 1500 | 4.5×7.5×5.3 | 34 | 23.4 | 6 | 4.0 | M4 | 5 | 26 | 57 | 38.8 | 26 | 8.7 | 14.5 | 70 | 70 | 112 |
| LZ20 | 30 | 12 | 20 | 18 | 20 | 60 | 2000 | 6×9.5×8.5 | 44 | 25 | 8 | 6 | M5 | 6 | 32 | 74 | 50.8 | 36 | 14 | 22.7 | 112 | 112 | 186 |
| LZ20C | 90 | 66.8 | 50 | 18 | 30.3 | 1635 | 1635 | 278 | |||||||||||||||
| LZ25 | 40 | 12.5 | 23 | 22 | 20 | 60 | 3000 | 7×11×9 | 48 | 33.5 | 8 | 6.5 | M6 | 8 | 35 | 90 | 59 | 35 | 20 | 32.6 | 170 | 170 | 280 |
| LZ25C | 109 | 78 | 50 | 26 | 43.6 | 318 | 318 | 522 | |||||||||||||||
| LZ30 | 45 | 16 | 28 | 26 | 20 | 80 | 9×14×12 | 60 | 37 | 8 | 10 | M8 | 10 | 40 | 97 | 70 | 40 | 28 | 34.4 | 311.3 | 311.3 | 546 | |
| LZ30C | 119 | 92 | 60 | 33 | 45.8 | 560 | 560 | 745.2 | |||||||||||||||
| LZ35 | 55 | 18 | 34 | 29 | 20 | 80 | 9×14×12 | 70 | 46 | 10 | 10 | M8 | 12 | 50 | 110 | 80.5 | 50 | 35 | 58 | 536 | 536 | 869 | |
| LZ35C | 135 | 105.8 | 72 | 47 | 77.4 | 810 | 810 | 1300 | |||||||||||||||
| LZ45 | 70 | 20.5 | 45 | 38 | 25 | 100 | 14×20×17 | 86 | 59 | 15 | 13 | M10 | 17 | 60 | 139 | 102 | 60 | 54 | 90.7 | 1100 | 1100 | 1882 | |
| LZ45C | 167 | 130 | 80 | 73 | 121 | 1560 | 1560 | 2665 | |||||||||||||||
| LZ55 | 80 | 23.5 | 53 | 44 | 30 | 120 | 16×23×20 | 100 | 67 | 18 | 12.5 | M12 | 18 | 75 | 161 | 118 | 75 | 78 | 131 | 1547 | 1547 | 2580 | |
| LZ55C | 199 | 156 | 95 | 105 | 174 | 2649 | 2649 | 3950 | |||||||||||||||
| LZ65 | 90 | 31.5 | 63 | 53 | 35 | 150 | 18×26×22 | 126 | 76 | 20 | 25 | M16 | 20 | 76 | 195 | 147 | 70 | 128 | 213 | 3690 | 3690 | 5540 | |
| LZ65C | 255 | 207 | 120 | 186 | 309 | 5460 | 5460 | 8788 | |||||||||||||||



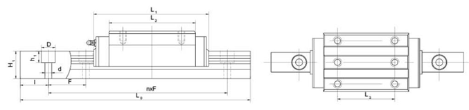
GK 邁動工業--滾柱 重載 寬形法蘭形直線導軌(有的公司叫W形)
| 型號 Model | 組合后尺寸 Assembled dimension | 導軌尺寸 Gail dimension | 滑塊尺寸 Slode dimension | 額定載荷 Rated load | 額定靜力矩 Rate static torque(M.m) | ||||||||||||||||||
| H | W | B | H1 | l | F | Lomax | d×D×h1 | B1 | K | T | T2 | T1 | M1 | C2 | L1 | L2 | L3 | C | CO | MA | MB | MC | |
| GK35 | 48 | 33 | 34 | 32 | 20 | 40 | 3000 | 9×14×12 | 100 | 40 | 16 | 23 | 12 | M10 | 82 | 109 | 80 | 62 | 52 | 93.4 | 1189 | 1189 | 20089 |
| GK35C | 136 | 103 | 72 | 128.5 | 2214 | 2214 | 2762 | ||||||||||||||||
| GK45 | 60 | 37.5 | 45 | 40 | 25 | 50 | 14×20×17 | 120 | 50.0 | 22 | 30.5 | 15 | M12 | 100 | 138 | 100 | 80 | 93 | 167.5 | 2790 | 2790 | 4621 | |
| GK45C | 173 | 135 | 128 | 229.5 | 5161 | 5161 | 6333 | ||||||||||||||||
| GK55 | 70 | 43.5 | 53 | 48 | 30 | 60 | 16×23×20 | 140 | 57 | 24 | 34.5 | 18 | M14 | 116 | 174 | 120 | 95 | 132 | 237 | 4738 | 4738 | 7771 | |
| GK55C | 216 | 162 | 181 | 324 | 8745 | 8745 | 10624 | ||||||||||||||||
| GK65 | 90 | 53.5 | 63 | 58 | 37.5 | 75 | 18×26×22 | 170 | 76 | 36 | 51 | 23 | M16 | 142 | 251 | 201 | 110 | 295 | 530 | 17930 | 17930 | 20912 | |
border="1" cellspacing="0" cellpadding="0" width="1600" x:str="" style="width: 1000px;">
GZ 邁動工業--滾柱 重載 窄型 直線導軌 (有的公司叫H形)



| 型號 Model | 組合后尺寸 Assembled dimension | 導軌尺寸 Gail dimension | 滑塊尺寸 Slode dimension | 額定載荷 Rated load | 額定靜力矩 Rated static torque(M.m) | |||||||||||||||||
| H | W | B | H1 | l | F | Lomax | d×D×h1 | B1 | K | T | T1 | M1 | C2 | L1 | L2 | L3 | C | CO | MA | MB | MC | |
| GZ35 | 55 | 18 | 34 | 32 | 20 | 40 | 3000 | 9×14×12 | 70 | 47 | 8 | 12 | M8 | 50 | 109 | 80 | 50 | 52 | 93 | 1189 | 1189 | 20089 |
| GZ35C | 136 | 103 | 72 | 71.5 | 129 | 2214 | 2214 | 2762 | ||||||||||||||
| GZ45 | 70 | 20.5 | 45 | 40 | 25 | 50 | 14×20×17 | 86 | 60 | 10 | 18 | M10 | 60 | 138 | 100 | 60 | 93.4 | 168 | 2790 | 2790 | 4621 | |
| GZ45C | 173 | 135 | 80 | 127.8 | 230 | 5161 | 5161 | 6333 | ||||||||||||||
| GZ55 | 80 | 23.5 | 53 | 48 | 30 | 60 | 16×23×20 | 100 | 67 | 12 | 19 | M12 | 75 | 174 | 120 | 75 | 131.9 | 237 | 4738 | 4738 | 7771 | |
| GZ55C | 216 | 162 | 95 | 180.5 | 324 | 8745 | 8745 | 10624 | ||||||||||||||
| GZ65 | 90 | 31.5 | 63 | 58 | 37.5 | 75 | 18×26×22 | 126 | 76 | 15 | 20 | M16 | 76 | 251 | 201 | 110 | 295 | 530 | 17930 | 17930 | ||
公司名稱:上海邁動機電設備有限公司
公司地址:上海青浦工業區崧海路98號
郵政編碼:201703
公司電話:021-54422420
公司傳真:021-54422420-801
郵箱:shmidon@126.com
戶名:上海邁動機電設備有限公司
稅號:310112660703692
開戶行:工行上海莘莊支行
賬號:1001140209007024765
電話:021-54422420 54422402
傳真:021-54422420-801
地址:上海莘莊工業園區申富路128號(開票)
地址:上海青浦工業園區崧海路98號(收貨地址)
上海邁動機電設備有限公司提供17%的增值稅發票;
品質100%保證,讓你更放心使用。
ADD:上海邁動機電設備有限公司 備案號:滬ICP備15037005
TEL:86-021-54422420,021-544227902 ,021-54422402 MB:13818829143,17701898099