86-021-54422420 13818829143
86-021-54422402 17701898099
All products
聯軸器 Coupling
傳動輪 Pulley
脹套 Lock
絲桿導軌 ScrewGuide
離合制動器 Clutch
傳動器 Actuators
皮帶 Belt
電機 Motor
軸承 Bearing

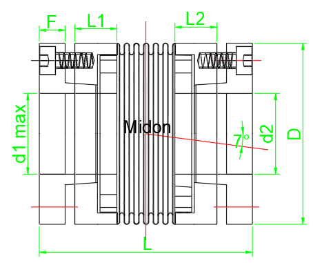
G2 高速聯軸器 BKC高速聯軸器 High speed coupling(規格:15-500)


特點:
高速可以達到:80000~30000轉的高測試設備使用。
雙側無隙夾漲緊精密軸向結構,易安裝
只用于空音受限的安裝環境工況下。
設計:
左右雙漲緊軸套結構,高同軸度安裝到彈性波紋管上。
可承1.5倍的過載負荷。
具有破壞性的保護功能。
材料:航空鋁,膜片:SUS304
| 型號 | 扭矩 | 最大 轉速 | 總長 | 外徑 | 配合長 | 最大孔 | 螺絲 | 鎖緊力 | 螺邊厚 | 緊 孔邊距 | 慣量 | 抗 扭鋼性 | 軸向 允差 | 徑向 允差 | 角向 偏差 | 軸向 彈性 | 徑向 彈性 | 重量 |
| TYPLE | n.m | R | L | D | L1/L2 | d | M | n.m | F | V | Kgm2 | nm/rad | n.m | n.m | o | N/MM | N/MM | KG |
| 15G2 | 15 | 80000 | 48 | 49 | 16.5 | 28 | M5 | 8 | 8 | 2 | 0.05 | 23 | 1 | 0.2 | 1 | 30 | 315 | 0.13 |
| 30G2 | 30 | 70000 | 60 | 56 | 24 | 32 | M6 | 15 | 8 | 3 | 0.1 | 31 | 1 | 0.2 | 1 | 50 | 366 | 0.21 |
| 60G2 | 60 | 60000 | 67 | 66 | 23 | 35 | M8 | 40 | 12 | 4 | 0.26 | 72 | 1.5 | 0.2 | 1 | 67 | 679 | 0.37 |
| 150G2 | 150 | 50000 | 78 | 82 | 27.5 | 42 | M10 | 75 | 14 | 4 | 0.65 | 141 | 2 | 0.2 | 1 | 77 | 960 | 0.72 |
| 300G2 | 300 | 40000 | 94 | 110 | 34 | 60 | M12 | 120 | 18 | 5 | 6.3 | 157 | 2 | 0.2 | 1 | 112 | 2940 | 3.26 |
| 500G2 | 500 | 30000 | 100 | 123 | 34 | 75 | M12 | 125 | 18 | 6 | 9 | 290 | 2.5 | 0.2 | 1 | 72 | 2200 | 3.52 |




公司名稱:上海邁動機電設備有限公司
公司地址:上海青浦工業區崧海路98號
郵政編碼:201703
公司電話:021-54422420
公司傳真:021-54422420-801
郵箱:shmidon@126.com
戶名:上海邁動機電設備有限公司
稅號:310112660703692
開戶行:工行上海莘莊支行
賬號:1001140209007024765
電話:021-54422420 54422402
傳真:021-54422420-801
地址:上海莘莊工業園區申富路128號(開票)
地址:上海青浦工業園區崧海路98號(收貨地址)
上海邁動機電設備有限公司提供17%的增值稅發票;
品質100%保證,讓你更放心使用。
ADD:上海邁動機電設備有限公司 備案號:滬ICP備15037005
TEL:86-021-54422420,021-544227902 ,021-54422402 MB:13818829143,17701898099