86-021-54422420 13818829143
86-021-54422402 17701898099
All products
聯軸器 Coupling
傳動輪 Pulley
脹套 Lock
絲桿導軌 ScrewGuide
離合制動器 Clutch
傳動器 Actuators
皮帶 Belt
電機 Motor
軸承 Bearing

JM膜片聯軸器,單膜聯軸器-邁動工業匠工研造,品質精堪,100%保障。


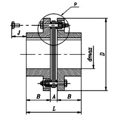
原理:JM型膜片聯軸器,邁動工業是由SUS304不銹鋼膜片,精密加工成連桿鏈片式和不同弧線形狀的整片式疊組面匯成有彈性,耐疲勞,耐高溫的撓性聯軸器,它靠膜片的彈性變形來補償所聯兩軸端,在機械動力運動中產生的角向,徑向相和軸向相對位移,是一種高性能的最優金屬強元件聯軸器之一。
常用:適用于高溫、高速、有腐蝕介質工況環境的軸系傳動中,風機,空壓機,真空機,機床,礦山,冶金工業。
特性:邁動工業JM膜片聯軸器優異特性:
不用潤油,結構較緊湊,強度高,使用壽命長。
無旋轉間隙,不受溫度和油 污影響。
具有耐酸、耐堿,耐腐蝕,耐用,耐溫,耐凍的特點,
JM型膜片聯軸器具體參數如下:邁動工業JM型膜片聯軸器基本參數和主要尺寸 mm (JB/T 9147-1999)
| 型 號 | 公稱轉矩 | 最大轉矩 | 轉速 | 外徑 | 軸孔直徑 | 軸孔長度 L | 臺徑 | 間隙 | 扭轉剛度 | 慣量 | 質量 | |
| Typle | Tn/n.m | Tn.max | r/min max | D | d1, d2 | L推薦 | J1型 Y型 | d1 | t | ×10 | kg.㎡ | kg |
| JM1 | 40 | 63 | 10700 | 80 | 14-28 | 35 | 27-62 | 39 | 8±0.2 | 0.37 | 0.0005 | 0.9 |
| JM2 | 63 | 100 | 9300 | 92 | 20-38 | 40 | 38-82 | 53 | 0.45 | 0.0011 | 1.4 | |
| JM3 | 100 | 200 | 8400 | 102 | 25-45 | 45 | 44-112 | 63 | 0.56 | 0.002 | 2.1 | |
| JM4 | 250 | 400 | 6700 | 128 | 30-55 | 55 | 60-112 | 77 | 11±0.3 | 0.81 | 0.006 | 4.2 |
| JM5 | 500 | 800 | 5900 | 145 | 35-65 | 65 | 60-142 | 91 | 1.2 | 0.012 | 6.4 | |
| JM6 | 800 | 1250 | 5100 | 168 | 40-75 | 75 | 84-142 | 105 | 14±0.3 | 1.42 | 0.024 | 9.6 |
| JM7 | 1000 | 2000 | 4750 | 180 | 45-80 | 80 | 84-172 | 112 | 15±0.4 | 1.9 | 0.0365 | 12.5 |
| JM8 | 1600 | 3150 | 4300 | 200 | 50-85 | 80 | 84-172 | 120 | 2.35 | 0.057 | 15.5 | |
| JM9 | 2500 | 4000 | 4200 | 205 | 55-85 | 80 | 84-172 | 120 | 20±0.4 | 2.7 | 0.065 | 16.5 |
| JM10 | 3150 | 5000 | 4000 | 215 | 55-90 | 90 | 84-172 | 128 | 3.02 | 0.083 | 19.5 | |
| JM11 | 4000 | 6300 | 3650 | 235 | 60-95 | 100 | 107-172 | 132 | 23±0.5 | 3.46 | 0.131 | 25 |
| JM12 | 5000 | 8000 | 3400 | 250 | 60-100 | 100 | 107-212 | 145 | 3.67 | 0.174 | 30 | |
| JM13 | 6300 | 10000 | 3200 | 270 | 63-110 | 110 | 107-212 | 155 | 5.2 | 0.239 | 36 | |
| JM14 | 8000 | 12500 | 2850 | 300 | 65-110 | 115 | 107-212 | 162 | 27±0.6 | 7.8 | 0.38 | 45 |
| JM15 | 10000 | 16000 | 2700 | 320 | 70-125 | 125 | 107-212 | 176 | 8.43 | 0.5 | 55 | |
| JM16 | 12500 | 20000 | 2450 | 350 | 75-130 | 140 | 107-252 | 186 | 32±0.7 | 10.23 | 0.85 | 75 |
| JM17 | 16000 | 25000 | 2300 | 370 | 80-140 | 145 | 132-252 | 203 | 10.97 | 1.1 | 85 | |
| JM18 | 20000 | 31500 | 2150 | 400 | 90-160 | 165 | 132-302 | 230 | 13.07 | 1.65 | 115 | |
| JM19 | 25000 | 40000 | 1950 | 440 | 100-170 | 175 | 167-302 | 245 | 38±0.9 | 14.26 | 2.69 | 150 |
| JM20 | 31500 | 50000 | 1850 | 460 | 110-180 | 185 | 167-302 | 260 | 22.13 | 3.28 | 170 | |
| JM21 | 35500 | 56000 | 1800 | 480 | 120-200 | 200 | 167-282 | 280 | 23.7 | 4.28 | 200 | |
| JM22 | 40000 | 63000 | 1700 | 500 | 130-200 | 210 | 202-352 | 295 | 24.6 | 5.18 | 230 | |
| JM23 | 50000 | 80000 | 1600 | 540 | 140-220 | 220 | 202-352 | 310 | 44±1 | 29.71 | 7.7 | 275 |
| JM24 | 63000 | 100000 | 1450 | 600 | 150-240 | 240 | 202-410 | 335 | 50±1.2 | 32.64 | 9.3 | 380 |
| JM25 | 80000 | 125000 | 1400 | 620 | 160-250 | 255 | 242-352 | 350 | 50±1.2 | 37.69 | 15.3 | 410 |
| JM26 | 90000 | 140000 | 1300 | 660 | 180-260 | 275 | 242-410 | 385 | 50.43 | 20.9 | 510 | |
| JM27 | 112000 | 180000 | 1200 | 720 | 190-280 | 295 | 282-470 | 410 | 60±1.4 | 71.51 | 32.4 | 620 |
| JM28 | 140000 | 200000 | 1150 | 740 | 220-300 | 300 | 282-470 | 420 | 93.37 | 36 | 680 | |
| JM29 | 160000 | 224000 | 1100 | 770 | 240-320 | 320 | 330-470 | 450 | 114.53 | 43.9 | 780 | |
| JM30 | 180000 | 280000 | 1050 | 820 | 250-340 | 350 | 330-550 | 490 | 130.76 | 60.5 | 950 | |
公司名稱:上海邁動機電設備有限公司
公司地址:上海青浦工業區崧海路98號
郵政編碼:201703
公司電話:021-54422420
公司傳真:021-54422420-801
郵箱:shmidon@126.com
戶名:上海邁動機電設備有限公司
稅號:310112660703692
開戶行:工行上海莘莊支行
賬號:1001140209007024765
電話:021-54422420 54422402
傳真:021-54422420-801
地址:上海莘莊工業園區申富路128號(開票)
地址:上海青浦工業園區崧海路98號(收貨地址)
上海邁動機電設備有限公司提供17%的增值稅發票;
品質100%保證,讓你更放心使用。
ADD:上海邁動機電設備有限公司 備案號:滬ICP備15037005
TEL:86-021-54422420,021-544227902 ,021-54422402 MB:13818829143,17701898099