單片電磁離合器,只有一對摩擦片,它具有結構簡單、安裝方便、工作頻率高、動作靈敏、無空載力矩、噪音低等特點。廣泛用于印刷、造紙、包裝、醫療、紡織、建筑、船舶、辦公機械、計算機外圍設備、儀表、通訊等機械傳動系統中完成離合、換向、變速、制動、定位等功能。" />
86-021-54422420 13818829143
86-021-54422402 17701898099
All products
聯軸器 Coupling
傳動輪 Pulley
脹套 Lock
絲桿導軌 ScrewGuide
離合制動器 Clutch
傳動器 Actuators
皮帶 Belt
電機 Motor
軸承 Bearing

DDL3 單片電磁離合器, 經特殊質料和平衡工藝處理,可做成高速離合器,速度是原1.82倍。
㈠、主要用途:單片電磁離合器,只有一對摩擦片,它具有結構簡單、安裝方便、工作頻率高、動作靈敏、無空載力矩、噪音低等特點。廣泛用于印刷、造紙、包裝、醫療、紡織、建筑、船舶、辦公機械、計算機外圍設備、儀表、通訊等機械傳動系統中完成離合、換向、變速、制動、定位等功能。
㈡、單片電磁離合器、制動器在下列條件下可能可靠工作:
1、海拔高度不超過2000m;
2、周圍空氣溫度為-5℃~+40℃;
3、周圍介質中無爆炸危險且無足以腐蝕金屬和破壞絕緣的氣體及導電塵埃;
4、離合器、制動器線圈的供電電壓波動不超過+5%和-15%的額定電壓;
5、摩擦片應清潔無油污。
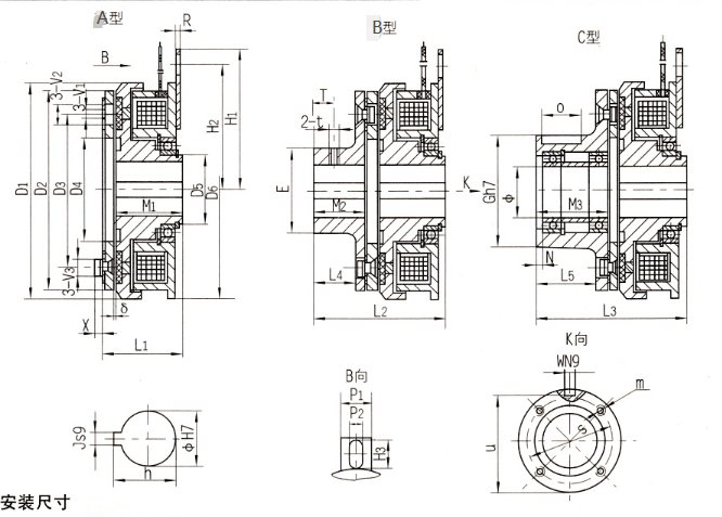
㈢、安裝:
1、安裝前,清潔摩擦面,使之保持無油污及雜物;
2、安裝時應軸向固定,如分軸安裝應保持同軸度為9級;
3、安裝時調整氣隙δ,使之達到表中規定值。
DDL3-1A單片電磁離合制動器



主要性能參數
規格 | 額定動力矩 N.m | 靜力矩 N.m | 額定電壓 D.C.V | 線圈消耗功率(20℃)W | 允許最高轉速 r/min |
DDL3-0.4 | 4 | 4.4 | 24 | — | 4000 |
DDL3-1 | 10 | 11 | 24 | 16 | 4000 |
DDL3-2 | 20 | 22 | 24 | 20 | 4000 |
DDL3-4 | 40 | 45 | 24 | 25 | 4000 |
DDL3-8 | 80 | 90 | 24 | 36 | 3000 |
DDL3-16 | 160 | 175 | 24 | 46 | 3000 |
DDL3-25 | 250 | 275 | 24 | 50 | 2000 |

外形與安裝尺寸
規格 | D1 | D2 | D3 | D4 | D5 | D6 | L1 | L2 | L3 | L4 | L5 | M1 | M2 | M3 | R | H1 | H2 | H3 |
DDL3-1A | 85 | 80 | 60 | 41.5 | 25 | 85 | 34.5 | 54.5 | 63.5 | 16 | 25 | 30 | 20 | 29 | 2 | 65 | 57 | 10.5 |
DDL3-2A | 106 | 100 | 76 | 51.5 | 30 | 106 | 39 | 64 | 74 | 20 | 30 | 33 | 25 | 35 | 2 | 70 | 62.5 | 11.5 |
DDL3-4A | 133 | 125 | 95 | 61.5 | 40 | 133 | 44.5 | 74.5 | 90.5 | 24 | 40 | 37.5 | 30 | 46 | 2 | 85 | 77 | 11.5 |
DDL3-8A | 169 | 160 | 120 | 79.5 | 55 | 169 | 50.5 | 88.5 | 107.5 | 31 | 50 | 41.5 | 38 | 57 | 3.2 | 112 | 100 | 18.5 |
DDL3-16A | 212.5 | 200 | 158 | 100 | 70 | 212.5 | 62 | 104 | 131 | 33 | 60 | 51 | 42 | 69 | 3.5 | 140 | 125 | 20 |
DDL3-25A | 253 | 241 | 185.5 | 120 | 85 | 253 | 70.5 | 120.5 | 147.5 | 38 | 65 | 58 | 50 | 77 | 4.5 | 156.5 | 141.5 | 24 |
規格 | P1 | P2 | V1 | V2 | V3 | X | E | T | t | G | O | N | S | U | W | m | φ | h | e | δ |
DDL3-1A | 16 | 5.5 | 4.1 | 8 | 7.5 | 2.8 | 31 | 8 | M5 | 45 | 15 | 2 | 37 | 42 | 5 | 3-M4深6 | 15 | 17.3 | 5 | 0.2 |
DDL3-2A | 16 | 6.5 | 5.1 | 10.5 | 9 | 3.8 | 41 | 10 | M5 | 55 | 20 | 3 | 47 | 51.5 | 6 | 4-M4深8 | 20 | 22.8 | 6 | 0.2 |
DDL3-4A | 16 | 6.5 | 6.1 | 12 | 11 | 5 | 49 | 12 | M6 | 64 | 30 | 3 | 52 | 60 | 8 | 4-M4深8 | 25 | 28.3 | 8 | 0.3 |
DDL3-8A | 25 | 8.5 | 8.1 | 15 | 14 | 6 | 65 | 15 | M8 | 75 | 35 | 3 | 62 | 71 | 8 | 6-M5深8 | 30 | 33.3 | 8 | 0.3 |
DDL3-16A | 25 | 8.5 | 10.2 | 20 | 18.5 | 8 | 83 | 16 | M8 | 100 | 45 | 4 | 84 | 94.5 | 14 | 6-M6深12 | 45 | 48.8 | 14 | 0.5 |
DDL3-25A | 30 | 12.5 | 10.2 | 20 | 18.5 | 8 | 100 | 18 | M10 | 110 | 50 | 6 | 100 | 104 | 16 | 6-M6深12 | 55 | 59.3 | 16 | 0.5 |
公司名稱:上海邁動機電設備有限公司
公司地址:上海青浦工業區崧海路98號
郵政編碼:201703
公司電話:021-54422420
公司傳真:021-54422420-801
郵箱:shmidon@126.com
戶名:上海邁動機電設備有限公司
稅號:310112660703692
開戶行:工行上海莘莊支行
賬號:1001140209007024765
電話:021-54422420 54422402
傳真:021-54422420-801
地址:上海莘莊工業園區申富路128號(開票)
地址:上海青浦工業園區崧海路98號(收貨地址)
上海邁動機電設備有限公司提供17%的增值稅發票;
品質100%保證,讓你更放心使用。
ADD:上海邁動機電設備有限公司 備案號:滬ICP備15037005
TEL:86-021-54422420,021-544227902 ,021-54422402 MB:13818829143,17701898099