86-021-54422420 13818829143
86-021-54422402 17701898099

F出口輪胎聯軸器,F輪胎聯軸器,FU輪胎聯軸器,輪胎彈性聯軸器


FU輪胎彈性聯軸器,F輪胎聯軸器是一種高彈性聯軸器,具有良好的減震緩沖和優越的軸間偏移補償性能,工作溫度—20~80攝氏度,轉遞轉矩10~20000N.M,適于潮濕、多塵、有沖擊、振動、正反轉多變和起動頻繁的工作條件,并全拆裝方便,因為彈性元件是一整體的輪胎體,拆裝維修方便、不需潤滑、耐久可靠。
| F 系列 邁動輪胎彈性聯軸器 | ||||||||||||||||||
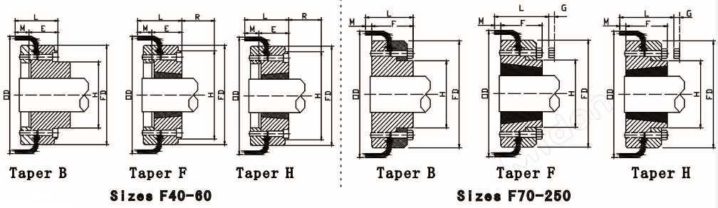
| part Number 產品型號 | Size 法蘭號 | Type 圖例 | Bush NO 錐套 | Max. Bore | Types F&H | Type B | ScrewoverKey | O.D外徑 | FD法蘭錐套 | H 轂徑 | F | G* | M* | Mass* (kg) 重量 | Inertia* (kgm*) | |||
| 最大孔 | L | E | R* | L | E | |||||||||||||
| F40B | F40 | B | 一 | 30 | 一 | 一 | 29 | 33 | 22 | M5 | 104 | 82 | 一 | 一 | 一 | 11 | 0.8 | 0.00074 |
| F40F | F40 | F | 1008 | 25 | 33 | 22 | 29 | 一 | 一 | 一 | 104 | 82 | 一 | 一 | 一 | 11 | 0.8 | 0.00074 |
| F40H | F40 | H | 1008 | 25 | 33 | 22 | 29 | 一 | 一 | 一 | 104 | 82 | 一 | 一 | 一 | 11 | 0.8 | 0.00074 |
| F50B | F50 | B | 一 | 38 | 一 | 一 | 38 | 45 | 32 | M5 | 133 | 100 | 79 | 一 | 一 | 12.5 | 1.2 | 0.00115 |
| F50F | F50 | F | 1210 | 32 | 37.5 | 25 | 38 | 一 | 一 | 一 | 133 | 100 | 79 | 一 | 一 | 12.5 | 1.2 | 0.00115 |
| F50H | F50 | H | 1210 | 32 | 37.5 | 25 | 38 | 一 | 一 | 一 | 133 | 100 | 79 | 一 | 一 | 12.5 | 1.2 | 0.00115 |
| F60B | F60 | B | 一 | 45 | 一 | 一 | 38 | 55 | 38 | M6 | 165 | 125 | 70 | 一 | 一 | 16.5 | 2.0 | 0.0052 |
| F60F | F60 | F | 1610 | 42 | 41.5 | 25 | 38 | 一 | 一 | 一 | 165 | 125 | 103 | 一 | 一 | 16.5 | 2.0 | 0.0052 |
| F60H | F60 | H | 1610 | 42 | 41.5 | 25 | 38 | 一 | 一 | 一 | 165 | 125 | 103 | 一 | 一 | 16.5 | 2.0 | 0.0052 |
| F70B | F70 | B | 一 | 50 | 一 | 一 | 一 | 47 | 35 | M10 | 187 | 142 | 80 | 50 | 13 | 11.5 | 3.1 | 0.009 |
| F70F | F70 | F | 2012 | 50 | 43.5 | 32 | 42 | 一 | 一 | 一 | 187 | 142 | 80 | 50 | 13 | 11.5 | 3.1 | 0.009 |
| F70H | F70 | H | 1610 | 42 | 36.5 | 25 | 38 | 一 | 一 | 一 | 187 | 142 | 80 | 50 | 13 | 11.5 | 3.0 | 0.009 |
| F80B | F80 | B | 一 | 63 | 一 | 一 | 一 | 55 | 42 | M10 | 211 | 165 | 98 | 54 | 16 | 12.5 | 4.9 | 0.018 |
| F80F | F80 | F | 2517 | 60 | 57.5 | 45 | 48 | 一 | 一 | 一 | 211 | 165 | 97 | 54 | 16 | 12.5 | 4.9 | 0.018 |
| F80H | F80 | H | 2012 | 50 | 44.5 | 32 | 32 | 一 | 一 | 一 | 211 | 165 | 98 | 54 | 16 | 12.5 | 4.6 | 0.017 |
| F90B | F90 | B | 一 | 75 | 一 | 一 | 一 | 62.5 | 49 | M12 | 235 | 187 | 112 | 60 | 16 | 13.5 | 7.1 | 0.032 |
| F90F | F90 | F | 2517 | 60 | 58.5 | 45 | 48 | 一 | 一 | 一 | 235 | 187 | 108 | 60 | 16 | 13.5 | 7.0 | 0.031 |
| F90H | F90 | H | 2517 | 60 | 58.8 | 45 | 48 | 一 | 一 | 一 | 235 | 187 | 108 | 60 | 16 | 13.5 | 7.0 | 0.031 |
| F100B | F100 | B | 一 | 80 | 一 | 一 | 一 | 69.5 | 56 | M12 | 254 | 214 | 125 | 62 | 16 | 13.5 | 9.9 | 0.055 |
| F100F | F100 | F | 3020 | 75 | 64.5 | 51 | 55 | 一 | 一 | 一 | 254 | 214 | 120 | 62 | 16 | 13.5 | 9.9 | 0.055 |
| F100H | F100 | H | 2517 | 60 | 58.5 | 45 | 48 | 一 | 一 | 一 | 254 | 214 | 113 | 62 | 16 | 13.5 | 9.4 | 0.054 |
| F110B | F110 | B | 一 | 90 | 一 | 一 | 一 | 75.5 | 63 | M12 | 279 | 232 | 128 | 62 | 16 | 12.5 | 12.5 | 0.081 |
| F110F | F110 | F | 3020 | 95 | 63.5 | 51 | 55 | 一 | 一 | 一 | 279 | 232 | 134 | 62 | 16 | 12.5 | 11.7 | 0.078 |
| F110H | F110 | H | 3020 | 75 | 63.5 | 51 | 55 | 一 | 一 | 一 | 279 | 232 | 134 | 62 | 16 | 12.5 | 11.7 | 0.078 |
| F120B | F120 | B | 一 | 100 | 一 | 一 | 一 | 84.5 | 70 | M16 | 314 | 262 | 143 | 67 | 16 | 14.5 | 16.9 | 0.137 |
| F120F | F120 | F | 3525 | 100 | 79.5 | 65 | 67 | 一 | 一 | 一 | 314 | 262 | 140 | 67 | 16 | 14.5 | 16.9 | 0.137 |
| F120H | F120 | H | 3020 | 75 | 65.5 | 51 | 55 | 一 | 一 | 一 | 314 | 262 | 140 | 67 | 16 | 14.5 | 15.9 | 0.13 |
| F140B | F140 | B | 一 | 125 | 一 | 一 | 一 | 110.5 | 94 | M20 | 359 | 312.5 | 180 | 73 | 17 | 16 | 22.2 | 0.254 |
| F140F | F140 | F | 3525 | 100 | 81 | 65 | 67 | 一 | 一 | 一 | 359 | 312.5 | 180 | 73 | 17 | 16 | 22.3 | 0.255 |
| F140H | F140 | H | 3525 | 100 | 81 | 65 | 67 | 一 | 一 | 一 | 402 | 312.5 | 180 | 73 | 17 | 16 | 22.3 | 0.255 |
| F160B | F160 | B | 一 | 140 | 一 | 一 | 一 | 117 | 102 | M20 | 402 | 348 | 197 | 78 | 19 | 15 | 35.8 | 0.469 |
| F160F | F160 | F | 4030 | 115 | 91 | 76 | 80 | 一 | 一 | 一 | 402 | 348 | 197 | 78 | 19 | 15 | 32.5 | 0.380 |
| F180B | F180 | B | 一 | 150 | 一 | 一 | 一 | 137 | 114 | M20 | 470 | 396 | 205 | 94 | 19 | 23 | 49.1 | 0.871 |
| F180F | F180 | F | 4536 | 125 | 112 | 89 | 89 | 一 | 一 | 一 | 470 | 396 | 205 | 94 | 19 | 23 | 42.2 | 0.847 |
| F180H | F180 | H | 4536 | 125 | 112 | 89 | 89 | 一 | 一 | 一 | 470 | 396 | 205 | 94 | 19 | 23 | 42.2 | 0.847 |
| F200B | F200 | B | 一 | 150 | 一 | 一 | 一 | 138 | 114 | M20 | 508 | 432 | 205 | 103 | 19 | 24 | 58.2 | 1.301 |
| F200F | F200 | F | 4535 | 125 | 113 | 89 | 89 | 一 | 一 | 一 | 508 | 432 | 205 | 103 | 19 | 24 | 53.6 | 1.281 |
| F200H | F200 | H | 4535 | 125 | 113 | 89 | 89 | 一 | 一 | 一 | 508 | 432 | 205 | 103 | 19 | 24 | 53.6 | 1.281 |
| F220B | F220 | B | 一 | 160 | 一 | 一 | 一 | 154.5 | 127 | M20 | 562 | 472 | 224 | 118 | 20 | 27.5 | 79.6 | 2.142 |
| F220F | F220 | F | 5040 | 125 | 129.5 | 102 | 92 | 一 | 一 | 一 | 562 | 472 | 224 | 118 | 20 | 27.5 | 72.0 | 1.104 |
| F220H | F220 | H | 5040 | 125 | 129.5 | 102 | 92 | 一 | 一 | 一 | 562 | 472 | 224 | 118 | 20 | 27.5 | 72.0 | 2.104 |
| F250B | F250 | F | 一 | 190 | 一 | 一 | 一 | 161.5 | 132 | M20 | 628 | 532 | 254 | 125 | 25 | 29.5 | 104.0 | 3.505 |
| Speed rev/min 速度轉/分 | SIZE COUPLING/聯軸器規格 | ||||||||||||||
| F40 | F50 | F60 | F70 | F80 | F90 | F100 | F110 | F120 | F140 | F160 | F180 | F200 | F220 | F250 | |
| 100 | 0.25 | 0.69 | 1.33 | 2.62 | 3.93 | 5.24 | 7.07 | 9.16 | 13.9 | 24.3 | 39.5 | 65.7 | 97.6 | 121 | 154 |
| 200 | 0.50 | 1.38 | 2.66 | 5.24 | 7.85 | 10.5 | 14.1 | 18.3 | 27.9 | 48.7 | 79.0 | 131 | 195 | 243 | 307 |
| 300 | 0.75 | 2.07 | 3.99 | 7.85 | 11.8 | 15.7 | 21.2 | 27.5 | 41.8 | 73.0 | 118 | 197 | 293 | 364 | 461 |
| 400 | 1.01 | 2.76 | 5.32 | 10.5 | 15.7 | 20.9 | 28.3 | 36.6 | 55.7 | 97.4 | 158 | 263 | 391 | 486 | 615 |
| 500 | 1.26 | 3.46 | 6.65 | 13.1 | 19.6 | 26.2 | 35.3 | 45.8 | 69.6 | 122 | 197 | 328 | 488 | 607 | 768 |
| 600 | 1.51 | 4.15 | 7.98 | 15.7 | 23.6 | 31.4 | 42.4 | 55.0 | 83.6 | 146 | 237 | 394 | 586 | 729 | 922 |
| 700 | 1.76 | 4.84 | 9.31 | 18.3 | 27.5 | 36.6 | 49.5 | 64.1 | 97.5 | 170 | 276 | 460 | 684 | 850 | 1076 |
| 720 | 1.81 | 4.98 | 9.57 | 18.8 | 28.3 | 37.7 | 50.9 | 66.0 | 100 | 175 | 284 | 473 | 703 | 875 | 1106 |
| 800 | 2.01 | 5.53 | 10.6 | 20.9 | 31.4 | 41.9 | 56.5 | 73.3 | 111 | 195 | 316 | 525 | 781 | 972 | 1229 |
| 900 | 2.26 | 6.22 | 12.0 | 23.6 | 35.3 | 47.1 | 63.6 | 82.5 | 125 | 219 | 355 | 591 | 879 | 1093 | 1383 |
| 960 | 2.41 | 6.63 | 12.8 | 25.1 | 37.7 | 50.3 | 67.9 | 88.0 | 134 | 234 | 379 | 630 | 937 | 1166 | 1475 |
| 1000 | 2.51 | 6.91 | 13.3 | 26.2 | 39.3 | 52.4 | 70.7 | 91.6 | 139 | 243 | 395 | 657 | 976 | 1215 | 1537 |
| 1200 | 3.02 | 8.29 | 16.0 | 31.4 | 47.1 | 62.8 | 84.8 | 110 | 167 | 292 | 474 | 788 | 1172 | ||
| 1400 | 3.52 | 9.68 | 18.6 | 36.6 | 55.0 | 73.3 | 99.0 | 128 | 195 | 341 | 553 | 919 | |||
| 1440 | 3.62 | 9.95 | 19.1 | 37.7 | 56.5 | 75.4 | 102 | 132 | 201 | 351 | 568 | 945 | |||
| 1600 | 4.02 | 11.1 | 21.3 | 41.9 | 62.8 | 83.8 | 113 | 147 | 223 | 390 | 632 | ||||
| 1800 | 4.52 | 12.4 | 23.9 | 47.1 | 70.7 | 94.2 | 127 | 165 | 251 | 438 | |||||
| 2000 | 5.03 | 13.8 | 26.6 | 52.4 | 78.5 | 105.5 | 141 | 183 | 279 | ||||||
| 2200 | 5.53 | 15.2 | 29.3 | 57.6 | 86.4 | 115 | 155 | 202 | |||||||
| 2400 | 6.03 | 16.6 | 31.9 | 62.8 | 94.2 | 126 | 170 | ||||||||
| 2600 | 6.53 | 18.0 | 34.6 | 68.1 | 102 | 136 | 184 | ||||||||
| 2800 | 7.04 | 19.4 | 37.2 | 73.3 | 110 | 147 | |||||||||
| 2880 | 7.24 | 19.9 | 38.3 | 75.4 | 113 | 151 | |||||||||
| 3000 | 7.54 | 20.7 | 39.9 | 78.5 | 118 | 157 | |||||||||
| 3600 | 9.05 | 24.9 | 47.9 | 94.2 | |||||||||||
| Nominal Torque(Nm) 額定扭矩(牛米) | 24 | 66 | 127 | 250 | 375 | 500 | 675 | 875 | 1330 | 2325 | 3770 | 6270 | 9325 | 11600 | 14675 |
| MAX Torque(Nm) 最大扭矩(牛米) | 64 | 160 | 318 | 487 | 759 | 1096 | 1517 | 2137 | 3547 | 5642 | 9339 | 16455 | 23508 | 33125 | 42740 |

公司名稱:上海邁動機電設備有限公司
公司地址:上海青浦工業區崧海路98號
郵政編碼:201703
公司電話:021-54422420
公司傳真:021-54422420-801
郵箱:shmidon@126.com
戶名:上海邁動機電設備有限公司
稅號:310112660703692
開戶行:工行上海莘莊支行
賬號:1001140209007024765
電話:021-54422420 54422402
傳真:021-54422420-801
地址:上海莘莊工業園區申富路128號(開票)
地址:上海青浦工業園區崧海路98號(收貨地址)
上海邁動機電設備有限公司提供17%的增值稅發票;
品質100%保證,讓你更放心使用。