DHM6-口N型電磁失電制動器廣泛用于機床、冶金、化工、建筑、包裝等機械傳動系統中,起定位、斷電保護作用,具有動作靈敏、制動速度快的特點。" />
86-021-54422420 13818829143
86-021-54422402 17701898099
All products
聯軸器 Coupling
傳動輪 Pulley
脹套 Lock
絲桿導軌 ScrewGuide
離合制動器 Clutch
傳動器 Actuators
皮帶 Belt
電機 Motor
軸承 Bearing

DHM6-N 邁動工業-大扭力失電制動器: 主要從150N.M 250N.M 350N.M,450N.M
主要特征是制動器防護等級為IP56,
制動器為用手柄手動釋放的結構且手柄具有自鎖功能:正常靜置下處于制動中,擺動手柄時松脫,不再制動,通電時,它也是松開狀態。
㈡、主要用途:DHM6-口N型電磁失電制動器廣泛用于機床、冶金、化工、建筑、包裝等機械傳動系統中,起定位、斷電保護作用,具有動作靈敏、制動速度快的特點。
㈢、制動器在下列條件下能可靠工作:
1、制動器安裝地點海拔不超過2000m;
2、周圍環境溫度-5℃—+40℃;
3、周圍介質中無爆炸危險,且無足以腐蝕金屬和破壞絕緣的氣體及導電塵埃;
4、制動器線圈電壓波動不超過+5%和―15%額定電壓;
5、在干式條件下工作。
㈣、安裝:
1、安裝時制動器必須清洗干凈,摩擦面和制動器內部不得有油污和塵埃;
2、齒輪套不允許有軸向竄動。
DHM6-N 邁動工業失電制動器,主要性能參數
| 規格 | 額定靜力矩 | 額定電 壓 | 線圈消耗功率(20℃)W | 接通時間 | 斷開時間(≦)ms | 允許最高轉速r/min |
| N.m | D.C.V | (≦)ms | ||||
| 15N | 150 | 110 | 85 | 150 | 350 | 1500 |
| 25N | 250 | 110 | 100 | 210 | 450 | 1500 |
| 35N | 350 | 110 | 110 | 275 | 550 | 1500 |
| 45N | 450 | 110 | 130 | 330 | 650 | 1500 |
DHM6-15N dhm6-15n (概圖)

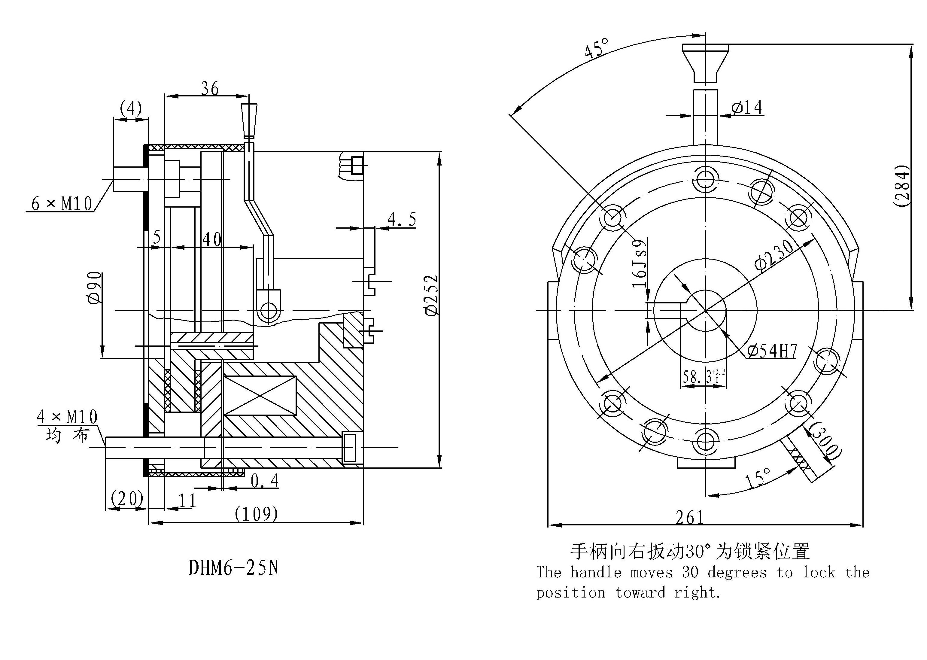
DHM6-25N dhm6-25n (概圖)

DHM6-35N dhm6-35n (概圖)

DHM6-45N dhm6-45n (概圖)

公司名稱:上海邁動機電設備有限公司
公司地址:上海青浦工業區崧海路98號
郵政編碼:201703
公司電話:021-54422420
公司傳真:021-54422420-801
郵箱:shmidon@126.com
戶名:上海邁動機電設備有限公司
稅號:310112660703692
開戶行:工行上海莘莊支行
賬號:1001140209007024765
電話:021-54422420 54422402
傳真:021-54422420-801
地址:上海莘莊工業園區申富路128號(開票)
地址:上海青浦工業園區崧海路98號(收貨地址)
上海邁動機電設備有限公司提供17%的增值稅發票;
品質100%保證,讓你更放心使用。
ADD:上海邁動機電設備有限公司 備案號:滬ICP備15037005
TEL:86-021-54422420,021-544227902 ,021-54422402 MB:13818829143,17701898099