(2)軸承裝有多列大體積的滾柱,承載能力較大,工作速度也遠比圓錐軸承高。
(3)軸承只承受徑向載荷,軸向載荷需要用獨立的止推軸承來承受,這樣使軸承的結構復雜了,但 可以使軸承的負荷能力充分用于徑向負荷,并且托輥軸向位置的控制較精確。" />
86-021-54422420 13818829143
86-021-54422402 17701898099



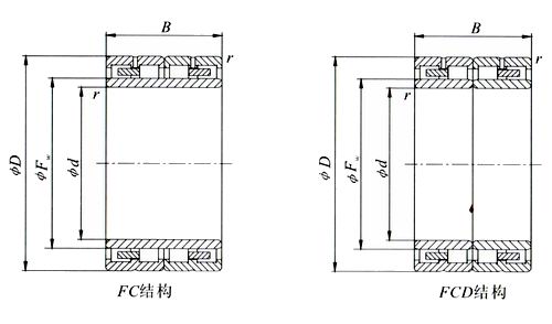
四列圓柱滾子軸承 有圓錐形內圈和外圈滾道,圓錐滾子排列在兩者之間。所有圓錐表面的投影線都在軸承軸線的同一點相聚。這種設計使圓錐滾子軸承特別適合承受復合(徑向與軸向)負荷。軸承的軸向負荷能力大部分是由接觸角α決定的;α角度越大,軸向負荷能力就越高。角度大小用計算系數e來表示;e值越大,接觸角度越大,軸承承受軸向負荷的適用性就越大。
四列圓柱滾子軸承 通常是分離型的,即由帶滾子與保持架組件的內圈組成的圓錐內圈組件可以與圓錐外圈(外圈)分開安裝。
| 四列圓柱滾子軸承 | |||||||||||||||||||||
| d(90~140)mm | d(145~170)mm | ||||||||||||||||||||
| 軸承型號 | 主要尺寸(mm) | 基本額定載荷(KN) | 極限轉速(r/min) | 參考重量(g) 開式 | 軸承型號 | 主要尺寸(mm) | 基本額定載荷(KN) | 極限轉速(r/min) | 參考重量(g)開式 | ||||||||||||
| d | D | B | FW | r(最小) | Cr | Cor | 脂潤滑 | 油潤滑 | d | D | B | FW | r (最小) | Cr | Cor | 脂潤滑 | 油潤滑 | ||||
| FC182870 | 140 | 140 | 70 | 105 | 1.5 | 222 | 454 | 3600 | 4400 | 4.4 | FC2942155 | 145 | 210 | 155 | 166 | 2 | 720 | 1560 | 一 | 1560 | 一 |
| FC182870YZ | 140 | 70 | 105 | 1.5 | 222 | 454 | 3600 | 4400 | 4.4 | FC2942155YZ | 210 | 155 | 166 | 2 | 720 | 1560 | 一 | 1560 | 一 | ||
| FC182874 | 140 | 74 | 105 | 1.5 | 222 | 454 | 3600 | 4400 | 4.5 | FC2945156 | 225 | 156 | 169 | 2 | 795 | 1935 | 1900 | 1935 | 24.4 | ||
| FC202880 | 100 | 138 | 80 | 110 | 1.5 | 262 | 609 | 3400 | 4200 | 3.7 | FC2945156YZ | 225 | 156 | 169 | 2 | 795 | 1935 | 1900 | 1935 | 24.4 | |
| FC202870 | 140 | 70 | 111 | 1.5 | 194 | 416 | 3400 | 4200 | 3.5 | FC3045120 | 150 | 225 | 120 | 169 | 2 | 640 | 1400 | 1900 | 1400 | 18 | |
| FC2028104 | 140 | 104 | 111 | 1.5 | 293 | 707 | 3400 | 4200 | 5.1 | FC3045120YZ | 225 | 120 | 169 | 2 | 640 | 1400 | 1900 | 1400 | 18 | ||
| FC2028104YZ | 140 | 104 | 111 | 1.5 | 293 | 707 | 3400 | 4200 | 5.1 | FC3046156 | 230 | 156 | 174 | 2 | 797 | 1818 | 1860 | 1818 | 24.6 | ||
| FC202970 | 145 | 70 | 113 | 1.5 | 219 | 457 | 3300 | 4100 | 4.1 | FC3046156YZ | 230 | 156 | 174 | 2 | 797 | 1818 | 1860 | 1818 | 24.6 | ||
| FC2030106 | 150 | 106 | 113 | 1.5 | 347 | 736 | 3200 | 4000 | 6.8 | FC3245168 | 160 | 225 | 168 | 183 | 2.1 | 1947 | 2301 | 一 | 2301 | 一 | |
| FC2030106YZ | 150 | 106 | 113 | 1.5 | 347 | 736 | 3200 | 4000 | 6.8 | FC3246130 | 230 | 130 | 180 | 2.1 | 605 | 1384 | 1800 | 1384 | 18 | ||
| FC223080 | 110 | 150 | 80 | 122 | 1.5 | 241 | 602 | 3100 | 3800 | 4.4 | FC3246130YZ | 230 | 130 | 180 | 2.1 | 639 | 1610 | 1800 | 1610 | 18.7 | |
| FC223490 | 170 | 90 | 127 | 2 | 358 | 754 | 2800 | 3400 | 7.9 | FC3246168 | 230 | 168 | 180 | 2.1 | 618 | 2218 | 1800 | 2218 | 24.2 | ||
| FC2234120 | 170 | 120 | 127 | 2 | 358 | 755 | 2800 | 3400 | 10.6 | FC3248124 | 240 | 124 | 183 | 2.1 | 690 | 1534 | 1700 | 1534 | 20.6 | ||
| FC2234120YZ | 170 | 120 | 127 | 2 | 358 | 755 | 2800 | 3400 | 10.6 | FC3248124YZ | 240 | 124 | 183 | 2.1 | 780 | 1800 | 1700 | 1800 | 20.6 | ||
| FC243692 | 120 | 180 | 92 | 137 | 2 | 375 | 820 | 2500 | 3100 | 8.7 | FC3248124/P6 | 240 | 124 | 183 | 2.1 | 690 | 1534 | 1700 | 1534 | 20.6 | |
| FC2436105 | 180 | 105 | 136 | 2 | 429 | 927 | 2500 | 3100 | 9.8 | FC3248168 | 240 | 168 | 183 | 2.1 | 947 | 2310 | 1700 | 2310 | 28 | ||
| FC2436105YZ | 180 | 105 | 136 | 2 | 429 | 927 | 2500 | 3100 | 9.8 | FC3248168YZ | 240 | 168 | 183 | 2.1 | 822 | 2070 | 1700 | 2070 | 28.5 | ||
| FC2436120 | 180 | 120 | 136 | 2 | 477 | 1061 | 2500 | 3100 | 11.2 | FC3252168/C4 | 260 | 168 | 183 | 2.1 | 953 | 2326 | 1700 | 2326 | 28.5 | ||
| FC2640104 | 130 | 200 | 104 | 150 | 2 | 478 | 1006 | 2200 | 2700 | 12.5 | FC3446130/P4 | 170 | 230 | 130 | 188.5 | 2.1 | 680 | 1720 | 1720 | 1720 | 16.3 |
| FC2640125 | 200 | 125 | 149 | 2 | 531 | 1148 | 2200 | 2700 | 15 | FC3446180/P64 | 230 | 180 | 186 | 2.1 | 707 | 2041 | 1700 | 2041 | 22.7 | ||
| FC2640125YZ | 200 | 125 | 149 | 2 | 531 | 1148 | 2200 | 2700 | 15 | FC3448130/P6 | 240 | 130 | 190 | 2.1 | 830 | 1830 | 1600 | 1830 | 一 | ||
| FC2838119 | 140 | 190 | 119 | 154 | 2 | 一 | 一 | 一 | 一 | 一 | FC3450170/P64 | 250 | 170 | 192 | 2.1 | 1000 | 2400 | 1600 | 2400 | 29.9 | |
| FC2842100 | 210 | 100 | 158 | 2 | 503 | 1096 | 2000 | 2500 | 12.8 | FC3450170 | 250 | 170 | 192 | 2.1 | 953 | 2325 | 1600 | 2325 | 29.9 | ||
| FC2842106 | 210 | 106 | 158 | 2 | 503 | 1096 | 2000 | 2500 | 13.6 | FC3450170YZ | 250 | 170 | 192 | 2.1 | 953 | 2325 | 1600 | 2325 | 29.9 | ||
| FC2842125 | 210 | 125 | 158 | 2 | 617 | 1365 | 2000 | 2500 | 15.8 | FC3452120 | 260 | 120 | 195 | 2.1 | 880 | 1775 | 1550 | 1775 | 24.2 | ||
| FC2842125YZ | 210 | 125 | 158 | 2 | 617 | 1365 | 2000 | 2500 | 15.8 | FC3452120YZ | 260 | 120 | 195 | 2.1 | 880 | 1775 | 1550 | 1775 | 24.2 | ||
| FC2842155 | 210 | 155 | 158 | 2 | 756 | 1774 | 2000 | 2500 | 19.6 | FC3452150 | 260 | 150 | 195 | 2.1 | 880 | 1948 | 1500 | 1948 | 30.2 | ||
| FC2842155YZ | 210 | 155 | 158 | 2 | 756 | 1774 | 2000 | 2500 | 19.6 | FC3452170/P64 | 260 | 170 | 196 | 2.1 | 1080 | 2460 | 1550 | 2460 | 34.9 | ||
| FC3452225/P64 | 260 | 225 | 196 | 2.1 | 1270 | 3350 | 一 | 3350 | 一 | ||||||||||||
| d(180~200)mm | d(200~250)mm | ||||||||||||||||||||
| 軸承型號 | 主要尺寸(mm) | 基本額定載荷(KN) | 極限轉速(r/min) | 參考重量(g) 開式 | 軸承型號 | 主要尺寸(mm) | 基本額定載荷(KN) | 極限轉速(r/min) | 參考重量(g) 開式 | ||||||||||||
| d | D | B | FW | r(最小) | Cr | Cor | 脂潤滑 | 油潤滑 | d | D | B | FW | r(最小) | Cr | Cor | 脂潤滑 | 油潤滑 | ||||
| FC3650120/P64 | 180 | 250 | 120 | 200 | 2.1 | 609 | 1583 | 1540 | 1900 | 19 | FC4058192/P64 | 200 | 290 | 192 | 226 | 2.1 | 1073 | 2891 | 1250 | 1540 | 44.9 |
| FC3650130/P64 | 250 | 130 | 200 | 2.1 | 715 | 1944 | 1540 | 1900 | 20.6 | FC4058192 | 290 | 192 | 226 | 2.1 | 1205 | 3141 | 1250 | 1540 | 44.1 | ||
| FC3650156/P64 | 250 | 156 | 200 | 2.1 | 710 | 1927 | 1540 | 1900 | 24.7 | FC4258192 | 210 | 290 | 192 | 234 | 2.1 | 1031 | 3000 | 1200 | 1500 | 40.6 | |
| FC3650156 | 250 | 156 | 200 | 2.1 | 710 | 1927 | 1540 | 1900 | 24.7 | FC4258192/P6 | 290 | 192 | 236 | 2.1 | 1300 | 3400 | 1200 | 1500 | 40.4 | ||
| FC3652120 | 260 | 120 | 202 | 2.1 | 693 | 1860 | 一 | 一 | 一 | FC4260170 | 300 | 170 | 234 | 2.1 | 1031 | 2814 | 1160 | 1400 | 41.4 | ||
| FC3652124/P64 | 260 | 124 | 202 | 2.1 | 718 | 1668 | 1500 | 1800 | 22.6 | FC4260210 | 300 | 210 | 234 | 2.1 | 1300 | 3040 | 1150 | 1500 | 50.3 | ||
| FC3652154/P64 | 260 | 154 | 202 | 2.1 | 983 | 2200 | 1500 | 1850 | 28.2 | FC4460192 | 220 | 300 | 192 | 242 | 2.1 | 1085 | 3310 | 1120 | 1380 | 41.5 | |
| FC3652160/C4 | 260 | 160 | 202 | 2.1 | 893 | 2206 | 1500 | 1800 | 29.2 | FC4462157 | 310 | 157 | 246 | 2.1 | 932 | 2500 | 1100 | 1300 | 39.7 | ||
| FC3652168 | 260 | 168 | 202 | 2.1 | 993 | 2530 | 1500 | 1800 | 30.7 | FC4462190/C4 | 310 | 190 | 246 | 2.1 | 1283 | 3503 | 1100 | 1300 | 47.2 | ||
| FC3652168YZ | 260 | 168 | 202 | 2.1 | 993 | 2530 | 1500 | 1800 | 30.7 | FC4462192 | 310 | 192 | 246 | 2.1 | 1103 | 3104 | 1100 | 1300 | 48.6 | ||
| FC3652168/P64 | 260 | 168 | 202 | 2.1 | 993 | 2530 | 1500 | 1800 | 30.7 | FC4462192/P64 | 310 | 192 | 246 | 2.1 | 1103 | 3104 | 1100 | 1300 | 48.6 | ||
| FC3652180 | 260 | 180 | 202 | 2.1 | 1100 | 2560 | 1500 | 1850 | 32.9 | FC4464210/P6 | 320 | 210 | 248 | 2.1 | 1321 | 3534 | 1050 | 1300 | 59.8 | ||
| FC3652180 | 280 | 180 | 207 | 2.1 | 1220 | 2580 | 1400 | 1700 | 43.4 | FC4468192 | 340 | 192 | 246 | 2.1 | 1599 | 3444 | 980 | 1200 | 65.6 | ||
| FC3656180/P64 | 280 | 180 | 207 | 2.1 | 1220 | 2580 | 1400 | 1700 | 43.4 | FC4666170 | 230 | 330 | 170 | 260 | 2.1 | 1142 | 2974 | 980 | 1200 | 50.2 | |
| FC3852168/P6 | 190 | 260 | 168 | 212 | 2.1 | 990 | 2600 | 一 | 一 | 一 | FC4666206 | 330 | 206 | 260 | 2.1 | 1278 | 3435 | 980 | 1200 | 60.8 | |
| FC3852168/C4 | 260 | 168 | 212 | 2.1 | 990 | 2600 | 1400 | 1800 | 27.9 | FC4666206/P64 | 330 | 206 | 260 | 2.1 | 1278 | 3435 | 980 | 1200 | 60.8 | ||
| FC3853124 | 265 | 124 | 213 | 2.1 | 816 | 1936 | 1400 | 1750 | 22.1 | FC4673250/P6 | 365 | 250 | 266 | 2.1 | 2400 | 4900 | 一 | 一 | 一 | ||
| FC3854124 | 270 | 124 | 212 | 2.1 | 816 | 1925 | 1400 | 1700 | 24.2 | FC4866220/P64 | 240 | 330 | 220 | 264 | 2.1 | 1373 | 3789 | 950 | 1200 | 58.4 | |
| FC3654168 | 270 | 168 | 212 | 2.1 | 996 | 2486 | 1400 | 1700 | 32.7 | FC4866220 | 330 | 220 | 264 | 2.1 | 1373 | 3789 | 950 | 1200 | 58.4 | ||
| FC3854168YZ | 270 | 168 | 212 | 2.1 | 996 | 2486 | 1400 | 1700 | 32 | FC4868192YZ | 340 | 192 | 268 | 2.1 | 1394 | 4014 | 920 | 1100 | 58 | ||
| FC3854200 | 270 | 200 | 212 | 2.1 | 954 | 2431 | 1400 | 1700 | 38 | FC4868192/P64 | 340 | 192 | 266 | 2.1 | 1219 | 4014 | 920 | 1100 | 58 | ||
| FC3854200 | 270 | 200 | 212 | 2.1 | 954 | 2431 | 1400 | 1700 | 38 | FC4872220 | 360 | 220 | 272 | 2.1 | 1604 | 4065 | 一 | 一 | 83 | ||
| FC3856200/P64 | 280 | 200 | 214 | 2.1 | 954 | 2431 | 一 | 一 | 一 | FC4872220/P64 | 360 | 220 | 272 | 2.1 | 1604 | 4065 | 一 | 一 | 83 | ||
| FC4054120/C4 | 200 | 270 | 120 | 222 | 2.1 | 615 | 1626 | 1340 | 1650 | 20.8 | FC5068170 | 250 | 340 | 170 | 274 | 3 | 1140 | 3281 | 890 | 1100 | 47.9 |
| FC4054170/C4 | 270 | 170 | 222 | 2.1 | 831 | 2387 | 1340 | 1650 | 29.5 | FC5070220 | 350 | 220 | 278 | 3 | 1350 | 3804 | 一 | 一 | 69.6 | ||
| FC4056200 | 280 | 200 | 222 | 2.1 | 1019 | 2693 | 1300 | 1600 | 39.9 | FC5070220/P64 | 350 | 220 | 278 | 3 | 1350 | 3804 | 一 | 一 | 72.7 | ||
| FC4056200/P64 | 280 | 200 | 222 | 2.1 | 1019 | 2693 | 1300 | 1600 | 39.9 | FC5072160/C4 | 360 | 160 | 284 | 3 | 1077 | 2780 | 1120 | 1380 | 57 | ||
| FC4056200 | 280 | 200 | 224 | 2.1 | 1150 | 2770 | 1300 | 1600 | 39.9 | FC5072220 | 360 | 220 | 282 | 3 | 1486 | 4210 | 1120 | 1380 | 78.5 | ||
| FC4058130/P6 | 290 | 130 | 226 | 2.1 | 840 | 1975 | 1250 | 1540 | 29.9 | ||||||||||||
| d(260~300)mm | d(320~370)mm | ||||||||||||||||||||
| 軸承型號 | 主要尺寸(mm) | 基本額定載荷(KN) | 極限轉速(r/min) | 參考重量(g)開式 | 軸承型號 | 主要尺寸(mm) | 基本額定載荷(KN) | 極限轉速(r/min) | 參考重量(g) 開式 | ||||||||||||
| d | D | B | FW | r (最小) | Cr | Cor | 脂潤滑 | 油潤滑 | d | D | B | FW | r(最小) | Cr | Cor | 脂潤滑 | 油潤滑 | ||||
| FC5272192 | 260 | 360 | 192 | 288 | 3 | 1274 | 3468 | 1100 | 1350 | 62.3 | FC/6488240 | 320 | 440 | 240 | 351 | 4 | 2120 | 6101 | 850 | 1050 | 113.9 |
| FC/5272200/C4 | 360 | 200 | 288 | 3 | 1483 | 4217 | 1100 | 1350 | 64.9 | FCD/6488240 | 440 | 240 | 351 | 4 | 2120 | 6101 | 850 | 1050 | 113.9 | ||
| FC5274200 | 370 | 200 | 292 | 3 | 1610 | 4400 | 1080 | 1330 | 74.2 | FCD/3488300 | 440 | 300 | 352 | 3 | 2530 | 7660 | 850 | 1050 | 142.3 | ||
| FC5274200YZ | 370 | 200 | 292 | 3 | 1610 | 4400 | 1080 | 1330 | 74.2 | FC6490240 | 450 | 240 | 355 | 3 | 2145 | 5860 | 840 | 1030 | 142.3 | ||
| FC5274220 | 370 | 220 | 292 | 3 | 1760 | 4920 | 1080 | 1300 | 73.7 | FC6490240YZ | 450 | 240 | 355 | 3 | 2145 | 5860 | 840 | 1030 | 125.3 | ||
| FC5274220/P6 | 370 | 220 | 292 | 3 | 1760 | 4920 | 1080 | 1300 | 73.7 | FCD/6490240 | 450 | 240 | 355 | 3 | 2145 | 5860 | 840 | 1030 | 125.3 | ||
| FC/5276220 | 380 | 220 | 292 | 3 | 1516 | 4353 | 1060 | 1300 | 91.2 | FC/6492280 | 460 | 280 | 357 | 4 | 2450 | 6534 | 825 | 1020 | 159 | ||
| FC5276280 | 380 | 280 | 295 | 3 | 1966 | 5710 | 1060 | 1300 | 114.5 | FCD/6492340 | 460 | 340 | 357 | 4 | 2895 | 8105 | 825 | 1020 | 193.1 | ||
| FC5276280YZ | 380 | 280 | 295 | 3 | 1966 | 5710 | 1060 | 1300 | 114.5 | FC6496290 | 480 | 290 | 364 | 4 | 2450 | 6534 | 825 | 1020 | 170 | ||
| FC5280200 | 400 | 200 | 296 | 3 | 1795 | 4051 | 1020 | 1250 | 95.6 | FCD6692340YZ | 330 | 460 | 340 | 365 | 4 | 2790 | 8265 | 810 | 1000 | 182.1 | |
| FC5280290 | 400 | 290 | 296 | 3 | 2710 | 7100 | 一 | 一 | 一 | FCD6692340 | 460 | 340 | 365 | 4 | 2790 | 8265 | 810 | 1000 | 182.1 | ||
| FC5476230 | 270 | 380 | 230 | 298 | 3 | 1725 | 4598 | 1040 | 1280 | 85.3 | FC6890250 | 340 | 450 | 250 | 366 | 4 | 2161 | 6312 | 810 | 1000 | 111.2 |
| FC5476230YZ | 380 | 230 | 298 | 3 | 1725 | 4598 | 1040 | 1280 | 85.3 | FCD/6890250 | 450 | 250 | 369 | 4 | 2045 | 6134 | 810 | 1000 | 112.6 | ||
| FC/5480220 | 400 | 220 | 305 | 3 | 1833 | 4570 | 1000 | 1230 | 100 | FC6890250YA | 450 | 250 | 371 | 4 | 1976 | 6142 | 810 | 1000 | 114.4 | ||
| FC/5675200 | 280 | 375 | 200 | 307 | 3 | 1480 | 4311 | 1030 | 1270 | 65.1 | FC6892260 | 460 | 260 | 370 | 4 | 2132 | 5977 | 800 | 980 | 128.2 | |
| FC/5676290 | 380 | 290 | 308 | 3 | 1888 | 5835 | 1020 | 1250 | 100 | FC6896350 | 480 | 350 | 378 | 4 | 3270 | 9480 | 770 | 950 | 207 | ||
| FC/5676220 | 380 | 220 | 312 | 3 | 1575 | 4640 | 1000 | 1230 | 86.2 | FCD70100380 | 350 | 500 | 380 | 389 | 5 | 3800 | 11400 | ||||
| FC5678220 | 390 | 220 | 312 | 3 | 1600 | 4730 | 1000 | 1230 | 86.2 | FCD70104300 | 520 | 300 | 401 | 5 | 3300 | 9000 | |||||
| FC5678220YZ | 390 | 220 | 312 | 3 | 1800 | 5350 | 1000 | 1230 | 85.1 | FCD72102370 | 360 | 510 | 370 | 392 | 4 | 3756 | 5686 | 715 | 886 | 273 | |
| FC/5678240 | 390 | 240 | 312 | 3 | 1763 | 5325 | 1000 | 1200 | 93.4 | FCD74140380YZ | 370 | 520 | 380 | 409 | 4 | 4160 | 12312 | 700 | 850 | 260.5 | |
| FCD/5678275 | 390 | 275 | 308 | 3 | 2250 | 6500 | 1000 | 1230 | 105.1 | FCD74104380 | 520 | 380 | 409 | 4 | 3645 | 1075 | 700 | 850 | 263.2 | ||
| FCD/5684280 | 420 | 280 | 318 | 3 | 2430 | 6350 | 950 | 1170 | 143.4 | ||||||||||||
| FC5882240 | 290 | 410 | 240 | 320 | 4 | 2070 | 5670 | 950 | 1170 | 105 | |||||||||||
| FC5882240YZ | 410 | 240 | 320 | 4 | 2070 | 5670 | 950 | 1170 | 103.6 | ||||||||||||
| FC6084240 | 300 | 420 | 240 | 332 | 4 | 2060 | 5695 | 915 | 1130 | 107.8 | |||||||||||
| FC6084240 | 420 | 240 | 332 | 4 | 2225 | 5750 | 915 | 1130 | 107.8 | ||||||||||||
| FC6084300 | 420 | 300 | 332 | 4 | 2305 | 6565 | 915 | 1130 | 134.7 | ||||||||||||
| FC6084300YZ | 420 | 300 | 332 | 4 | 2305 | 6565 | 915 | 1130 | 134.7 | ||||||||||||

公司名稱:上海邁動機電設備有限公司
公司地址:上海青浦工業區崧海路98號
郵政編碼:201703
公司電話:021-54422420
公司傳真:021-54422420-801
郵箱:shmidon@126.com
戶名:上海邁動機電設備有限公司
稅號:310112660703692
開戶行:工行上海莘莊支行
賬號:1001140209007024765
電話:021-54422420 54422402
傳真:021-54422420-801
地址:上海莘莊工業園區申富路128號(開票)
地址:上海青浦工業園區崧海路98號(收貨地址)
上海邁動機電設備有限公司提供17%的增值稅發票;
品質100%保證,讓你更放心使用。