86-021-54422420 13818829143
86-021-54422402 17701898099
All products
聯軸器 Coupling
傳動輪 Pulley
脹套 Lock
絲桿導軌 ScrewGuide
離合制動器 Clutch
傳動器 Actuators
皮帶 Belt
電機 Motor
軸承 Bearing

GEC-緊湊型彈性聯軸器 彈性聯軸器參數 聯軸器廠家
采用全車削鋼以及標準磷化處理制作。維護時,不需要移除聯軸器。適于在高溫條件下工作。靜平衡,適于吸收振動。最高防護能力。
GEC聯軸器由兩個全車削UNI EN10083/98鋼制中心本體組成。采用鋼制高電阻徑向銷連接這兩個中心本體,徑向銷底座位于彈性元件內。徑向銷在相應彈性元件內,通過外部帶條保護徑向銷,給予了聯軸器高等級的保護。這種構造特點,讓用戶可以在不需要移除兩個傳動中心本體/軸的情況下,替換彈性元件進行維護工作,降低了保養時間,優化了設備生產能力。特別適于連接培爾頓水輪機,作為發動機和蝸桿式壓縮機之間的聯軸器,還適合需要高度安全性,同時又不降低相同傳動的質量和有效性的傳動。
優勢和特點:高轉矩,傳動時傳無聲,維護無需移動聯軸器,適于頻繁驅動逆轉或者高溫(>150℃),偏差中等補償。
該聯軸器彈性元件的主要特點如下所示:對所有常見潤滑油和液壓液有良好的耐性。最佳機械特性。適于在高達170。C條件下短期運轉的環保元件。
該聯軸器不需要遵照特定組裝規程。盡可能提高徑向和軸向的對準精確可以最大程度地吸收偏差,而且把聯軸器的使用壽命提高到最大。
在完成聯軸器預先裝配工作后,在一個軸上插入外部半中心本體。檢查兩軸的外部不超過相對半中心本體的表面(在圖中標為“N”),并采用相關固定系統,固定該半中心本體至軸。把第二個軸插入內部半中心本體,封閉第二軸,其長度不應高于開孔的長度(在圖中標為“N”)。如果由于偏差較大,插入困難,建議松開所有連接銷,讓兩個半中心本體之間有更高的靈活性在插入且固定中心本體后,取走每個連接銷,用樂泰(一種美國膠水品牌)螺絲固定劑濕潤連接銷,然后按照交叉順序,重新仔細裝上且固定。用保護帶條覆蓋連接銷,讓帶條的孔洞與相應緊鎖球體一致。
GEC-緊湊型彈性聯軸器簡介:由鋼制成,經過標準磷化處理。在不拆卸聯軸器的情況下進行維護適合在高溫下工作。 靜態平衡,適合吸收振動。 最高防護等級。
出色的扭矩/尺寸值。要求42提供各種輪轂連接類型。 特殊處理或鋁制版本完全可用。 根據特定需求定制版本,包括集線器/法蘭連接。可以連接到扭矩限制器(安全聯軸器)范圍。GEC聯軸器由兩個完全轉動的UNI EN ISO 683-1:2018鋼輪轂組成。這兩個輪轂由徑向銷連接由高電阻鋼制成,并固定在彈性體元件內。
這些銷釘及其相關的彈性元件由外部帶保護,使聯軸器具有高等級的保護。這種結構特征使用戶能夠通過更換彈性元件進行維護,而無需移動
兩個傳動輪轂/軸,減少維護時間,提高工廠生產率。特別適用于連接沖擊式水輪機、發動機和蝸桿壓縮機之間的聯接,以及一般的傳動
在不損害同一變速器的質量和效率的情況下,安全性是非常必要的。彈性體元件的描述,這種彈性元件的主要特征如下:對所有常見潤滑劑和液壓油具有良好的耐受性。最佳機械性能。綠色元件適合在高達170°C的短時間內運行。尺寸標注,對于聯軸器尺寸的預選,您可以使用第6頁所示的通用公式。或者,可以確定


GEC-緊湊型彈性聯軸器 彈性聯軸器參數 聯軸器廠家
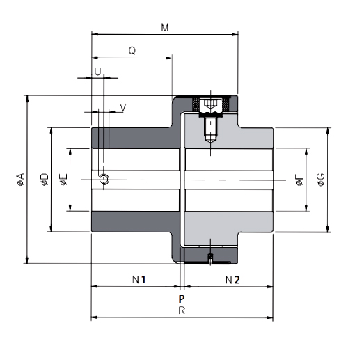
| 尺寸 | A | D | EH7 | FH7 | G | M | N1 | N2 | P | Q | R | U | V | ||
| 導向 | 最大 | 導向 | 最大 | ||||||||||||
| 00 | 63 | 42 | 8 | 28 | 5 | 24 | 42 | 52 | 24 | 25 | 2 | 18 | 50 | 8 | M4 |
| 0 | 78 | 50 | 10 | 35 | 10 | 35 | 50 | 63.5 | 32 | 3.5 | 28 | 67.5 | 10 | M5 | |
| 1 | 108 | 70 | 12 | 48 | 12 | 48 | 70 | 89 | 49 | 4 | 44 | 102 | 12 | M6 | |
| 2 | 130 | 80 | 15 | 55 | 15 | 55 | 80 | 111 | 65 | 4 | 59 | 134 | 15 | M8 | |
| 3 | 161 | 100 | 15 | 68 | 15 | 68 | 100 | 140 | 85 | 4 | 77 | 174 | 15 | M8 | |
| 4 | 206 | 120 | 20 | 80 | 20 | 80 | 120 | 168 | 105 | 4 | 97 | 214 | 20 | M10 | |
| 5 | 239 | 135 | 30 | 90 | 30 | 90 | 135 | 201 | 130 | 4 | 120 | 264 | 20 | M10 | |
| 6 | 315 | 215 | 40 | 150 | 40 | 120 | 175 | 260 | 165 | 5 | 150 | 335 | 25 | M12 | |
| 7 | 364 | 240 | 40 | 165 | 40 | 145 | 210 | 310 | 205 | 5 | 185 | 415 | 25 | M12 | |
| ... | 610 | 320 | 80 | 220 | 80 | 220 | 320 | - | 535 | - | |||||
| 尺寸 | 扭力(Nm) | 重量 kg | 慣性 kgm | 最大轉速 Rpm | 工作溫度 °C | 彈性元件 硬度 | 偏差 | ||||||
| 標稱 | 最大 | 角度a | 軸向X | 徑向K | |||||||||
| 連續 | 間斷 | 連續 | 間斷 | 連續 | 間斷 | ||||||||
| 00 | 35 | 50 | 0.8 | 0.00045 | 6000 | -15~+150 | 74±3 | 1° | 1° 30 | ±0.7 | ±1.5 | 0.5 | 0.7 |
| 0 | 70 | 110 | 1.5 | 0.00124 | 5500 | 1° | 1° 30 | ±0.7 | ±1.5 | 0.5 | 0.7 | ||
| 1 | 280 | 420 | 4.2 | 0.00633 | 5000 | 0° 48 | 1° | ±0.7 | ±1.5 | 0.5 | 0.7 | ||
| 2 | 570 | 860 | 7.7 | 0.01592 | 4500 | 0° 36 | 0° 48 | ±0.7 | ±1.5 | 0.6 | 0.7 | ||
| 3 | 980 | 1500 | 14.2 | 0.04666 | 4000 | 0° 30 | 0° 42 | ±0.8 | ±1.6 | 0.6 | 0.8 | ||
| 4 | 2340 | 3600 | 22.6 | 0.12546 | 3100 | 0° 24 | 0° 30 | ±0.8 | ±1.6 | 0.6 | 0.8 | ||
| 5 | 3880 | 5800 | 36 | 0.26035 | 2800 | 0° 24 | 0° 30 | ±0.8 | ±1.6 | 0.6 | 0.8 | ||
| 6 | 15000 | 20000 | 118 | 0.88951 | 2000 | 0° 24 | 0° 30 | ±0.8 | ±1.6 | 0.6 | 0.8 | ||
| 7 | 30000 | 35000 | 128.4 | 1.77108 | 1500 | 0° 24 | 0° 30 | ±0.8 | ±1.6 | 0.6 | 0.8 | ||
| ... | 90000 | 105000 | - | ||||||||||
公司名稱:上海邁動機電設備有限公司
公司地址:上海青浦工業區崧海路98號
郵政編碼:201703
公司電話:021-54422420
公司傳真:021-54422420-801
郵箱:shmidon@126.com
戶名:上海邁動機電設備有限公司
稅號:310112660703692
開戶行:工行上海莘莊支行
賬號:1001140209007024765
電話:021-54422420 54422402
傳真:021-54422420-801
地址:上海莘莊工業園區申富路128號(開票)
地址:上海青浦工業園區崧海路98號(收貨地址)
上海邁動機電設備有限公司提供17%的增值稅發票;
品質100%保證,讓你更放心使用。
ADD:上海邁動機電設備有限公司 備案號:滬ICP備15037005
TEL:86-021-54422420,021-544227902 ,021-54422402 MB:13818829143,17701898099