86-021-54422420 13818829143
86-021-54422402 17701898099
All products
聯軸器 Coupling
傳動輪 Pulley
脹套 Lock
絲桿導軌 ScrewGuide
離合制動器 Clutch
傳動器 Actuators
皮帶 Belt
電機 Motor
軸承 Bearing

SM63-SM200電機導軌,電機底座,馬達導軌,電動機底座,整體電機導軌
MP整體移動形電機導軌,電機底座 

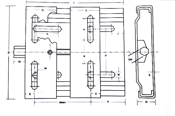
| Type 型號 | L | B | H | Mmin | G | E | J | K | M | N | P | SW | S |
| SU210 | 210 | 195 | 33 | 100 | 70 | 20 | 25 | 50 | 10.5 | 43 | 98 | 19 | 3 |
| SU270 | 270 | 195 | 33 | 100 | 70 | 20 | 25 | 50 | 10.5 | 43 | 98 | 19 | 3 |
| SU430 | 430 | 290 | 40 | 140 | 95 | 27 | 29 | 62.5 | 12.5 | 90 | 165 | 22 | 4 |
| SU490 | 490 | 410 | 40 | 254 | 95 | 40 | 30 | 60 | 15 | 193 | 142/284 | 22 | 4 |
| Size 型號 | 63 | 71 | 80 | 90 | 100 | 112 | 132 | 160 | 180 | G.W. (kg) | |||
| SU210/6 SU210/8 | 70 | 58 | 45 | 2.2 2.2 | |||||||||
| SU270/6 SU270/8 SU270/10 | 130 | 118 | 105 | 90 | 70 | 40 | 2.8 2.8 2.8 | ||||||
| SU430/8 SU430/10 SU430/12 | 236 | 216 | 186 | 160 | 122 | 7.5 7.5 7.5 | |||||||
| SU490/12 | 156 | 180 | 10.8 | ||||||||||
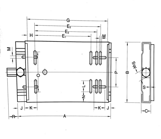
拆分電機導軌

| Monoplate- MP 型號 | installation size | A | B | C | E1 | E2 | E3 | G | H | J | K | L | M | N | O | P | R | S | S | weig kg |
| SM270/194(63*90MP) | 63-71-80-90 | 270 | 194 | 33 | 100 | 125 | 140 | 190 | 25 | 25 | 50 | 50 | 11 | 26 | 132 | 98 | 20 | 19 | 3 | 3.1 |
| SM307/213(90*112MP) | 90-100-112 | 307 | 213 | 33 | 140 | 160 | 190 | 255 | 33 | 28 | 50 | 50 | 11 | 26 | 162 | 108 | 30 | 19 | 3 | 4.1 |
| SM340/290(100*132-2MP) | 100-112-132 | 340 | 290 | 40 | 160 | 190 | 216 | 286 | 35 | 28 | 63 | 48 | 13 | 38 | 215 | 165 | 30 | 22 | 4 | 7.9 |
| SM430/290(100*132-2MP) | 100-112-132 | 430 | 290 | 40 | 160 | 190 | 216 | 286 | 35 | 28 | 63 | 48 | 13 | 38 | 215 | 165 | 30 | 22 | 4 | 8.9 |
| SM430/370(160*180-2MP) | 160-180 | 430 | 370 | 40 | 254 | 279 | 379 | 50 | 30 | 62 | 62 | 13 | 42 | 287 | 248 | 30 | 22 | 4 | 12 | |
| SM490/370(160*180MP) | 160-180 | 490 | 370 | 40 | 254 | 279 | 379 | 50 | 30 | 62 | 62 | 13 | 42 | 287 | 248 | 30 | 22 | 4 | 13 | |
| SM490/410(180*200MP) | 180-200 | 490 | 410 | 40 | 279 | 318 | 420 | 50 | 30 | 60 | 52 | 17 | 41 | 329 | 285 | 30 | 22 | 4 | 15 | |
| SM585/450(200/225MP) | 200-225 | 585 | 450 | 50 | 318 | 356 | 468 | 56 | 30 | 60 | 17 | 49 | 352 | 300 | 30 | 22 | 5 | 24 | ||
| SM600/470(250MP) | 250 | 600 | 470 | 65 | 406 | 515 | 55 | 30 | 60 | 20 | 22 | 51 | 369 | 320 | 30 | 22 | 5 | 28 | ||
| SM735/570(285MP) | 280 | 735 | 570 | 65 | 457 | 585 | 64 | 30 | 70 | 70 | 22 | 55 | 460 | 420 | 30 | 22 | 5 | 38 | ||
| SM800/760(315MP) | 315 | 800 | 760 | 80 | 508 | 653 | 73 | 30 | 80 | 80 | 28 | 30 |
公司名稱:上海邁動機電設備有限公司
公司地址:上海青浦工業區崧海路98號
郵政編碼:201703
公司電話:021-54422420
公司傳真:021-54422420-801
郵箱:shmidon@126.com
戶名:上海邁動機電設備有限公司
稅號:310112660703692
開戶行:工行上海莘莊支行
賬號:1001140209007024765
電話:021-54422420 54422402
傳真:021-54422420-801
地址:上海莘莊工業園區申富路128號(開票)
地址:上海青浦工業園區崧海路98號(收貨地址)
上海邁動機電設備有限公司提供17%的增值稅發票;
品質100%保證,讓你更放心使用。
ADD:上海邁動機電設備有限公司 備案號:滬ICP備15037005
TEL:86-021-54422420,021-544227902 ,021-54422402 MB:13818829143,17701898099