86-021-54422420 13818829143
86-021-54422402 17701898099

V帶傳動皮帶輪產品特點
高強度鑄鐵多V皮帶輪,高抗沖擊強度,完美配合法蘭錐形QD套精確平衡控制,高時,高效,按時,按預算實行機械設備傳動.
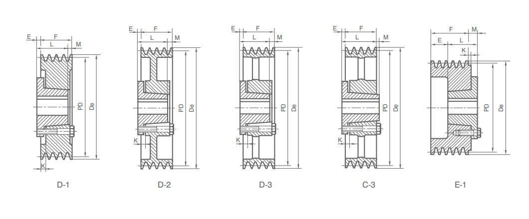
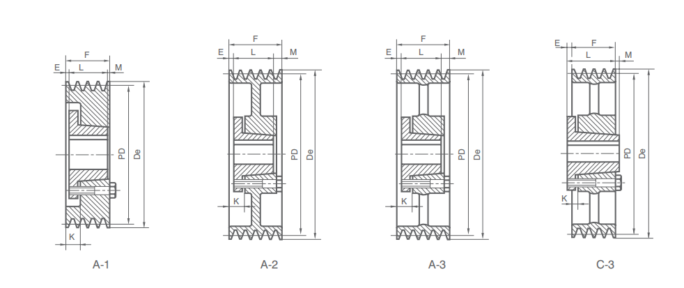
美標皮帶輪QD套
快拆易裝(QD)皮帶輪錐度鎖緊套,易于安裝和拆卸。它們通過凸緣分裂和錐度,以提供軸套收縮配合有效的自鎖原理。安裝時所有尺寸有一組螺絲在關鍵以幫助保持在軸上的襯套的位置,直到螺絲擰緊。軸套允許在不同直徑的軸相同的配合部分的安裝,并使用相同的套管在同一軸上不同皮帶輪的安裝。

| 1 Groove F=11/16" | ||||||||
| PART NUMBER Bushing | P.D. BELTS | O.D. | Type | Bore Range | E | L | M | WT.LESS BUSH |
| 3V220-1-JA | 2.15 | 2.20 | E-Sol | 1/2-1 1/4 | 5/8 | 1 | 15/16 | 0.4 |
| 3V235-1-JA | 2.30 | 2.35 | E-Sol | 1/2-1 1/4 | 19/32 | 1 | 29/32 | 0.4 |
| 3V250-1-JA | 2.45 | 2.50 | E-Sol | 1/2-1 1/4 | 19/32 | 1 | 29/32 | 0.5 |
| 3V265-1-JA | 2.60 | 2.65 | D-Sol | 1/2-1 1/4 | 3/8 | 1 | 1/16 | 0.6 |
| 3V280-1-JA | 2.75 | 2.80 | D-Sol | 1/2-1 1/4 | 3/8 | 1 | 1/16 | 0.7 |
| 3V300-1-JA | 2.95 | 3.00 | D-Sol | 1/2-1 1/4 | 3/8 | 1 | 1/16 | 0.8 |
| 3V315-1-JA | 3.10 | 3.15 | D-Sol | 1/2-1 1/4 | 3/8 | 1 | 1/16 | 0.9 |
| 3V335-1-JA | 3.30 | 3.35 | D-Sol | 1/2-1 1/4 | 3/8 | 1 | 1/16 | 1.0 |
| 3V365-1-SH | 3.60 | 3.65 | D-Sol | 1/2-1 5/8 | 21/32 | 1 5/16 | 1/32 | 1.3 |
| 3V412-1-SH | 4.07 | 4.12 | D-Sol | 1/2-1 5/8 | 21/32 | 1 5/16 | 1/32 | 1.8 |
| 3V450-1-SH | 4.45 | 4.50 | D-Sol | 1/2-1 5/8 | 21/32 | 1 5/16 | 1/32 | 2.1 |
| 3V475-1-SH | 4.70 | 4.75 | D-Sol | 1/2-1 5/8 | 21/32 | 1 5/16 | 1/32 | 2.4 |
| 3V500-1-SH | 4.95 | 5.00 | D-Sol | 1/2-1 5/8 | 21/32 | 1 5/16 | 1/32 | 2.7 |
| 3V530-1-SH | 5.25 | 5.30 | D-Sol | 1/2-1 5/8 | 21/32 | 1 5/16 | 1/32 | 2.9 |
| 3V560-1-SH | 5.55 | 5.60 | D-Wed | 1/2-1 5/8 | 21/32 | 1 5/16 | 1/32 | 3.0 |
| 3V600-1-SH | 5.95 | 6.00 | D-Wed | 1/2-1 5/8 | 21/32 | 1 5/16 | 1/32 | 3.2 |
| 3V650-1-SH | 6.45 | 6.50 | D-Wed | 1/2-1 5/8 | 21/32 | 1 5/16 | 1/32 | 4.2 |
| 3V690-1-SH | 6.85 | 6.90 | D-Arm | 1/2-1 5/8 | 21/32 | 1 5/16 | 1/32 | 4.4 |
| 3V800-1-SDS | 7.95 | 8.00 | D-Arm | 1/2-2 | 21/32 | 1 5/16 | 1/32 | 5.8 |
| 3V1060-1-SDS | 10.55 | 10.60 | D-Arm | 1/2-2 | 21/32 | 1 5/16 | 1/32 | 7.9 |
| 3V1400-1-SK | 13.95 | 14.00 | C-Arm | 1/2-2 5/8 | 25/32 | 1 15/16 | 15/32 | 14.8 |
| 3V1900-1-SK | 18.95 | 19.00 | C-Arm | 1/2-2 5/8 | 25/32 | 1 15/16 | 15/32 | 24.0 |

| 2 Groove F=1 3/32" | ||||||||
| 3V220-2-JA | 2.15 | 2.20 | E-Sol | 1/2-1 1/4 | 1 1/32 | 2 | 15/16 | 0.6 |
| 3V235-2-JA | 2.30 | 2.35 | E-Sol | 1/2-1 1/4 | 1 | 1 | 29/32 | 0.6 |
| 3V250-2-JA | 2.45 | 2.50 | E-Sol | 1/2-1 1/4 | 1 | 1 | 29/32 | 0.7 |
| 3V265-2-JA | 2.60 | 2.65 | D-Sol | 1/2-1 1/4 | 3/8 | 1 | 15/32 | 0.8 |
| 3V280-2-JA | 2.75 | 2.80 | D-Sol | 1/2-1 1/4 | 3/8 | 1 | 15/32 | 0.9 |
| 3V300-2-JA | 2.95 | 3.00 | D-Sol | 1/2-1 1/4 | 3/8 | 1 | 15/32 | 1.2 |
| 3V315-2-JA | 3.10 | 3.15 | D-Sol | 1/2-1 1/4 | 3/8 | 1 | 15/32 | 1.2 |
| 3V335-2-SH | 3.30 | 3.35 | D-Sol | 1/2-1 5/8 | 17/32 | 15/16 | 5/16 | 1.3 |
| 3V365-2-SH | 3.60 | 3.65 | D-Sol | 1/2-1 5/8 | 17/32 | 15/16 | 5/16 | 1.5 |
| 3V412-2-SH | 4.07 | 4.12 | D-Sol | 1/2-1 5/8 | 11/32 | 15/16 | 1/8 | 2.2 |
| 3V450-2-SH | 4.45 | 4.50 | D-Sol | 1/2-1 5/8 | 11/32 | 15/16 | 1/8 | 2.7 |
| 3V475-2-SH | 4.70 | 4.75 | D-Sol | 1/2-1 5/8 | 11/32 | 15/16 | 1/8 | 3.1 |
| 3V500-2-SH | 4.95 | 5.00 | D-Sol | 1/2-1 5/8 | 11/32 | 15/16 | 1/8 | 3.4 |
| 3V530-2-SH | 5.25 | 5.30 | D-Sol | 1/2-1 5/8 | 11/32 | 15/16 | 1/8 | 3.9 |
| 3V560-2-SH | 5.55 | 5.60 | D-Wed | 1/2-1 5/8 | 11/32 | 15/16 | 1/8 | 4.0 |
| 3V600-2-SH | 5.95 | 6.00 | D-Wed | 1/2-1 5/8 | 11/32 | 15/16 | 1/8 | 4.4 |
| 3V650-2-SDS | 6.45 | 6.50 | D-Wed | 1/2-2 | 11/32 | 15/16 | 1/8 | 6.0 |
| 3V690-2-SDS | 6.85 | 6.90 | D-Wed | 1/2-2 | 11/32 | 15/16 | 1/8 | 7.5 |
| 3V800-2-SDS | 7.95 | 8.00 | D-Arm | 1/2-2 | 11/32 | 15/16 | 1/8 | 8.5 |
| 3V1060-2-SK | 10.55 | 10.60 | C-Arm | 1/2-2 5/8 | 17/32 | 1 15/16 | 5/16 | 12.5 |
| 3V1400-2-SK | 13.95 | 14.00 | C-Arm | 1/2-2 5/8 | 17/32 | 1 15/16 | 5/16 | 19.5 |
| 3V1900-2-SK | 18.95 | 19.00 | C-Arm | 1/2-2 5/8 | 17/32 | 1 15/16 | 5/16 | 27.0 |
| 3V2500-2-SF | 24.95 | 25.00 | C-Arm | 1/2-2 5/16 | 19/32 | 2 1/16 | 3/8 | 38.0 |

| 3 Groove F=1 1/2" | ||||||||
| 3V250-3-JA | 2.45 | 2.50 | E-Sol | 1/2-1 1/4 | 1 13/32 | 1 | 29/32 | 0.8 |
| 3V265-3-JA | 2.60 | 2.65 | D-Sol | 1/2-1 1/4 | 3/8 | 1 | 7/8 | 1.0 |
| 3V280-3-JA | 2.75 | 2.80 | D-Sol | 1/2-1 1/4 | 3/8 | 1 | 7/8 | 1.4 |
| 3V300-3-SH | 2.95 | 3.00 | E-Sol | 1/2-1 5/8 | 1 5/32 | 1 5/16 | 31/32 | 1.7 |
| 3V315-3-SH | 3.10 | 3.15 | E-Sol | 1/2-1 5/8 | 1 5/32 | 1 5/16 | 31/32 | 1.8 |
| 3V335-3-SH | 3.30 | 3.35 | D-Sol | 1/2-1 5/8 | 17/32 | 1 5/16 | 23/32 | 1.9 |
| 3V365-3-SH | 3.60 | 3.65 | D-Sol | 1/2-1 5/8 | 17/32 | 1 5/16 | 23/32 | 2.3 |
| 3V412-3-SH | 4.07 | 4.12 | A-Sol | 1/2-1 5/8 | 1/32 | 1 5/16 | 5/32 | 2.8 |
| 3V450-3-SDS | 4.45 | 4.50 | A-Sol | 1/2-2 | 1/32 | 1 5/16 | 5/32 | 3.5 |
| 3V475-3-SDS | 4.70 | 4.75 | A-Sol | 1/2-2 | 1/32 | 1 5/16 | 5/32 | 4.0 |
| 3V500-3-SDS | 4.95 | 5.00 | A-Sol | 1/2-2 | 1/32 | 1 5/16 | 5/32 | 4.5 |
| 3V530-3-SDS | 5.25 | 5.30 | A-Sol | 1/2-2 | 1/32 | 1 5/16 | 5/32 | 5.2 |
| 3V560-3-SDS | 5.55 | 5.60 | A-Sol | 1/2-2 | 1/32 | 1 5/16 | 5/32 | 6.0 |
| 3V600-3-SDS | 5.95 | 6.00 | A-Wed | 1/2-2 | 1/32 | 1 5/16 | 5/32 | 7.0 |
| 3V650-3-SDS | 6.45 | 6.50 | A-Wed | 1/2-2 | 1/32 | 1 5/16 | 5/32 | 8.1 |
| 3V690-3-SDS | 6.85 | 6.90 | A-Wed | 1/2-2 | 1/32 | 1 5/16 | 5/32 | 8.9 |
| 3V800-3-SK | 7.95 | 8.00 | D-Wed | 1/2-2 5/8 | 17/32 | 1 15/16 | 3/32 | 11.3 |
| 3V1060-3-SK | 10.55 | 10.60 | D-Arm | 1/2-2 5/8 | 17/32 | 1 15/16 | 3/32 | 14.0 |
| 3V1400-3-SK | 13.95 | 14.00 | D-Arm | 1/2-2 5/8 | 17/32 | 1 15/16 | 3/32 | 21.6 |
| 3V1900-3-SF | 18.95 | 19.00 | D-Arm | 1/2-2 5/16 | 19/32 | 2 1/16 | 1/32 | 32.1 |
| 3V2500-3-SF | 24.95 | 25.00 | D-Arm | 1/2-2 5/16 | 19/32 | 2 1/16 | 1/32 | 50.8 |
| 3V3350-3-SF | 33.45 | 33.50 | D-Arm | 1/2-2 5/16 | 19/32 | 2 1/16 | 1/32 | 78.0 |

| 4 Groove F=1 29/32" | ||||||||
| 3V265-4-JA | 2.60 | 2.65 | D-Sol | 1/2-1 1/4 | 3/8 | 1 | 1 9/32 | 1.3 |
| 3V280-4-JA | 2.75 | 2.80 | D-Sol | 1/2-1 1/4 | 3/8 | 1 | 1 9/32 | 1.7 |
| 3V300-4-SH | 2.95 | 3.00 | E-Sol | 1/2-1 5/8 | 1 1/2 | 1 5/16 | 29/32 | 2.0 |
| 3V315-4-SH | 3.10 | 3.15 | E-Sol | 1/2-1 5/8 | 1 1/2 | 1 5/16 | 29/32 | 2.2 |
| 3V335-4-SH | 3.30 | 3.35 | D-Sol | 1/2-1 5/8 | 17/32 | 1 5/16 | 1 1/8 | 2.3 |
| 3V365-4-SH | 3.60 | 3.65 | D-Sol | 1/2-1 5/8 | 17/32 | 1 5/16 | 1 1/8 | 2.8 |
| 3V412-4-SH | 4.07 | 4.12 | A-Sol | 1/2-1 5/8 | 5/32 | 1 5/16 | 7/16 | 3.4 |
| 3V450-4-SDS | 4.45 | 4.50 | A-Sol | 1/2-2 | 5/32 | 1 5/16 | 7/16 | 4.0 |
| 3V475-4-SDS | 4.70 | 4.75 | A-Sol | 1/2-2 | 5/32 | 1 5/16 | 7/16 | 4.6 |
| 3V500-4-SDS | 4.95 | 5.00 | A-Sol | 1/2-2 | 5/32 | 1 5/16 | 7/16 | 5.2 |
| 3V530-4-SDS | 5.25 | 5.30 | A-Sol | 1/2-2 | 5/32 | 1 5/16 | 7/16 | 5.8 |
| 3V560-4-SDS | 5.55 | 5.60 | A-Sol | 1/2-2 | 5/32 | 1 5/16 | 7/16 | 6.8 |
| 3V600-4-SK | 5.95 | 6.00 | D-Sol | 1/2-2 5/8 | 5/32 | 1 15/16 | 1/8 | 8.3 |
| 3V650-4-SK | 6.45 | 6.50 | D-Sol | 1/2-2 5/8 | 5/32 | 1 15/16 | 1/8 | 10.0 |
| 3V690-4-SK | 6.85 | 6.90 | D-Sol | 1/2-2 5/8 | 5/32 | 1 15/16 | 1/8 | 11.9 |
| 3V800-4-SK | 7.95 | 8.00 | D-Wed | 1/2-2 5/8 | 5/32 | 1 15/16 | 1/8 | 13.0 |
| 3V1060-4-SK | 10.55 | 10.60 | D-Arm | 1/2-2 5/8 | 5/32 | 1 15/16 | 1/8 | 16.5 |
| 3V1400-4-SK | 13.95 | 14.00 | D-Arm | 1/2-2 5/8 | 5/32 | 1 15/16 | 1/8 | 22.5 |
| 3V1900-4-SF | 18.95 | 19.00 | D-Arm | 1/2-2 5/16 | 7/32 | 2 1/16 | 1/16 | 35.0 |
| 3V2500-4-SF | 24.95 | 25.00 | D-Arm | 1/2-2 5/16 | 7/32 | 2 1/16 | 1/16 | 57.0 |
| 3V3350-4-E | 33.45 | 33.50 | C-Arm | 7/8-3 1/2 | 21/32 | 2 3/4 | 3/16 | 84.0 |

| 5 Groove F=2 5/16" | ||||||||
| 3V475-5-SDS | 4.70 | 4.75 | A-Sol | 1/2-2 | 5/32 | 1 5/16 | 27/32 | 5.1 |
| 3V500-5-SDS | 4.95 | 5.00 | A-Sol | 1/2-2 | 5/32 | 1 5/16 | 27/32 | 5.7 |
| 3V530-5-SK | 5.25 | 5.30 | A-Sol | 1/2-2 5/8 | 5/32 | 1 5/16 | 7/32 | 6.5 |
| 3V560-5-SK | 5.55 | 5.60 | A-Sol | 1/2-2 5/8 | 5/32 | 1 5/16 | 7/32 | 7.5 |
| 3V600-5-SK | 5.95 | 6.00 | A-Sol | 1/2-2 5/8 | 5/32 | 1 5/16 | 7/32 | 8.9 |
| 3V650-5-SK | 6.45 | 6.50 | A-Wed | 1/2-2 5/8 | 5/32 | 1 5/16 | 7/32 | 10.6 |
| 3V690-5-SK | 6.85 | 6.90 | A-Wed | 1/2-2 5/8 | 5/32 | 1 5/16 | 7/32 | 12.8 |
| 3V800-5-SK | 7.95 | 8.00 | A-Wed | 1/2-2 5/8 | 5/32 | 1 5/16 | 7/32 | 13.6 |
| 3V1060-5-SK | 10.55 | 10.60 | A-Arm | 1/2-2 5/8 | 5/32 | 1 5/16 | 7/32 | 17.0 |
| 3V1400-5-SF | 13.95 | 14.00 | A-Arm | 1/2-2 5/16 | 1/32 | 2 1/16 | 7/32 | 26.0 |
| 3V1900-5-SF | 18.95 | 19.00 | A-Arm | 1/2-2 5/16 | 1/32 | 2 1/16 | 7/32 | 41.0 |
| 3V2500-5-E | 24.95 | 25.00 | D-Arm | 7/8-3 1/2 | 17/32 | 2 3/4 | 3/32 | 63.0 |
| 3V3350-5-E | 33.45 | 33.50 | D-Arm | 7/8-3 1/2 | 17/32 | 2 3/4 | 3/32 | 95.0 |

| 6 Groove F=2 23/32" | ||||||||
| 3V475-6-SDS | 4.70 | 4.75 | D-Sol | 1/2-2 5/8 | 21/32 | 1 15/16 | 1 7/16 | 6.0 |
| 3V500-6-SDS | 4.95 | 5.00 | D-Sol | 1/2-2 5/8 | 21/32 | 1 15/16 | 1 7/16 | 6.3 |
| 3V530-6-SK | 5.25 | 5.30 | A-Sol | 1/2-2 5/8 | 17/32 | 1 15/16 | 1/4 | 6.9 |
| 3V560-6-SK | 5.55 | 5.60 | A-Sol | 1/2-2 5/8 | 17/32 | 1 15/16 | 1/4 | 8.5 |
| 3V600-6-SK | 5.95 | 6.00 | A-Sol | 1/2-2 5/8 | 17/32 | 1 15/16 | 1/4 | 9.8 |
| 3V650-6-SK | 6.45 | 6.50 | A-Sol | 1/2-2 5/8 | 17/32 | 1 15/16 | 1/4 | 11.4 |
| 3V690-6-SK | 6.85 | 6.90 | A-Sol | 1/2-2 5/8 | 17/32 | 1 15/16 | 1/4 | 13.4 |
| 3V800-6-SK | 7.95 | 8.00 | A-Wed | 1/2-2 5/8 | 3/32 | 2 1/16 | 11/16 | 15.0 |
| 3V1060-6-SK | 10.55 | 10.60 | A-Arm | 1/2-2 5/16 | 1/32 | 2 1/16 | 5/8 | 22.6 |
| 3V1400-6-SF | 13.95 | 14.00 | A-Arm | 1/2-2 5/16 | 1/32 | 2 3/4 | 5/8 | 29.5 |
| 3V1900-6-SF | 18.95 | 19.00 | D-Arm | 7/8-3 1/2 | 5/32 | 2 3/4 | 1/8 | 44.0 |
| 3V2500-6-E | 24.95 | 25.00 | D-Arm | 7/8-3 1/2 | 5/32 | 2 3/4 | 1/8 | 65.0 |
| 3V3350-6-E | 33.45 | 33.50 | D-Arm | 7/8-3 1/2 | 5/32 | 2 3/4 | 1/8 | 101.0 |
| 8 Groove F=3 17/32" | ||||||||
| 3V475-8-SK | 4.70 | 4.75 | D-Sol | 1/2-2 5/8 | 21/32 | 1 15/16 | 2 1/4 | 7.2 |
| 3V500-8-SK | 4.95 | 5.00 | D-Sol | 1/2-2 5/8 | 21/32 | 1 15/16 | 2 1/4 | 7.8 |
| 3V530-8-SK | 5.25 | 5.30 | A-Sol | 1/2-2 5/8 | 17/32 | 1 15/16 | 1 1/16 | 9.3 |
| 3V560-8-SK | 5.55 | 5.60 | A-Sol | 1/2-2 5/8 | 17/32 | 1 15/16 | 1 1/16 | 10.5 |
| 3V600-8-SK | 5.95 | 6.00 | A-Sol | 1/2-2 5/8 | 17/32 | 1 15/16 | 1 1/16 | 12.5 |
| 3V650-8-SK | 6.45 | 6.50 | A-Sol | 1/2-2 5/8 | 17/32 | 1 15/16 | 1 1/16 | 16.0 |
| 3V690-8-SK | 6.85 | 6.90 | A-Sol | 1/2-2 5/8 | 17/32 | 1 15/16 | 1 1/16 | 18.0 |
| 3V800-8-SF | 7.95 | 8.00 | A-Sol | 1/2-2 5/16 | 9/32 | 2 1/16 | 1 3/16 | 21.0 |
| 3V1060-8-SF | 10.55 | 10.60 | A-Wed | 1/2-2 5/16 | 9/32 | 2 1/16 | 1 3/16 | 25.5 |
| 3V1400-8-E | 13.95 | 14.00 | A-Arm | 7/8-3 1/2 | 3/32 | 2 3/4 | 11/16 | 38.5 |
| 3V1900-8-E | 18.95 | 19.00 | A-Arm | 7/8-3 1/2 | 3/32 | 2 3/4 | 11/16 | 54.0 |
| 3V2500-8-E | 24.95 | 25.00 | A-Arm | 7/8-3 1/2 | 3/32 | 2 3/4 | 11/16 | 80.0 |
| 3V3350-8-F | 33.45 | 33.50 | D-Arm | 1-4 | 9/32 | 3 3/4 | 1/16 | 132.0 |

| 10 Groove F=4 | ||||||||
| 3V475-10-SK | 4.70 | 4.75 | D-Sol | 1/2-2 5/8 | 21/32 | 1 15/16 | 3 1/16 | 8.3 |
| 3V500-10-SK | 4.95 | 5.00 | D-Sol | 1/2-2 5/8 | 21/32 | 1 15/16 | 3 1/16 | 9.5 |
| 3V530-10-SK | 5.25 | 5.30 | A-Sol | 1/2-2 5/8 | 21/32 | 1 15/16 | 1 3/4 | 10.2 |
| 3V560-10-SK | 5.55 | 5.60 | A-Sol | 1/2-2 5/8 | 21/32 | 1 15/16 | 1 3/4 | 11.4 |
| 3V600-10-SK | 5.95 | 6.00 | A-Sol | 1/2-2 5/8 | 21/32 | 1 15/16 | 1 3/4 | 14.5 |
| 3V650-10-SK | 6.45 | 6.50 | A-Sol | 1/2-2 5/8 | 21/32 | 1 15/16 | 1 3/4 | 17.5 |
| 3V690-10-SK | 6.85 | 6.90 | A-Sol | 1/2-2 5/8 | 21/32 | 1 15/16 | 1 3/4 | 20.0 |
| 3V800-10-SF | 7.95 | 8.00 | A-Sol | 1/2-2 5/16 | 21/32 | 2 1/16 | 1 5/8 | 24.0 |
| 3V1060-10-E | 10.55 | 10.60 | A-Wed | 7/8-3 1/2 | 3/32 | 2 3/4 | 1 1/2 | 30.2 |
| 3V1400-10-E | 13.95 | 14.00 | A-Arm | 7/8-3 1/2 | 3/32 | 2 3/4 | 1 1/2 | 42.8 |
| 3V1900-10-E | 18.95 | 19.00 | A-Arm | 7/8-3 1/2 | 3/32 | 2 3/4 | 1 1/2 | 64.0 |
| 3V2500-10-F | 24.95 | 25.00 | D-Arm | 1-4 | 1/32 | 3 3/4 | 5/8 | 99.0 |
| 3V3350-10-F | 33.45 | 33.50 | D-Arm | 1-4 | 1/32 | 3 3/4 | 5/8 | 158.0 |
公司名稱:上海邁動機電設備有限公司
公司地址:上海青浦工業區崧海路98號
郵政編碼:201703
公司電話:021-54422420
公司傳真:021-54422420-801
郵箱:shmidon@126.com
戶名:上海邁動機電設備有限公司
稅號:310112660703692
開戶行:工行上海莘莊支行
賬號:1001140209007024765
電話:021-54422420 54422402
傳真:021-54422420-801
地址:上海莘莊工業園區申富路128號(開票)
地址:上海青浦工業園區崧海路98號(收貨地址)
上海邁動機電設備有限公司提供17%的增值稅發票;
品質100%保證,讓你更放心使用。