86-021-54422420 13818829143
86-021-54422402 17701898099
All products
聯軸器 Coupling
傳動輪 Pulley
脹套 Lock
絲桿導軌 ScrewGuide
離合制動器 Clutch
傳動器 Actuators
皮帶 Belt
電機 Motor
軸承 Bearing


【邁動工業】SFI 滾珠絲桿:
是一款使用最廣泛的滾珠絲桿之一,精度可做到7級到3級之間,應客戶需要做成研磨級。具體參數如下:
【動工業】軋制滾珠絲桿的優點:
1.壽命高:由于冷撞壓成形,絲杠,牙紋表面組織變的更加致密,耐磨性更高。
2.光潔度好:由于冷撞壓成形,絲杠,牙紋表面組織變的更加致密,因此有極好的表面光潔度。
3.缺口敏感性降低:由于冷撞壓成形,原材料的纖維設斷。
4.優異的尺寸精度:通過模具擠壓成形,每根工件的尺寸基本一致,絲杠、螺栂 的互換性好。
5.合理的制造工藝:工件長度不愛機床長度的限制。
6. 生產周期相對較短:由于大批量自動化生產,因此常備庫存,按客戶要求加工限可。
7. 更經濟:適合大批量自動化生產的需要,降低人力資源和成本。
如若要精度更高的產品,請見我們的研磨絲桿

通過返向器完成滾珠循環,設計簡潔、加工容易,適合部空間較較小之機械裝配

使用頂級鋼材原料、投入國內專業人才研發制造,使軋制絲杠達到高精度水準。



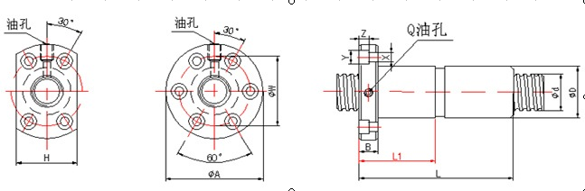
【邁動工業】DFI 雙螺母法蘭形滾軋絲桿

【邁動工業】DFI 雙螺母法蘭形滾珠絲桿的優點: 1.壽命高:由于冷撞壓成形,絲杠,牙紋表面組織變的更加致密,耐磨性更高。 2.光潔度好:由于冷撞壓成形,絲杠,牙紋表面組織變的更加致密,因此有極好的表面光潔度。 3.缺口敏感性降低:由于冷撞壓成形,原材料的纖維設斷。 4.優異的尺寸精度:通過模具擠壓成形,每根工件的尺寸基本一致,絲杠、螺栂 的互換性好。 5.合理的制造工藝:工件長度不愛機床長度的限制。 6. 生產周期相對較短:由于大批量自動化生產,因此常備庫存,按客戶要求加工限可。 7. 更經濟:適合大批量自動化生產的需要,降低人力資源和成本。 如若要精度更高的產品,請見我們的研磨絲桿
| |||||||||||||||||
| 規格型號 | 公稱直徑 | 導程 | 鋼球直徑 | 螺帽安裝鏈接尺寸(MM) | 滾珠圈數 | 動額定負荷CaKN | 靜額定負荷CoKN | 剛性KN/μm | |||||||||
| D | A | B | L | W | H | X | Y | Z | Q | ||||||||
| *DFI 1604-4 | 16 | 4 | 2.38 | 30 | 49 | 10 | 80 | 39 | 34 | 4.5 | 8 | 4.5 | M6 | 4 | 640 | 1340 | 35 |
| *DFI 1605-4 | 5 | 3.18 | 30 | 49 | 10 | 100 | 39 | 34 | 4.5 | 8 | 4.5 | M6 | 4 | 780 | 1790 | 36 | |
| DFI 2004-4 | 20 | 4 | 2.38 | 34 | 57 | 11 | 80 | 45 | 40 | 5.5 | 9.5 | 5.5 | M6 | 4 | 670 | 1480 | 41 |
| *DFI 2005-4 | 5 | 3.18 | 34 | 57 | 11 | 101 | 45 | 40 | 5.5 | 9.5 | 5.5 | M6 | 4 | 1130 | 2380 | 45 | |
| DFI 2504-4 | 25 | 4 | 2.38 | 40 | 63 | 11 | 80 | 51 | 46 | 5.5 | 9.5 | 5.5 | M6 | 4 | 760 | 1950 | 48 |
| *DFI 2505-4 | 5 | 3.18 | 40 | 63 | 11 | 101 | 51 | 46 | 5.5 | 9.5 | 5.5 | M8 | 4 | 1280 | 3110 | 63 | |
| *DFI 2510-4 | 10 | 4.76 | 46 | 72 | 12 | 145 | 58 | 52 | 6.5 | 11 | 6.5 | M6 | 4 | 1944 | 3877 | 65 | |
| DFI03204-4 | 32 | 4 | 2.38 | 46 | 72 | 12 | 80 | 58 | 52 | 6.5 | 11 | 6.5 | M6 | 4 | 860 | 3050 | 56 |
| *DFI 3205-4 | 5 | 3.18 | 46 | 72 | 12 | 102 | 58 | 52 | 6.5 | 11 | 6.5 | M8 | 4 | 1450 | 4150 | 72 | |
| *DFI 3210-4 | 10 | 6.35 | 54 | 88 | 15 | 162 | 70 | 62 | 9 | 14 | 8.5 | M8 | 4 | 3390 | 7170 | 72 | |
| *DFI 4005-4 | 40 | 5 | 3.18 | 56 | 90 | 15 | 105 | 72 | 64 | 9 | 14 | 8.5 | M8 | 4 | 1610 | 5330 | 98 |
| *DFI 4010-4 | 10 | 6.35 | 62 | 104 | 18 | 165 | 82 | 70 | 11 | 17.5 | 11 | M8 | 4 | 3910 | 9520 | 90 | |
| DFI 5010-4 | 50 | 10 | 6.35 | 72 | 114 | 18 | 171 | 92 | 82 | 11 | 17.5 | 11 | M8 | 4 | 4450 | 12500 | 117 |
| *DFI 6310-4 | 63 | 10 | 6.35 | 85 | 131 | 22 | 182 | 107 | 95 | 14 | 20 | 13 | M8 | 4 | 5070 | 16600 | 114 |
| *DFI 8010-4 | 80 | 10 | 6.35 | 105 | 150 | 22 | 182 | 127 | 115 | 14 | 20 | 13 | M8 | 4 | 5620 | 21300 | 162 |
| 注 有標注*記號者可制作左螺紋 | |||||||||||||||||


公司名稱:上海邁動機電設備有限公司
公司地址:上海青浦工業區崧海路98號
郵政編碼:201703
公司電話:021-54422420
公司傳真:021-54422420-801
郵箱:shmidon@126.com
戶名:上海邁動機電設備有限公司
稅號:310112660703692
開戶行:工行上海莘莊支行
賬號:1001140209007024765
電話:021-54422420 54422402
傳真:021-54422420-801
地址:上海莘莊工業園區申富路128號(開票)
地址:上海青浦工業園區崧海路98號(收貨地址)
上海邁動機電設備有限公司提供17%的增值稅發票;
品質100%保證,讓你更放心使用。
ADD:上海邁動機電設備有限公司 備案號:滬ICP備15037005
TEL:86-021-54422420,021-544227902 ,021-54422402 MB:13818829143,17701898099

