86-021-54422420 13818829143
86-021-54422402 17701898099
All products
聯軸器 Coupling
傳動輪 Pulley
脹套 Lock
絲桿導軌 ScrewGuide
離合制動器 Clutch
傳動器 Actuators
皮帶 Belt
電機 Motor
軸承 Bearing

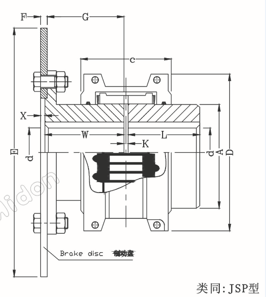
JSP系列 邁動彈簧聯軸器(盤制動式),是一種設計優秀的非金屬性聯軸器,靠蛇形彈簧片來傳送扭矩。其減振功能好,運用時間長,負荷變化量大,起動保險;傳動效力高,運轉牢靠,噪音低,光滑好,設計簡潔,裝拆便捷,答應有較大的裝配偏偏向。
特點:
1、可滿足盤制動剎車功能;
2、柔性啟動,使用壽命長,良好的減振、吸振、緩沖特性;
3、安裝參照JSA系列的方法,多用于煤礦、冶金設備上;
4、常用于大型礦山、冶金設備上。

| 型號 | 公稱扭矩 | 許用轉速 | 軸孔 | D | 制動盤 | 主要尺寸 | 重量 | 注油量 | |||||
| Type | Tr n.m | r/min | d max | E*F | L | A | G | W | C | X | kg | oil kg | |
| JSP01 | 10 | 4500 | 28 | 98 | 205*20 | 52 | 40 | 62 | 62 | 70 | 19 | 8 | 0.03 |
| JSP02 | 35 | 4500 | 35 | 110 | 255*20 | 52 | 50 | 62 | 62 | 70 | 19 | 11 | 0.03 |
| JSP03 | 65 | 45000 | 42 | 120 | 255*20 | 52 | 55 | 62 | 62 | 74 | 19 | 12 | 0.06 |
| JSP04 | 117 | 4200 | 48 | 138 | 255*20 | 62 | 65 | 62 | 62 | 80 | 21 | 15 | 0.06 |
| JSP05 | 207 | 3800 | 55 | 155 | 315*20 | 62 | 75 | 87 | 87 | 95 | 23 | 20 | 0.09 |
| JSP06 | 328 | 3300 | 65 | 170 | 315*20 | 82 | 90 | 87 | 87 | 96 | 23 | 25 | 0.09 |
| JSP07 | 630 | 2800 | 75 | 195 | 315*20 | 112 | 105 | 87 | 87 | 120 | 23 | 33 | 0.17 |
| JSP08 | 1000 | 2700 | 85 | 212 | 400*30 | 112 | 125 | 87 | 87 | 124 | 33 | 57 | 0.26 |
| JSP09 | 1800 | 2500 | 100 | 248 | 400*30 | 142 | 140 | 122 | 122 | 160 | 35 | 80 | 0.43 |
| JSP10 | 2800 | 2300 | 110 | 274 | 450*30 | 142 | 160 | 147 | 147 | 166 | 38 | 97 | 0.51 |
| JSP11 | 4300 | 2100 | 125 | 324 | 500*30 | 142 | 180 | 147 | 147 | 190 | 38 | 124 | 0.74 |
| JSP12 | 6000 | 1800 | 150 | 368 | 560*30 | 172 | 220 | 152 | 152 | 190 | 38 | 184 | 0.91 |
| JSP13 | 8700 | 1600 | 180 | 400 | 630*30 | 172 | 256 | 152 | 152 | 200 | 42 | 244 | 1.14 |
| JSP14 | 12000 | 1500 | 200 | 458 | 760*30 | 212 | 270 | 182 | 182 | 275 | 42 | 360 | 1.9 |
| JSP15 | 16000 | 1300 | 220 | 500 | 915*30 | 212 | 305 | 197 | 197 | 275 | 42 | 573 | 2.8 |

公司名稱:上海邁動機電設備有限公司
公司地址:上海青浦工業區崧海路98號
郵政編碼:201703
公司電話:021-54422420
公司傳真:021-54422420-801
郵箱:shmidon@126.com
戶名:上海邁動機電設備有限公司
稅號:310112660703692
開戶行:工行上海莘莊支行
賬號:1001140209007024765
電話:021-54422420 54422402
傳真:021-54422420-801
地址:上海莘莊工業園區申富路128號(開票)
地址:上海青浦工業園區崧海路98號(收貨地址)
上海邁動機電設備有限公司提供17%的增值稅發票;
品質100%保證,讓你更放心使用。
ADD:上海邁動機電設備有限公司 備案號:滬ICP備15037005
TEL:86-021-54422420,021-544227902 ,021-54422402 MB:13818829143,17701898099