86-021-54422420 13818829143
86-021-54422402 17701898099
All products
聯軸器 Coupling
傳動輪 Pulley
脹套 Lock
絲桿導軌 ScrewGuide
離合制動器 Clutch
傳動器 Actuators
皮帶 Belt
電機 Motor
軸承 Bearing

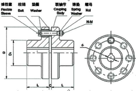
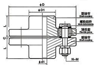
FCL型彈性套柱銷聯軸器的特點:
廣泛用于風機,水泵,農機,粉碎機,
其結構簡單,安裝方便,更換容易,很實惠用。外觀漂亮
尺寸小,重量輕,因而得到廣泛使用。
如若安裝調整后能保持兩軸相對位移量在規定的范圍內,
則聯軸器會有滿意的使用性能和較長的工作壽命。因此能廣泛用于載荷不大,由電動機驅動的各種中、小功率傳動軸系中,如減速機、起重機、壓縮機、輸送機、紡織機、卷揚機、球磨機等。





彈性套柱銷聯軸器的許用相對位移: 徑向位移:0.2~0.6mm 角位移:0°30′~1°30′
FCL 聯軸器外形尺寸參數
| 型號 | 許用轉矩 N.m | 許用轉速 r/min | 外徑 D | 臺徑 D1 | 工藝孔 d 1 | 最大孔 d | 軸套長 L | 蘭法厚 F1/F2 | 間隙 C | 中分圓 B | 螺栓數*形號 n-a | 銷數*大孔 n*M | 彈體 | 重量 KG | |
| FCL75 | 3 | 6000 | 75 | 33.5 | 8 | 15 | 27 | 11 | 3 | 52 | 3-M8*46 | 3*18 | FCL75T | F0 | 0.9 |
| FCL90 | 4 | 4000 | 90 | 35.5 | 11 | 20 | 28 | 14 | 3 | 60 | 4-M8×50 | 4*19 | FCL90T | F1 | 1.7 |
| FCL100 | 10 | 4000 | 100 | 40 | 11 | 22 | 35.5 | 16 | 3 | 67 | 4-M10×56 | 4*23 | FCL100T | F2 | 2.3 |
| FCL112 | 16 | 4000 | 112 | 45 | 13 | 25 | 40 | 16 | 3 | 75 | 4-M10×56 | 4*23 | FCL112T | F2 | 3.09 |
| FCL125 | 25 | 4000 | 125 | 50 | 13 | 28 | 45 | 18 | 3 | 85 | 4-M12×64 | 4*32 | FCL125T | F3 | 4.18 |
| FCL140 | 50 | 4000 | 140 | 63 | 13 | 35 | 50 | 18 | 3 | 100 | 6-M12×64 | 6*32 | FCL140T | F3 | 5.81 |
| FCL160 | 110 | 4000 | 160 | 80 | 15 | 45 | 56 | 18 | 3 | 115 | 8-M12×64 | 8*32 | FCL160T | F3 | 8.24 |
| FCL180 | 157 | 3500 | 180 | 90 | 15 | 50 | 63 | 18 | 3 | 132 | 8-M12×64 | 8*32 | FCL180T | F3 | 11.1 |
| FCL200 | 245 | 3200 | 200 | 100 | 21 | 55 | 71 | 22.4 | 4 | 145 | 8-M20×85 | 8*41 | FCL200T | F4 | 16.6 |
| FCL224 | 392 | 2850 | 224 | 112 | 21 | 65 | 80 | 22.4 | 4 | 170 | 8-M20×85 | 8*41 | FCL224T | F4 | 22 |
| FCL235 | 412 | 2750 | 235 | 117 | 25 | 65 | 85 | 22.4 | 4 | 170 | 8-M20*85 | 8*41 | FCL235T | F4 | 30 |
| FCL250 | 618 | 2550 | 250 | 125 | 25 | 70 | 90 | 28 | 4 | 180 | 8-M24×110 | 8*49 | FCL250T | F5 | 32.4 |
| FCL280 | 980 | 2300 | 280 | 140 | 34 | 80 | 100 | 28/40 | 4 | 200 | 8-M24×116 | 8*49 | FCL280T | F5 | 45 |
| FCL315 | 1568 | 2050 | 315 | 160 | 41 | 90 | 112 | 28/40 | 4 | 236 | 10-M24×116 | 10*49 | FCL315T | F5 | 61.1 |
| FCL355 | 2450 | 1800 | 355 | 180 | 60 | 100 | 125 | 32/50 | 5 | 260 | 8-M30×150 | 8*62 | FCL355T | F6 | 89.5 |
| FCL400 | 3920 | 1600 | 400 | 200 | 60 | 115 | 125 | 32/50 | 5 | 292 | 10-M30×150 | 10*62 | FCL400T | F6 | 113 |
| FCL450 | 6174 | 1400 | 450 | 224 | 65 | 125 | 140 | 32/50 | 5 | 328 | 12-M30×150 | 12*62 | FCL450T | F6 | 145 |
| FCL560 | 9800 | 1150 | 560 | 250 | 85 | 165 | 160 | 32/50 | 5 | 408 | 14-M30×150 | 14*62 | FCL560T | F6 | 229 |
| FCL630 | 15680 | 1000 | 630 | 280 | 95 | 185 | 180 | 32/50 | 5 | 460 | 18-M30×150 | 18*62 | FCL630T | F6 | 296 |
| FCL710 | 18652 | 960 | 710 | 320 | 110 | 210 | 200 | 32/50 | 5 | 520 | 22-M30×150 | 22*62 | FCL710T | F6 | 332 |

公司名稱:上海邁動機電設備有限公司
公司地址:上海青浦工業區崧海路98號
郵政編碼:201703
公司電話:021-54422420
公司傳真:021-54422420-801
郵箱:shmidon@126.com
戶名:上海邁動機電設備有限公司
稅號:310112660703692
開戶行:工行上海莘莊支行
賬號:1001140209007024765
電話:021-54422420 54422402
傳真:021-54422420-801
地址:上海莘莊工業園區申富路128號(開票)
地址:上海青浦工業園區崧海路98號(收貨地址)
上海邁動機電設備有限公司提供17%的增值稅發票;
品質100%保證,讓你更放心使用。
ADD:上海邁動機電設備有限公司 備案號:滬ICP備15037005
TEL:86-021-54422420,021-544227902 ,021-54422402 MB:13818829143,17701898099