86-021-54422420 13818829143
86-021-54422402 17701898099
All products
聯軸器 Coupling
傳動輪 Pulley
脹套 Lock
絲桿導軌 ScrewGuide
離合制動器 Clutch
傳動器 Actuators
皮帶 Belt
電機 Motor
軸承 Bearing

DHM3 N型電磁失電制動器
主要特性是DHM3-N型電磁失電制動器防護等級為IP65,DHM3-4N、8N、15N、30N制動器防護等級為IP54,DHM3-1.5N、30N制動器為用螺釘手動釋放結構,DHM3-4N、8N、15N制動器為用手柄釋放結構且手柄具有自鎖功能。
㈡、主要用途:DHM3-口C型電磁失電制動器廣泛用于機床、冶金、化工、建筑、包裝等機械傳動系統中,起定位、斷電保護作用,具有動作靈敏、制動速度快的特點。
㈢、制動器在下列條件下能可靠工作:
1、制動器安裝地點海拔不超過2000m;
2、周圍環境溫度-5℃—+40℃;
3、周圍介質中無爆炸危險,且無足以腐蝕金屬和破壞絕緣的氣體及導電塵埃;
4、制動器線圈電壓波動不超過+5%和―15%額定電壓;
5、在干式條件下工作。
㈣、安裝:
1、安裝時制動器必須清洗干凈,摩擦面和制動器內部不得有油污和塵埃;
2、齒輪套不允許有軸向竄動。
DHM3-N主要性能參數
規格 | 額定靜力矩 N.m | 額定電壓 D.C.V | 線圈消耗功率(20℃)W | 接通時間(≦)ms | 斷開時間(≦)ms | 允許最高轉速r/min |
1.5N | 15 | 110 | 50 | 55 | 160 | 3000 |
4N | 40 | 170 | 53 | 80 | 250 | 3000 |
8N | 80 | 170 | 74 | 100 | 290 | 3000 |
15N | 80-100 | 170 | 85 | 150 | 350 | 1500 |
30N | 300 | 170 | 123 | 275 | 550 | 1500 |
DHM3-1.5N 失電制動器-邁動工業

DHM3-4N 失電制動器

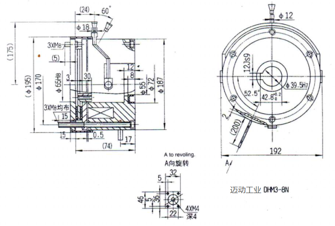
DHM3-8N失電離合器

DHM3-15N 失電制動器

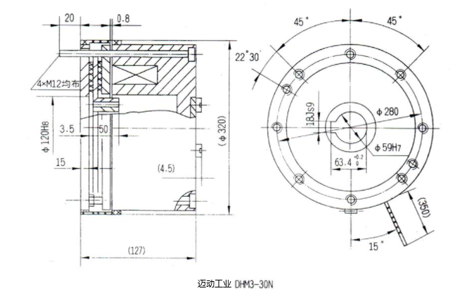
DHM3-30N 失電制動器

公司名稱:上海邁動機電設備有限公司
公司地址:上海青浦工業區崧海路98號
郵政編碼:201703
公司電話:021-54422420
公司傳真:021-54422420-801
郵箱:shmidon@126.com
戶名:上海邁動機電設備有限公司
稅號:310112660703692
開戶行:工行上海莘莊支行
賬號:1001140209007024765
電話:021-54422420 54422402
傳真:021-54422420-801
地址:上海莘莊工業園區申富路128號(開票)
地址:上海青浦工業園區崧海路98號(收貨地址)
上海邁動機電設備有限公司提供17%的增值稅發票;
品質100%保證,讓你更放心使用。
ADD:上海邁動機電設備有限公司 備案號:滬ICP備15037005
TEL:86-021-54422420,021-544227902 ,021-54422402 MB:13818829143,17701898099