86-021-54422420 13818829143
86-021-54422402 17701898099

D型美標TB錐套皮帶輪 D型美標TB套皮帶輪,D形皮帶輪,D型皮帶輪,美標皮帶輪,錐套美標皮帶輪,邁動工業皮帶輪,皮帶輪工廠,18年匠工研造,值得信賴。
D型美標TB錐套皮帶輪(Taper Bush Pulley)是一種廣泛應用于機械傳動的標準化組件,其設計結合了美國標準(如RMA或ANSI)和錐套技術,
具有以下顯著優點:
1. 錐套設計,安裝便捷,自對中功能:錐套與軸通過錐度配合,自動調整同心度,減少安裝誤差,確保傳動平穩。
快速拆裝:僅需擰緊或松開錐套上的螺栓即可固定或拆卸皮帶輪,無需加熱、液壓工具或復雜操作,節省維護時間。
2. 高兼容性與互換性,標準化接口:符合美標(如B型皮帶尺寸)和TB錐套系列標準,尺寸統一,方便與其他標準傳動部件配合使用。
3. 卓越的傳動性能,高扭矩傳遞:錐套與軸的錐面緊密貼合,提供更大的摩擦接觸面積,避免打滑,適合高負載、高轉速工況。
4. 耐用性與可靠性,優質材料:通常采用高強度鑄鐵(如GG20/GG25)或鋼制結構,耐磨抗腐蝕,適用于惡劣工業環境。
5. 廣泛應用多行業:通用設計使其適用于農業機械、風機、泵、輸送設備、加工機床等多種領域。



D型4槽美標錐套皮帶輪
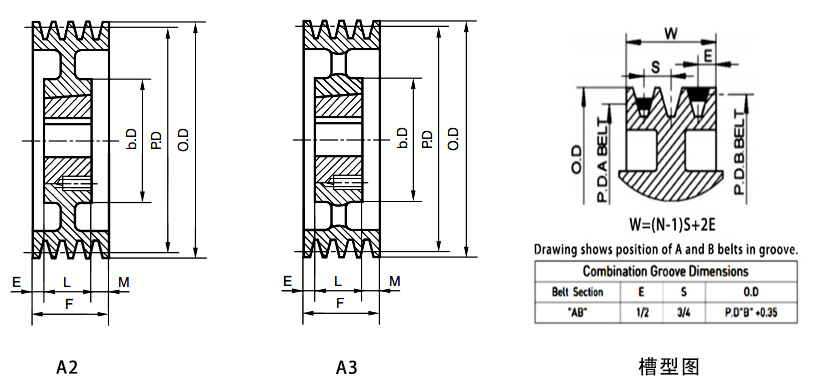
| 4槽 Groove F=6 1/16" | P.D. | 外徑 O.D | 圖例 TYPE | 錐套 BUSH | 最大孔 BUSH MAX. BORE | 左邊距 E | 總厚 L THRU BORE | 右邊距 M | 重量 WT. LESS BUSH |
| 型號 PART NUMBER | 皮帶 C BELTS | ||||||||
| D120-4-3535 | 12.00 | 12.60 | A-2 | 3535 | 3 1/2 | 3/4 | 3 1/2 | 1 13/16 | 63.0 |
| D130-4-3535 | 13.00 | 13.60 | A-2 | 3535 | 3 1/2 | 3/4 | 3 1/2 | 1 13/16 | 73.0 |
| D135-4-3535 | 13.50 | 14.10 | A-2 | 3535 | 3 1/2 | 3/4 | 3 1/2 | 1 13/16 | 78.0 |
| D140-4-3535 | 14.00 | 14.60 | A-2 | 3535 | 3 1/2 | 3/4 | 3 1/2 | 1 13/16 | 83.0 |
| D145-4-3535 | 14.50 | 15.10 | A-2 | 3535 | 3 1/2 | 3/4 | 3 1/2 | 1 13/16 | 94.0 |
| D150-4-3535 | 15.00 | 15.60 | A-2 | 3535 | 3 1/2 | 3/4 | 3 1/2 | 1 13/16 | 96.0 |
| D155-4-3535 | 15.50 | 16.10 | A-2 | 3535 | 3 1/2 | 3/4 | 3 1/2 | 1 13/16 | 99.0 |
| D160-4-3535 | 16.00 | 16.60 | A-2 | 3535 | 3 1/2 | 3/4 | 3 1/2 | 1 13/16 | 104.0 |
| D180-4-3535 | 18.00 | 18.60 | A-3 | 3535 | 3 1/2 | 3/4 | 3 1/2 | 1 13/16 | 109.0 |
| D220-4-4040 | 22.00 | 22.60 | A-3 | 4040 | 4 | 3/4 | 4 | 1 5/16 | 142.0 |
| D270-4-4040 | 27.00 | 27.60 | A-3 | 4040 | 4 | 3/4 | 4 | 1 5/16 | 182.0 |

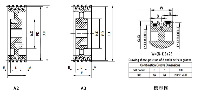
D型5槽美標錐套皮帶輪
| 5槽 Groove F=7 1/2" | P.D. | 外徑 O.D | 圖例 TYPE | 錐套 BUSH | 最大孔 BUSH MAX. BORE | 左邊距 E | 總厚 L THRU BORE | 右邊距 M | 重量 WT. LESS BUSH |
| 型號 PART NUMBER | 皮帶 C BELTS | ||||||||
| D120-5-4040 | 12.00 | 12.60 | A-2 | 4040 | 4 | 1/4 | 4 | 2 3/4 | 82.0 |
| D130-5-4040 | 13.00 | 13.60 | A-2 | 4040 | 4 | 3/4 | 4 | 2 3/4 | 87.0 |
| D135-5-4040 | 13.50 | 14.10 | A-2 | 4040 | 4 | 3/4 | 4 | 2 3/4 | 92.0 |
| D140-5-4040 | 14.00 | 14.60 | A-2 | 4040 | 4 | 3/4 | 4 | 2 3/4 | 97.0 |
| D145-5-4040 | 14.50 | 15.10 | A-2 | 4040 | 4 | 3/4 | 4 | 2 3/4 | 102.0 |
| D150-5-4040 | 15.00 | 15.60 | A-2 | 4040 | 4 | 3/4 | 4 | 2 3/4 | 107.0 |
| D155-5-4040 | 15.50 | 16.10 | A-2 | 4040 | 4 | 3/4 | 4 | 2 3/4 | 112.0 |
| D160-5-4040 | 16.00 | 16.60 | A-2 | 4040 | 4 | 3/4 | 4 | 2 3/4 | 122.0 |
| D180-5-4040 | 18.00 | 18.60 | A-3 | 4040 | 4 | 1 | 4 | 2 1/2 | 132.0 |
| D220-5-4040 | 22.00 | 22.60 | A-3 | 4040 | 4 | 1 | 4 | 2 1/2 | 162.0 |
| D270-5-4040 | 27.00 | 27.60 | A-3 | 4040 | 4 | 1 | 4 | 2 1/2 | 207.0 |

D型6槽美標錐套皮帶輪
| 6槽 Groove F=8 15/16" | P.D. | 外徑 O.D | 圖例 TYPE | 錐套 BUSH | 最大孔 BUSH MAX. BORE | 左邊距 E | 總厚 L THRU BORE | 右邊距 M | 重量 WT. LESS BUSH |
| 型號 PART NUMBER | 皮帶 C BELTS | ||||||||
| D120-6-4040 | 12.00 | 12.60 | A-1 | 4040 | 4 | 1 | 4 | 3 15/16 | 100.0 |
| D130-6-4040 | 13.00 | 13.60 | A-2 | 4040 | 4 | 1 1/2 | 3 7/16 | 105.0 | |
| D135-6-4040 | 13.50 | 14.10 | A-2 | 4040 | 4 | 1 1/2 | 3 7/16 | 107.0 | |
| D140-6-4040 | 14.00 | 14.60 | A-2 | 4040 | 4 | 1 1/2 | 3 7/16 | 112.0 | |
| D145-6-4040 | 14.50 | 15.10 | A-2 | 4040 | 4 | 1 1/2 | 3 7/16 | 117.0 | |
| D150-6-4040 | 15.00 | 15.60 | A-2 | 4040 | 4 | 1 1/2 | 3 7/16 | 122 | |
| D155-6-4040 | 15.50 | 16.10 | A-2 | 4040 | 4 | 1 1/2 | 3 7/16 | 127.0 | |
| D160-6-4040 | 16.00 | 16.60 | A-2 | 4040 | 4 | 1 1/2 | 3 7/16 | 175.0 | |
| D180-6-4040 | 18.00 | 18.60 | A-2 | 4040 | 4 | 1 1/2 | 3 7/16 | 185.0 | |
| D220-6-4040 | 22.00 | 22.60 | A-3 | 4040 | 4 | 1 1/2 | 3 7/16 | 210.0 | |
| D270-6-4545 | 27.00 | 27.60 | A-3 | 4545 | 4 1/2 | 1 3/4 | 4 1/2 | 2 11/16 | 260.0 |
| D330-6-4545 | 33.00 | 33.60 | A-3 | 4545 | 4 1/2 | 1 3/4 | 4 1/2 | 2 11/16 | 340.0 |

D型8槽美標錐套皮帶輪
| 8槽 Groove F=11 13/16" | P.D. | 外徑 O.D | 圖例 TYPE | 錐套 BUSH | 最大孔 BUSH MAX. BORE | 左邊距 E | 總厚 L THRU BORE | 右邊距 M | 重量 WT. LESS BUSH |
| 型號 PART NUMBER | 皮帶 C BELTS | ||||||||
| D120-8-4545 | 12.00 | 12.60 | A-1 | 4545 | 4 1/2 | 1/2 | 4 1/2 | 6 13/16 | 125.0 |
| D130-8-4545 | 13.00 | 13.60 | A-1 | 4545 | 4 1/2 | 1/2 | 4 1/2 | 6 13/16 | 155.0 |
| D135-8-4545 | 13.50 | 14.10 | A-2 | 4545 | 4 1/2 | 1 | 4 1/2 | 6 5/16 | 150.0 |
| D140-8-4545 | 14.00 | 14.60 | A-1 | 4545 | 4 1/2 | 1 | 4 1/2 | 6 5/16 | 155.0 |
| D145-8-4545 | 14.50 | 15.10 | A-2 | 4545 | 4 1/2 | 2 | 4 1/2 | 5 5/16 | 155.0 |
| D150-8-4545 | 15.00 | 15.60 | A-2 | 4545 | 4 1/2 | 2 | 4 1/2 | 5 5/16 | 160.0 |
| D155-8-4545 | 15.50 | 16.10 | A-2 | 4545 | 4 1/2 | 2 | 4 1/2 | 5 5/16 | 165.0 |
| D160-8-4545 | 16.00 | 16.60 | A-2 | 4545 | 4 1/2 | 2 | 4 1/2 | 5 5/16 | 170.0 |
| D180-8-4545 | 18.00 | 18.60 | A-2 | 4545 | 4 1/2 | 2 3/4 | 4 1/2 | 4 9/16 | 180.0 |
| D220-8-4545 | 22.00 | 22.60 | A-3 | 4545 | 4 1/2 | 2 3/4 | 4 1/2 | 4 9/16 | 275.0 |
| D270-8-4545 | 27.00 | 27.60 | A-3 | 4545 | 4 1/2 | 2 3/4 | 4 1/2 | 4 9/16 | 345.0 |
| D330-8-4545 | 33.00 | 33.60 | A-3 | 4545 | 4 1/2 | 2 3/4 | 4 1/2 | 4 9/16 | 455 |

D型10槽美標錐套皮帶輪
| 10槽 Groove F=14 11/16" | P.D. | 外徑 O.D | 圖例 TYPE | 錐套 BUSH | 最大孔 BUSH MAX. BORE | 左邊距 E | 總厚 L THRU BORE | 右邊距 M | 重量 WT. LESS BUSH |
| 型號 PART NUMBER | 皮帶 C BELTS | ||||||||
| D120-10-4545 | 12.00 | 12.60 | A-1 | 4545 | 4 1/2 | 2 3/8 | 4 1/2 | 7 13/16 | 144.0 |
| D130-10-4545 | 13.00 | 13.60 | A-2 | 4545 | 4 1/2 | 2 3/8 | 4 1/2 | 7 13/16 | 170.0 |
| D135-10-4545 | 13.50 | 14.10 | A-2 | 4545 | 4 1/2 | 2 3/8 | 4 1/2 | 7 13/16 | 173.0 |
| D140-10-4545 | 14.00 | 14.60 | A-2 | 4545 | 4 1/2 | 2 3/8 | 4 1/2 | 7 13/16 | 176.0 |
| D145-10-4545 | 14.50 | 15.10 | A-2 | 4545 | 4 1/2 | 2 3/8 | 4 1/2 | 7 13/16 | 180.0 |
| D150-10-4545 | 15.00 | 15.60 | A-2 | 4545 | 4 1/2 | 2 3/8 | 4 1/2 | 7 13/16 | 195.0 |
| D155-10-4545 | 15.50 | 16.10 | A-2 | 4545 | 4 1/2 | 2 3/8 | 4 1/2 | 7 13/16 | 200.0 |
| D160-10-4545 | 16.00 | 16.60 | A-2 | 4545 | 4 1/2 | 2 3/8 | 4 1/2 | 7 13/16 | 221.0 |
| D180-10-4545 | 18.00 | 18.60 | A-2 | 4545 | 4 1/2 | 4 | 4 1/2 | 6 3/16 | 246.0 |
| D220-10-4545 | 22.00 | 22.60 | A-3 | 4545 | 4 1/2 | 4 | 4 1/2 | 6 3/16 | 340.0 |
| D270-10-4545 | 27.00 | 27.60 | A-3 | 4545 | 4 1/2 | 4 | 4 1/2 | 6 3/16 | 415.0 |
| D330-10-4545 | 33.00 | 33.60 | A-3 | 4545 | 4 1/2 | 4 1/4 | 4 1/2 | 5 15/16 | 485.0 |
D型美標TB錐套皮帶輪 D型美標TB套皮帶輪,D形皮帶輪,D型皮帶輪,美標皮帶輪,錐套美標皮帶輪,邁動工業皮帶輪,皮帶輪工廠,18年匠工研造,值得信賴。


公司名稱:上海邁動機電設備有限公司
公司地址:上海青浦工業區崧海路98號
郵政編碼:201703
公司電話:021-54422420
公司傳真:021-54422420-801
郵箱:shmidon@126.com
戶名:上海邁動機電設備有限公司
稅號:310112660703692
開戶行:工行上海莘莊支行
賬號:1001140209007024765
電話:021-54422420 54422402
傳真:021-54422420-801
地址:上海莘莊工業園區申富路128號(開票)
地址:上海青浦工業園區崧海路98號(收貨地址)
上海邁動機電設備有限公司提供17%的增值稅發票;
品質100%保證,讓你更放心使用。