86-021-54422420 13818829143
86-021-54422402 17701898099
All products
聯軸器 Coupling
傳動輪 Pulley
脹套 Lock
絲桿導軌 ScrewGuide
離合制動器 Clutch
傳動器 Actuators
皮帶 Belt
電機 Motor
軸承 Bearing

DJM膜片聯軸器,膜片聯軸器,304不銹鋼膜片聯軸器,脹緊軸套膜片聯軸器
DJM型單型彈性膜片聯軸器為上海邁動工業開發的整體型的不銹鋼膜片聯軸器。
這種膜片聯軸器的優特性能:
1、具有偏心允許范圍大,拆裝迅速。
2、無噪音,磨損,無滑動、摩擦轉動部件,可降低能量損耗重量輕;
3、適合高速運轉場合傳動精度高,壽命長的場合使用。

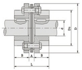
規格 Typle | 公稱扭矩N.M | 許用轉速rpm | l轉動慣 量kg.cm2 | 最大孔 dmax mm | D | A | B | L | J | 許用補償量 | 重量 kg | FI | FCS | |
| mm | mm | mm | mm | mm | 軸向 mm | 角向 | ||||||||
| DJM0 | 9.8 | 20000 | 1.74 | 20 | 57 | 4.9 | 20 | 44.9 | 10 | ±0.8 | 1° | 0.3 | 24 | 120 |
| DJM1 | 33 | 20000 | 8 | 22 | 68 | 6.1 | 26 | 58.1 | 13 | ±0.8 | 1° | 0.6 | 48 | 240 |
| DJM2 | 90 | 20000 | 24 | 32 | 81 | 6.6 | 26 | 58.6 | 16 | ±1.0 | 1° | 1.1 | 88 | 440 |
| DJM3 | 173 | 18000 | 48 | 35 | 93 | 8.4 | 29 | 66.4 | 22 | ±1.2 | 1° | 1.7 | 136 | 680 |
| DJM4 | 245 | 15000 | 80 | 42 | 104 | 11.2 | 34 | 79.2 | 20 | ±1.4 | 1° | 2.5 | 200 | 1000 |
| DJM5 | 420 | 13000 | 224 | 50 | 126 | 11.7 | 42 | 95.7 | 25 | ±1.6 | 45′ | 4.3 | 344 | 1720 |
| DJM6 | 772 | 12000 | 440 | 60 | 143 | 11.7 | 48 | 107.7 | 28 | ±1.8 | 45′ | 6.9 | 414 | 2070 |
| DJM7 | 1270 | 10000 | 1080 | 75 | 168 | 16.8 | 58 | 132.8 | 23 | ±2.0 | 45′ | 11.3 | 678 | 3390 |
| DJM8 | 2080 | 10000 | 2080 | 82 | 194 | 17 | 64 | 145 | 30 | ±2.2 | 45′ | 16.7 | 1002 | 5010 |
| DJM9 | 3328 | 9000 | 3520 | 95 | 214 | 21.6 | 77 | 175.6 | 22 | ±2.4 | 45′ | 22.7 | 1589 | 7945 |
| DJM10 | 4900 | 8000 | 7200 | 108 | 246 | 23.9 | 89 | 201.9 | 23 | ±2.6 | 45′ | 35.4 | 1800 | 9062 |
| DJM11 | 6368 | 8000 | 12800 | 118 | 276 | 27.2 | 102 | 231.2 | 40 | ±2.8 | 45′ | 52 | 2662 | 13312 |
| DJM12 | 8900 | 6300 | 14400 | 110 | 276 | 17.5 | 128 | 273.5 | ±1.8 | 30′ | 57.2 | 2929 | 14643 | |
| DJM13 | 15280 | 5000 | 22200 | 135 | 308 | 19 | 160 | 339 | ±2.0 | 30′ | 77.3 | 3958 | 19789 | |
| DJM14 | 25410 | 4700 | 40800 | 155 | 346 | 21.5 | 182 | 385.5 | ±2.0 | 30′ | 123 | 6298 | 31488 | |
| DJM15 | 37130 | 4300 | 64800 | 165 | 375 | 24 | 198 | 420 | ±2.0 | 30′ | 156 | 7987 | 39936 | |
| DJM16 | 47120 | 3900 | 100200 | 180 | 410 | 29.5 | 214 | 457.5 | ±2.2 | 30′ | 191 | 9779 | 48896 | |
| DJM17 | 57000 | 3500 | 150000 | 190 | 445 | 29.5 | 225 | 479.5 | ±2.2 | 30′ | 245 | 12544 | 62720 | |
| DJM18 | 63186 | 3500 | 186600 | 205 | 470 | 31 | 248 | 527 | ±2.4 | 30′ | 329 | 16845 | 84224 | |
| DJM19 | 82590 | 3200 | 288000 | 230 | 512 | 32 | 278 | 588 | ±2.4 | 30′ | 394 | 20173 | 100864 | |
| DJM20 | 102100 | 2800 | 448200 | 255 | 556 | 32.5 | 305 | 642.5 | ±2.5 | 30′ | 530 | 27136 | 135680 | |
| DJM21 | 126070 | 2450 | 609600 | 265 | 588 | 34 | 318 | 670 | ±2.7 | 30′ | 619 | 31693 | 158464 | |
| DJM22 | 146350 | 2150 | 831600 | 275 | 630 | 34.5 | 332 | 698.5 | ±2.8 | 30′ | 683 | 34970 | 174848 | |
| DJM23 | 173830 | 2000 | 1070400 | 290 | 655 | 35.5 | 348 | 731.5 | ±3.0 | 30′ | 791 | 40499 | 202496 | |



公司名稱:上海邁動機電設備有限公司
公司地址:上海青浦工業區崧海路98號
郵政編碼:201703
公司電話:021-54422420
公司傳真:021-54422420-801
郵箱:shmidon@126.com
戶名:上海邁動機電設備有限公司
稅號:310112660703692
開戶行:工行上海莘莊支行
賬號:1001140209007024765
電話:021-54422420 54422402
傳真:021-54422420-801
地址:上海莘莊工業園區申富路128號(開票)
地址:上海青浦工業園區崧海路98號(收貨地址)
上海邁動機電設備有限公司提供17%的增值稅發票;
品質100%保證,讓你更放心使用。
ADD:上海邁動機電設備有限公司 備案號:滬ICP備15037005
TEL:86-021-54422420,021-544227902 ,021-54422402 MB:13818829143,17701898099