86-021-54422420 13818829143
86-021-54422402 17701898099
All products
聯軸器 Coupling
傳動輪 Pulley
脹套 Lock
絲桿導軌 ScrewGuide
離合制動器 Clutch
傳動器 Actuators
皮帶 Belt
電機 Motor
軸承 Bearing

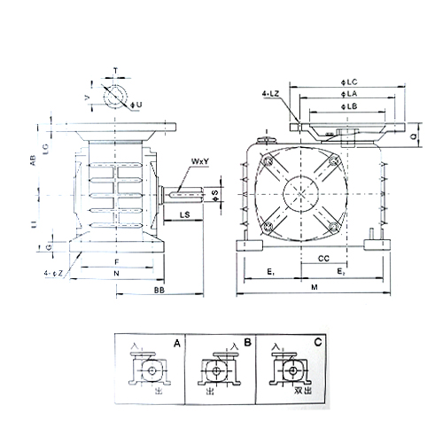
FCDZ雙級萬能型渦輪桿減速機


| 型號 Size | 入功率 Input(kw) | 傳動比 Ratio | AB | LL | BB | CC | E1 | E2 | F | G | M | N | Z | 電機法蘭Flange | 入力孔Input Hole | 輸出軸Output shaft | 重量 KG | ||||||||
| LA | LB | LC | LG | LZ | Q | U | TxV | LS | S | WxY | |||||||||||||||
| 50 | 0.18 | 1/5 1/10 1/15 1/20 1/25 1/30 1/40 1/50 1/60 | 87 | 76 | 95 | 50 | 53 | 77 | 100 | 15 | 160 | 125 | 11 | 115 | 95 | 140 | 10 | M8 | 25 | 11 | 4X12.8 | 40 | 17 | 5x3 | 7.5 |
| 60 | 0.18 | 78 | 82 | 110 | 60 | 68 | 92 | 100 | 15 | 190 | 130 | 11 | 115 | 95 | 140 | 10 | M8 | 25 | 11 | 4X12.8 | 50 | 22 | 7x4 | 12 | |
| 0.37 | 130 | 110 | 160 | 35 | 14 | 5X16.3 | |||||||||||||||||||
| 70 | 0.37 | 101 | 95 | 130 | 70 | 75 | 115 | 120 | 20 | 230 | 155 | 15 | 130 | 110 | 160 | 10 | M8 | 33 | 14 | 5X16.3 | 60 | 28 | 7x4 | 15 | |
| 0.75 | 165 | 130 | 200 | M10 | 43 | 19 | 6X21.8 | ||||||||||||||||||
| 80 | 0.75 | 118 | 100 | 140 | 80 | 96 | 144 | 125 | 20 | 265 | 160 | 15 | 165 | 130 | 200 | 12 | M10 | 43 | 19 | 6X21.8 | 65 | 32 | 10x4.5 | 22 | |
| 1.5 | 55 | 24 | 8X27.3 | ||||||||||||||||||||||
| 100 | 1.5 | 145 | 135 | 155 | 100 | 100 | 150 | 155 | 22 | 310 | 195 | 15 | 165 | 130 | 200 | 15 | M10 | 55 | 24 | 8X27.3 | 75 | 38 | 10x4.5 | 38 | |
| 2.2 | 215 | 180 | 250 | M12 | 65 | 28 | 8X31.3 | ||||||||||||||||||
| 120 | 2.2 | 160 | 160 | 185 | 120 | 120 | 180 | 180 | 28 | 360 | 230 | 18 | 215 | 180 | 250 | 18 | M12 | 65 | 28 | 8X31.3 | 85 | 45 | 12x4.5 | 60 | |
| 3.0 | |||||||||||||||||||||||||
| 135 | 3.0 | 183 | 170 | 210 | 135 | 130 | 200 | 200 | 30 | 390 | 250 | 18 | 215 | 180 | 250 | 20 | M12 | 65 | 28 | 8X31.3 | 95 | 55 | 15x5 | 80 | |
| 4.0 | |||||||||||||||||||||||||
公司名稱:上海邁動機電設備有限公司
公司地址:上海青浦工業區崧海路98號
郵政編碼:201703
公司電話:021-54422420
公司傳真:021-54422420-801
郵箱:shmidon@126.com
戶名:上海邁動機電設備有限公司
稅號:310112660703692
開戶行:工行上海莘莊支行
賬號:1001140209007024765
電話:021-54422420 54422402
傳真:021-54422420-801
地址:上海莘莊工業園區申富路128號(開票)
地址:上海青浦工業園區崧海路98號(收貨地址)
上海邁動機電設備有限公司提供17%的增值稅發票;
品質100%保證,讓你更放心使用。
ADD:上海邁動機電設備有限公司 備案號:滬ICP備15037005
TEL:86-021-54422420,021-544227902 ,021-54422402 MB:13818829143,17701898099