86-021-54422420 13818829143
86-021-54422402 17701898099
All products
聯軸器 Coupling
傳動輪 Pulley
脹套 Lock
絲桿導軌 ScrewGuide
離合制動器 Clutch
傳動器 Actuators
皮帶 Belt
電機 Motor
軸承 Bearing

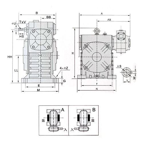
FCEKS(WPEKS)雙級基本型渦輪桿減速機


| 型號 Size | 速比 Ratio | A | AB | B | BB | E | F | H | HH | LL | M | N | G | Z | 入力軸Input Shaft | 出力孔Output Hole | 重量 KG | ||||
| HS | U | TxV | LS | S | WxY | ||||||||||||||||
| 40/70 | 1/200 1/300 1/400 1/500 1/600 1/800 1/900 | 267 | 130 | 151 | 62 | 115 | 150 | 230 | 215 | 105 | 150 | 190 | 20 | 15 | 25 | 12 | 4X2.5 | 30 | 8 | 33.3 | 22 |
| 50/80 | 301 | 148 | 173 | 68 | 135 | 180 | 262 | 250 | 120 | 170 | 220 | 20 | 15 | 30 | 12 | 4X2.5 | 35 | 10 | 38.3 | 32 | |
| 60/100 | 328 | 156 | 209 | 88 | 155 | 220 | 316 | 310 | 150 | 190 | 260 | 25 | 15 | 40 | 15 | 5X3 | 40 | 12 | 43.3 | 50 | |
| 70/120 | 426 | 208 | 237 | 97 | 180 | 260 | 415 | 370 | 180 | 230 | 320 | 30 | 18 | 40 | 18 | 5X3 | 45 | 14 | 48.8 | 82 | |
| 80/135 | 472 | 228 | 265 | 105 | 200 | 290 | 480 | 430 | 215 | 250 | 350 | 30 | 18 | 50 | 22 | 7X4 | 60 | 18 | 64.4 | 105 | |
| 100/155 | 529 | 251 | 308 | 130 | 220 | 320 | 520 | 490 | 235 | 280 | 390 | 35 | 20 | 50 | 25 | 7X4 | 70 | 20 | 74.9 | 155 | |
| 120/175 | 607 | 287 | 380 | 150 | 250 | 350 | 595 | 555 | 260 | 310 | 430 | 35 | 20 | 65 | 30 | 7X4 | 80 | 22 | 85.4 | 230 | |
| 135/200 | 674 | 323 | 437 | 175 | 290 | 390 | 625 | 625 | 290 | 360 | 480 | 40 | 22 | 75 | 35 | 10X5 | 85 | 22 | 90.4 | 310 | |
公司名稱:上海邁動機電設備有限公司
公司地址:上海青浦工業區崧海路98號
郵政編碼:201703
公司電話:021-54422420
公司傳真:021-54422420-801
郵箱:shmidon@126.com
戶名:上海邁動機電設備有限公司
稅號:310112660703692
開戶行:工行上海莘莊支行
賬號:1001140209007024765
電話:021-54422420 54422402
傳真:021-54422420-801
地址:上海莘莊工業園區申富路128號(開票)
地址:上海青浦工業園區崧海路98號(收貨地址)
上海邁動機電設備有限公司提供17%的增值稅發票;
品質100%保證,讓你更放心使用。
ADD:上海邁動機電設備有限公司 備案號:滬ICP備15037005
TEL:86-021-54422420,021-544227902 ,021-54422402 MB:13818829143,17701898099