86-021-54422420 13818829143
86-021-54422402 17701898099
All products
聯軸器 Coupling
傳動輪 Pulley
脹套 Lock
絲桿導軌 ScrewGuide
離合制動器 Clutch
傳動器 Actuators
皮帶 Belt
電機 Motor
軸承 Bearing

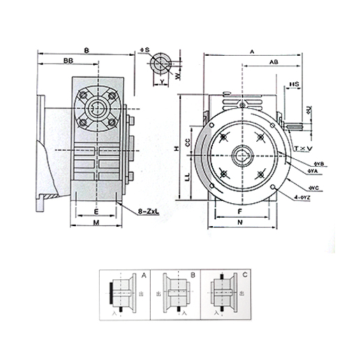
FCWKF單級萬能型渦輪桿減速機


| 型號 Size | 速比 Ratio | A | AB | B | BB | CC | E | F | H | LL | M | N | ZxL | 入力軸Input Shaft | 出力孔Output Shaft | 出力法蘭Output Flange | 重量 KG | ||||||
| HS | U | TxV | S | WxY | YA | YB | YC | YZ | |||||||||||||||
| 40 | 1/10 1/15 1/20 1/30 1/40 1/50 1/60 | 151 | 89 | 140 | 96 | 40 | 42 | 78 | 125 | 50 | 60 | 95 | M8X12 | 25 | 12 | 4X2.5 | 19 | 6X21.8 | 130 | 110 | 160 | 11 | 10 |
| 50 | 175 | 105 | 145 | 96 | 50 | 50 | 85 | 150 | 65 | 70 | 115 | M8X12 | 30 | 12 | 4X2.5 | 20 | 6X22.8 | 150 | 115 | 180 | 11 | 16 | |
| 60 | 200 | 121 | 139 | 86 | 60 | 55 | 105 | 177 | 75 | 80 | 130 | M8X12 | 40 | 15 | 5X3 | 25 | 8X28.3 | 150 | 115 | 180 | 11 | 22 | |
| 70 | 235 | 140 | 177 | 115 | 70 | 65 | 125 | 215 | 90 | 85 | 155 | M10X15 | 40 | 18 | 5X3 | 30 | 8X33.3 | 215 | 180 | 250 | 15 | 26 | |
| 80 | 261 | 160 | 183 | 115 | 80 | 70 | 140 | 250 | 105 | 100 | 175 | N12X20 | 50 | 22 | 7X4 | 35 | 10X38.3 | 215 | 180 | 250 | 15 | 32 | |
| 100 | 296 | 178 | 233 | 145 | 100 | 90 | 180 | 310 | 130 | 120 | 205 | M12X20 | 50 | 25 | 7X4 | 40 | 12X43.3 | 265 | 230 | 300 | 15 | 50 | |
| 120 | 387 | 230 | 242 | 145 | 120 | 100 | 220 | 370 | 155 | 130 | 260 | M14X20 | 65 | 30 | 7X4 | 45 | 14X48.8 | 300 | 250 | 350 | 19 | 78 | |
| 135 | 430 | 256 | 253 | 148 | 135 | 110 | 260 | 425 | 185 | 160 | 300 | M16X25 | 75 | 35 | 10X5 | 60 | 18X64.4 | 350 | 300 | 400 | 19 | 100 | |
| 155 | 505 | 300 | 295 | 165 | 155 | 120 | 280 | 461 | 203 | 170 | 330 | M16X25 | 85 | 40 | 10X5 | 70 | 20X74.9 | 350 | 300 | 400 | 19 | 135 | |
公司名稱:上海邁動機電設備有限公司
公司地址:上海青浦工業區崧海路98號
郵政編碼:201703
公司電話:021-54422420
公司傳真:021-54422420-801
郵箱:shmidon@126.com
戶名:上海邁動機電設備有限公司
稅號:310112660703692
開戶行:工行上海莘莊支行
賬號:1001140209007024765
電話:021-54422420 54422402
傳真:021-54422420-801
地址:上海莘莊工業園區申富路128號(開票)
地址:上海青浦工業園區崧海路98號(收貨地址)
上海邁動機電設備有限公司提供17%的增值稅發票;
品質100%保證,讓你更放心使用。
ADD:上海邁動機電設備有限公司 備案號:滬ICP備15037005
TEL:86-021-54422420,021-544227902 ,021-54422402 MB:13818829143,17701898099