86-021-54422420 13818829143
86-021-54422402 17701898099
All products
聯軸器 Coupling
傳動輪 Pulley
脹套 Lock
絲桿導軌 ScrewGuide
離合制動器 Clutch
傳動器 Actuators
皮帶 Belt
電機 Motor
軸承 Bearing

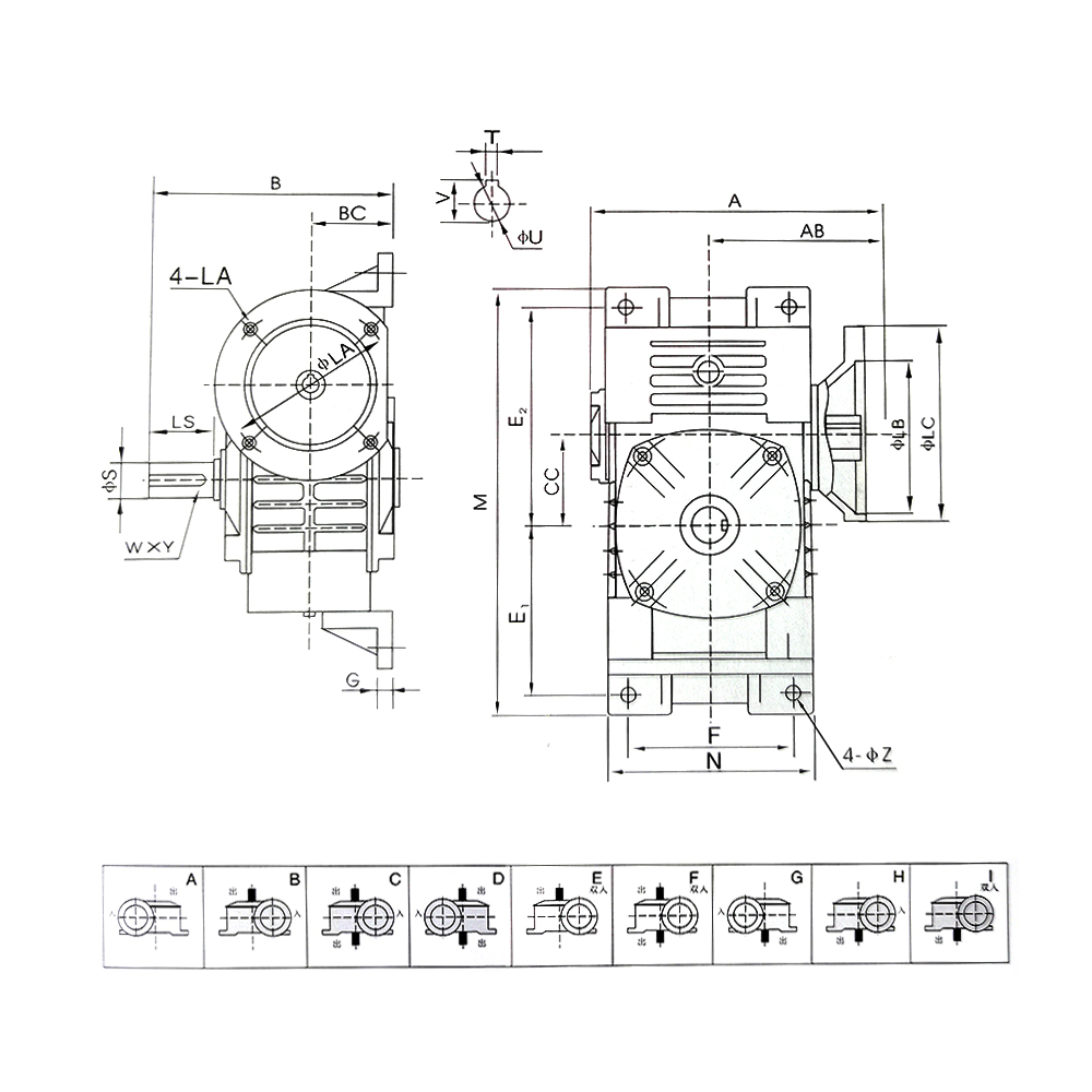
FCWD(WPWD)-O-X渦輪桿減速機單級萬能型


| 型號 Size | 速比&KW(4P) | A | AB | B | BC | CC | E1 | E2 | F | M | N | G | Z | 法蘭Flange | 入力孔Input Hole | 出力軸Output Shaft | 重量 KG | |||||||
| 1/10-1/30 | 1/40-1/60 | LA | LB | LC | LZ | U | TxV | LS | S | WxY | ||||||||||||||
| 40 | 0.37 | 140 | 78 | 120 | 45 | 40 | 72 | 97 | 75 | 190 | 96 | 10 | 11 | 130 | 110 | 160 | M8 | 14 | 5x16.3 | 28 | 14 | 5x3 | 6 | |
| 0.18 | 137 | 75 | 115 | 95 | 140 | M8 | 11 | 4x12.8 | ||||||||||||||||
| 50 | 0.37 | 156 | 86 | 148 | 50 | 50 | 90 | 110 | 90 | 225 | 115 | 12 | 11 | 130 | 110 | 160 | M8 | 14 | 5x16.3 | 40 | 17 | 5x3 | 9 | |
| 0.18 | 153 | 83 | 115 | 95 | 140 | M8 | 11 | 4x12.8 | ||||||||||||||||
| 60 | 0.55 | 174 | 96 | 165 | 55 | 60 | 102 | 129 | 100 | 260 | 130 | 15 | 11 | 165 | 130 | 200 | M10 | 19 | 6x21.8 | 50 | 22 | 7x4 | 13 | |
| 0.37 | 170 | 92 | 130 | 110 | 160 | M8 | 14 | 5x16.3 | ||||||||||||||||
| 70 | 0.75 | 205 | 110 | 195 | 65 | 70 | 120 | 155 | 120 | 305 | 155 | 15 | 15 | 165 | 130 | 200 | M10 | 19 | 6x21.8 | 60 | 28 | 7x4 | 17 | |
| 0.37 | 205 | 110 | 130 | 110 | 160 | M8 | 14 | 5x16.3 | ||||||||||||||||
| 80 | 1.5 | 235 | 134 | 210 | 70 | 80 | 140 | 180 | 140 | 350 | 175 | 15 | 15 | 165 | 130 | 200 | M10 | 24 | 8x27.3 | 65 | 32 | 10x5 | 25 | |
| 0.75 | 231 | 130 | 19 | 6x21.8 | ||||||||||||||||||||
| 100 | 1.5 | 1.5 | 270 | 151 | 253 | 90 | 100 | 165 | 215 | 190 | 422 | 220 | 18 | 15 | 165 | 130 | 200 | M10 | 24 | 8x27.3 | 75 | 38 | 10x5 | 38 |
| 120 | 3 | 2.2 | 340 | 182 | 285 | 100 | 120 | 195 | 255 | 220 | 496 | 260 | 22 | 18 | 215 | 180 | 250 | M12 | 28 | 8x31.3 | 85 | 45 | 12x5 | 65 |
| 135 | 4 | 3 | 373 | 200 | 320 | 110 | 135 | 230 | 285 | 260 | 562 | 300 | 25 | 18 | 215 | 180 | 250 | M12 | 28 | 8x31.3 | 95 | 55 | 15x5.5 | 84 |
| 155 | 5.5 | 430 | 225 | 374 | 140 | 155 | 250 | 305 | 280 | 605 | 330 | 25 | 20 | 265 | 230 | 300 | M12 | 38 | 10x41.3 | 110 | 60 | 15x5.5 | 120 | |
| 4 | 430 | 225 | 215 | 180 | 250 | M12 | 28 | 8x31.3 | ||||||||||||||||
公司名稱:上海邁動機電設備有限公司
公司地址:上海青浦工業區崧海路98號
郵政編碼:201703
公司電話:021-54422420
公司傳真:021-54422420-801
郵箱:shmidon@126.com
戶名:上海邁動機電設備有限公司
稅號:310112660703692
開戶行:工行上海莘莊支行
賬號:1001140209007024765
電話:021-54422420 54422402
傳真:021-54422420-801
地址:上海莘莊工業園區申富路128號(開票)
地址:上海青浦工業園區崧海路98號(收貨地址)
上海邁動機電設備有限公司提供17%的增值稅發票;
品質100%保證,讓你更放心使用。
ADD:上海邁動機電設備有限公司 備案號:滬ICP備15037005
TEL:86-021-54422420,021-544227902 ,021-54422402 MB:13818829143,17701898099